Другие способы повышения напряжения
Для того, чтобы увеличить низкое напряжение, существует много разных способов, которыми пользуются многие жильцы квартир и загородных домов.
- Применение автотрансформаторов. Их устройство дает возможность увеличить напряжение на 50 вольт. Они применяются чаще всего в электрических сетях с низким напряжением, в деревне, где напряжение падает часто, и считается обычным явлением. Используя автотрансформатор можно также и уменьшать напряжение. При их выборе следует учитывать мощность, в противном случае они будут сильно нагреваться.
- Низкое напряжение можно привести в норму путем использования умножителя, который является особым устройством, собранным из конденсаторов и диодов. Такие умножители используются для питания кинескопов, увеличивая напряжение до 27 тысяч вольт.
- С помощью электродвижущей силы. Если в источнике энергии можно настраивать ЭДС специальным регулятором, то можно увеличить значение ЭДС этого источника. Повышение напряжения произойдет на столько, на сколько повысится ЭДС.
- Низкое напряжение можно повысить, изменяя сопротивление. Зависимость напряжения от сопротивления, следующая: во сколько уменьшится сопротивление, во столько и увеличится напряжение.
- Если нельзя повысить напряжение одним из этих способов, то можно использовать их совместно. Например, для увеличения напряжения в цепи в 12 раз, нужно повысить ЭДС источника в два раза, снизить длину проводов в два раза, и повысить площадь их сечения в три раза.
Что делать, если низкое напряжение в электрической сети.
Осциллограмма постоянного напряжения
Давайте для начала уточним, что мы подразумеваем под «постоянным напряжением». Как гласит нам Википедия, постоянное напряжение (он же и постоянный ток) — это такой ток, параметры, свойства и направление которого не изменяются со временем. Постоянный ток течет только в одном направлении и для него частота равна нулю.
Осциллограмму постоянного тока мы с вами рассматривали в статье Осциллограф. Основы эксплуатации:

Как вы помните, по горизонтали на графике у нас время (ось Х), а по вертикали напряжение (ось Y).
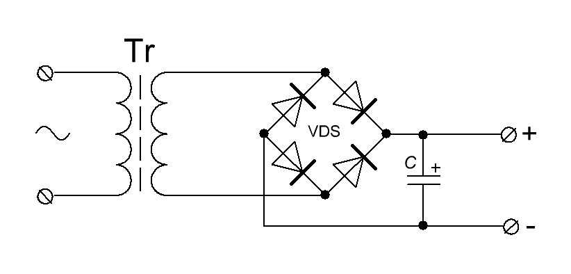
Для того, чтобы преобразовать переменное однофазное напряжение одного значения в однофазное переменное напряжение меньшего (можно и большего) значения, мы используем простой однофазный трансформатор. А для того, чтобы преобразовать в постоянное пульсирующее напряжение, мы с вами после трансформатора подключали Диодный мост. На выходе получали постоянное пульсирующее напряжение. Но с таким напряжением, как говорится, погоду не сделаешь.

Но как же нам из пульсирующего постоянного напряжения
получить самое что ни на есть настоящее постоянное напряжение?
Для этого нам нужен всего один радиокомпонент: конденсатор. А вот так он должен подключаться к диодному мосту:

В этой схеме используется важное свойство конденсатора: заряжаться и разряжаться. Конденсатор с маленькой емкостью быстро заряжается и быстро разряжается
Поэтому, для того, чтобы получить почти прямую линию на осциллограмме, мы должны вставить конденсатор приличной емкости.
Как все-таки быть при нестабильном напряжении?
Бывает и так, что напряжение в сети резко колеблется – то меньше нормы, то больше. Это признак запущенного местного электрохозяйства: тронутых коррозией распределительных проводов в сочетании с плохим нулем на подстанции. Законные меры воздействия на энергетиков оставим юристам; данная же статья техническая, и нам нужно знать, как держать напряжение в норме.
Старый добрый стабилизатор напряжения для дачи вполне подойдет. Возможно, еще от дедушкина черно-белого телевизора, если хранился в подходящих условиях. Только нужно учесть, что наиболее употребительные феррорезонансные стабилизаторы могут давать очень короткие, в несколько миллисекунд, выбросы напряжения, а они могут повредить компьютерную технику, современный телевизор и вообще все, где используются импульсные блоки питания.
Поэтому после такого стабилизатора желательно включить описанный выше автотрансформатор, но с добавкой не 24, а 6-12 В. Напряжение в розетке будет в пределах нормы, а обмотки с большой индуктивностью на массивном железе автотрансформатора паразитные импульсы погасят.
В продаже на интернет-аукционах и с рук можно встретить старые промышленные магнитнокомпенсационные стабилизаторы, и вроде бы подходящей мощности: 1-10 кВт. Но ныне применение таких устройств запрещено. Они хорошо держат напряжение, но дают большую реактивную составляющую потребляемой мощности, очень вредную для управляемых электроникой энергосистем.
Энергетики, вооруженные ныне компьютерным мониторингом, засекают «реактивку» мгновенно, вычисляют источник абсолютно точно, а штрафные санкции (весьма внушительные) применяют охотно и без промедления.

В частном домовладении достаточно обеспеченного владельца радикальное средство стабилизации напряжения в домовой сети – электронный преобразователь напряжения с собственным накопителем энергии. По принципу действия это тот же компьютерный «бесперебойник» (UPS), но на мощность 3-10 кВт.
Стоят такие устройства весьма и весьма недешево (3-20 тыс. долл. США), но обеспечивают идеальное качество напряжения в сети и электропитание потребителей при ее пропадании. В отличие от компьютерных UPS, они, как правило, имеют интерфейс связи со снабженным собственной электроникой аварийным дизель-генератором, так что «движок» запускается не сразу при пропадании сети, а спустя некоторое время, или когда аккумулятор бесперебойника начинает садиться.
В заключение – важный момент. Человек, поверхностно знакомый с электротехникой, может «сообразить»: ага, компьютерный киловаттный UPS, стало быть, сможет держать утюг почаса-час, а телевизор или люстру – чуть ли не сутки, а стоит несколько сотен долларов. Поставлю-ка я такой на даче!
Неверно. Компьютерные UPS рассчитаны на кратковременное эпизодическое использование, потому и стоят в десятки раз дешевле ИБП общего назначения. При непрерывном использовании достаточно дорогостоящий прибор очень быстро окончательно выйдет из строя.
Электропроводка в частном доме: скрытые ошибки монтажа, создающие проблемы
Внимание: зона ответственности снабжающей организации заканчивается на ответвительной опоре! Схема подключения к ней, кабель ввода в дом и весь внутренний монтаж лежат на совести частного владельца. Поэтому вначале надо обращать внимание на состояние качества уличной проводки, а затем — внутридомовой
Поэтому вначале надо обращать внимание на состояние качества уличной проводки, а затем — внутридомовой
Контакты на улице
Ввод в здание и подключение к счетчику делают бригады электриков от поставщика и энергосбыта. От качества их работы может пострадать хозяин дома. Ему следует контролировать состояние проводов и создаваемых контактов.

Обычная скрутка алюминиевых жил на воздухе покрывается слоем окислов и ухудшает переходное сопротивление. Это место начинает больше греться и сильнее окисляться. Процесс со временем нарастает, хотя визуально может быть не заметен.
Естественный обдув воздухом и длина открытого провода его маскируют, но не останавливают. Увеличенное переходное сопротивление такого контакта — причина потери напряжения на нем.
Подключение ответвления специальными зажимами с нарушениями технологии — тоже возможная причина плохого контакта.

Если на нем образовались трещины, сколы, потемнения и другие дефекты, то они явно свидетельствуют об увеличенном переходном сопротивлении, потерях энергии.
Контакты вводного автомата
Подключение силового провода к автоматическому выключателю на вводе часто требует использования специальных переходников с созданием надежного ужима. Халатная работа сразу может не сказаться, но со временем проявиться.
Переходное сопротивление контактов владелец может проверить созданием электропроводке режима максимальной нагрузки на некоторое время. Сразу потребуется проконтролировать их нагрев
Проводя визуальный осмотр, следует обращать внимание на потемнение корпуса защитного модуля, состояние изоляции
Внутри дома возможны и другие причины, ведущие к снижению уровня электричества.
Переменный ток
Переменный ток используется в промышленности и электроснабжении. Именно его получают на станциях и отправляют к потребителям. Уже на месте преобразование переменного электрического тока в постоянный происходит с помощью инверторов.
Переменный ток — alternating current (AC). Постоянный ток — direct current (DC). Аббревиатуру AC/DC можно увидеть на трансформаторных будках, где происходит преобразование. А еще это название одной отличной австралийской рок-группы.
А вот и наглядное изображение переменного тока.
Переменный ток
Переменный ток течет в цепи в двух направлениях: туда и обратно. Одно из них считается положительным, а второе — отрицательным.
Так как величина тока меняется не только по направлению, но и по величине, не думайте, что в вашей розетке постоянно 220 Вольт. 220 — это действующее значение напряжения, которое бывает 50 раз в секунду. Кстати, в Америке используется другой стандарт переменного тока в сети: 110 Вольт и 60 Герц.
Начало электрификации в США.
Первые лампы были дуговыми, они светились электрическим разрядом, горящим на открытом воздухе, зажигаемым между двумя угольными электродами. Экспериментаторы того времени довольно быстро установили, что именно при 45 вольтах дуга становится более устойчивой, однако для безопасного зажигания, последовательно с лампой подключали резистивный балласт, на котором падало в процессе работы лампы около 20 вольт.
Так, долгое время применялось постоянное напряжение 65 вольт. Затем его повысили до 110 вольт, чтобы можно было последовательно включить в сеть сразу две дуговые лампы.
Эдисон был фанатичным сторонником систем постоянного тока, и генераторы постоянного тока Эдисона поначалу так и работали, подавая в потребительские сети 110 вольт постоянного напряжения.
Но технология постоянного тока Эдисона была очень-очень затратной, экономически не выгодной: нужно было прокладывать много толстых проводов, да и передача от электростанции до потребителя не превышала расстояния в несколько сотен метров, поскольку потери при передаче были огромны.
Позже была введена трехпроводная система постоянного тока на 220 вольт (две параллельные линии по 110 вольт), однако существенно положение относительно экономичности такой передачи не улучшилось.
Позже Никола Тесла разработал свои, совершенно новаторские генераторы переменного тока, и внедрил экономически более эффективную систему передачи электроэнергии при высоком напряжении в несколько тысяч вольт, и электроэнергию можно стало передавать на тысячи метров, потери при передаче снизились в десятки раз. Постоянный ток Эдисона не выдержал конкуренции с переменным током Тесла.
Трансформаторы на железе понижали высокое напряжение до 127 вольт на каждой из трех фаз, подавая его потребителю в виде переменного тока. При работе генераторов переменного тока, приводимых в движение паром или падающей водой, роторы их вращались с частотой от 3000 оборотов в минуту и даже больше. Это позволяло лампам не мерцать, асинхронным двигателям нормально работать, выдерживая номинальные обороты, а трансформаторам — преобразовывать электричество, повышать и понижать напряжение.
Между тем, в СССР напряжение сетей до 60-х годов оставалось на уровне 127 вольт, затем с ростом производственных мощностей его подняли до привычных нам теперь 220 вольт.
Доливо-Добровольский, так же как и Тесла, исследовавший возможности переменного тока, предложил использовать для передачи электроэнергии именно синусоидальный ток, а частоту предложил установить в пределах от 30 до 40 герц. Позже сошлись на 50 герцах в СССР и на 60 герцах — в США. Эти частоты были оптимальными для оборудования переменного тока, во всю работавшего на многих заводах.
Частота вращения двухполюсного генератора переменного тока составляет 3000 либо максимум 3600 оборотов в минуту, и дает как раз частоты 50 и 60 Гц при генерации. Для нормальной работы генератора переменного тока, частота должна быть не менее 50-60 Гц. Промышленные трансформаторы без проблем преобразуют переменный ток данной частоты.
Сегодня принципиально можно повысить частоту передачи электроэнергии до многих килогерц, и сэкономить таким образом на материалах проводников в ЛЭП, однако инфраструктура остается приспособленной именно для тока частотой 50 Гц, она была так спроектирована изначально по всему миру, генераторы на атомных электростанциях вращаются с все той же частотой 3000 оборотов в минуту, имеют всё ту же пару полюсов. Поэтому модификация систем генерации, передачи и распределения электроэнергии — вопрос отдаленного будущего. Вот почему 220 вольт 50 герц остаются у нас пока стандартом.
Напряжение электросети, розетки, штепсели, переходники и адаптеры — вот то, о чем должен подумать каждый турист, который отправляется в незнакомую страну. Это особенно актуально в современном мире, когда подавляющее большинство людей путешествуют со своими личными электронными приборами, требующими постоянной подзарядки — от фотоаппаратов и мобильных телефонов до ноутбуков и систем навигации. Во многих странах вопрос решается просто — с помощью переходника.
Однако вилки и розетки — это только «полбеды». Напряжение в сети также может быть отличным от привычного на родине — и об этом стоит знать и помнить, иначе можно испортить прибор или зарядное устройство. Например, в Европе и большинстве азиатских стран напряжение варьируется от 220 до 240 вольт. В Америке и Японии в два раза меньше — от 100 до 127 вольт. Если прибор, рассчитанный на американское или японское напряжение, вставить в розетку в Европе — он сгорит.
Что такое фаза и ноль
К вам 220 Вольт приходит по двум проводам. Иногда с ними бывает в связке еще и третий провод желто-зеленого цвета — это земля. Этот провод используется для обеспечения безопасности. В старых домах такого провода нет. Земля в 90% случаев обозначается как желто-зеленый провод. Другие провода могут иметь различную окраску, но чаще всего стараются ноль маркировать синим проводом, а фазу — ярким цветом. Например, красным.
Обозначение фазы, нуля и земли на проводе
Итак, по одному проводу течет фаза, по другому — ноль. Ноль — это провод для съема электрического тока с фазы. Ноль не представляет опасности для человека, но лучше все-таки не экспериментировать! В фазе напряжение очень быстро изменяется сначала от какого-то максимального значения (для 220 Вольт это значение равняется 310 Вольт), потом падает до нуля, и потом идет в минус и достигает значения в -310 Вольт и потом снова до нуля и снова до 310 Вольт. Итак, за секунду он успевает проделать эту операцию 50 раз, так как генератор на ГЭС, ТЭС или АЭС крутится именно с такой скоростью.
осциллограмма 220 В
Схема источника переменного тока
В идеальных условиях источник тока генерирует ток, не зависящий от напряжения. Однако, в реальности добиться этого очень сложно. При подключении большой нагрузки значения обоих показателей неизбежно проседают.
Поэтому, когда речь идет о реальных источниках тока, то имеются ввиду схемы, которые могут обеспечивать силу тока в заданном диапазоне для определенных нагрузок. Наибольшее применение источники тока (не путать с источниками напряжения) нашли в схемах для питания аналоговых приборов, операционных и дифференциальных усилителей, измерительных мостов и т.п., ну и, конечно же, для зарядки аккумуляторов. Источник переменного тока – это генераторные установки, в основе которых лежит двигатель. Вращение вала и перемещение катушек в постоянном магнитном поле создают эффект изменения не только силы тока, но и направления его действия.
Рис.1. Генератор переменного тока
График изменения тока в зависимости от времени.
Рис. 2. рафик изменения тока в зависимости от времени
Это классическая синусоида.
В составе радиосхем переменный ток чаще всего преобразуется в постоянный. Однако, если мы говорим об источнике тока уже в составе радиосхем, то задача создания переменной ЭДС заметно усложняется без генераторных установок.
Типовой источник тока (постоянного) состоит из элементов, обозначенных на функциональной схеме ниже.
Рис. 3. Функциональная схема
Это:
- Источник питания (в данном случае постоянного напряжения);
- Датчик тока;
- Регулирующий элемент (в простейшем варианте может быть реализован транзистором, к которому нагрузка подключается в эмиттерную цепь);
- Цепь обратной связи.
В качестве простого примера.
Рис. 4. Схема источника тока
Стоит отметить, что переменный ток применяется в схемах крайне редко, в основном вся радиоаппаратура строится на источниках постоянного тока или напряжения.
Варианты схем источников переменного тока
Однако, в отдельных случаях может потребоваться источник именно переменного тока. Наиболее часто используемая схема в цепях с малыми напряжениями выглядит следующим образом.
Рис. 5. Схема источника переменного тока с малыми напряжениями
В основе лежит все та же схема с регулятором напряжения и цепью обратной связи, управляющей операционными усилителями, обозначенная в начале.
Здесь ток в нагрузке может протекать как в одном, так и в противоположном направлении.
На выходе обеспечивается ток от -10 мА до +10 мА, при условии подачи напряжения +10 и -10 В.
Уменьшения погрешности на выходе можно добиться за счет подбора резисторов R1-R6, допуск номинала которых не превышает 1%.
Операционный усилитель можно использовать практически любой. Но наилучший вариант для слаботочных схем – ОУ с малыми напряжения смещения и входными токами.
К транзисторам VT1 и VT2 тоже особых требований нет. Подойдут даже маломощные, работающие с напряжением на коллекторе до 30 В и силой тока 20-150 мА.
ИБП
Источники бесперебойного питания часто путают с источниками переменного тока, так как они предназначены для фактической замены основного источника питания. Однако, на практике эти устройства выдают не переменный ток, а переменное напряжение.
Принцип работы ИБП:
1.Преобразование сетевого тока из переменного в постоянный;
2.Зарядка аккумулятора постоянным током;
3.При отключении основного источника питания выходная цепь получает питание от аккумулятора (химический источник постоянного тока);
4.Постоянный ток аккумулятора преобразуется в переменное напряжение и отдается потребителям.
Типовая схема инвертора (преобразователя) напряжения из постоянных 12 В в переменные 230 В выглядит следующим образом.
Рис. 6. Типовая схема инвертора
Предотвращение ускоренной электрической эрозии
Немаловажный момент — строение самого аккумулятора. Если его разобрать, то можно увидеть 6 отдельно взятых батарей, каждая из которых выдаёт мощность в 2В. Все эти батареи соединены параллельно. В результате и получается нужные нам 12В. Напоминаем, что менее мощные аккумуляторы просто не смогут прокрутить современный мотор, поэтому уход в меньшую мощность мы не рассматриваем.
Но почему именно 12В, а не, допустим, 15В или 50В. Такое решение связано с предотвращением ускоренной электрической эрозии, которая может возникнуть вследствие увеличения мощности заряда. Перезаряд батареи может привести к быстрому испарению электролита. Так на напряжении 14.5В его уровень может значительно понизиться буквально за несколько дней. При повышении напряжения до 15В и выше, может произойти оголение верхних краёв сепараторов и пластин, что часто приводит к взрыву батареи.
То есть, данное решение продиктовано из соображений безопасности, а также из-за химических и физических особенностей строения аккумулятора.
Параметры сетевого напряжения в России [ править | править код ]
Производители электроэнергии генерируют переменный ток промышленной частоты (в России — 50 Гц). В подавляющем большинстве случаев по линиям электропередач передаётся трёхфазный ток, повышенный до высокого и сверхвысокого электрического напряжения с помощью трансформаторных подстанций, которые находятся рядом с электростанциями.
Согласно межгосударственному стандарту ГОСТ 29322-2014 (IEC 60038:2009), сетевое напряжение должно составлять 230 В ±10 % при частоте 50 ±0,2 Гц (межфазное напряжение 400 В, напряжением фаза-нейтраль 230 В, четырёхпроводная схема включения «звезда»), примечание «a)» стандарта гласит: «Однако системы 220/380 В и 240/415 В до сих пор продолжают применять».
К жилым домам (на сельские улицы) подводятся четырёхпроводные (три фазовых провода и один нейтральный (нулевой) провод) линии электропередач (воздушные или кабельные ЛЭП) с межфазным напряжением 400 Вольт. Входные автоматы и счётчики потребления электроэнергии, обычно, трёхфазные. К однофазной розетке подводится фазовый провод, нулевой провод и, возможно, провод защитного заземления или зануления, электрическое напряжение между «фазой» и «нулём» составляет 230 Вольт.
В правилах устройства электроустановок (ПУЭ-7) продолжает фигурировать величина 220, но фактически напряжение в сети почти всегда выше этого значения и достигает 230—240 В, варьируясь от 190 до 250 В. [ источник не указан 319 дней ]
Повышение переменного напряжения
Повысить переменное напряжение можно двумя способами – использовать трансформатор или автотрансформатор. Основная разница между ними состоит в том, что при использовании трансформатора есть гальваническая развязка между первичной и вторичной цепью, а при использовании автотрансформатора её нет.
Интересно! Гальваническая развязка – это отсутствие электрического контакта между первичной (входной) цепью и вторичной (выходной).
Рассмотрим часто возникающие вопросы. Если вы попали за границы нашей необъятной родины и электросети там отличаются от наших 220 В, например, 110В, то чтобы поднять напряжение со 110 до 220 Вольт нужно использовать трансформатор, например, такой как изображен на рисунке ниже:

Следует сказать о том, что такие трансформаторы можно использовать «в любую сторону». То есть, если в технической документации вашего трансформатора написано «напряжение первичной обмотки 220В, вторичной – 110В» – это не значит, что его нельзя подключить к 110В. Трансформаторы обратимы, и, если на вторичную обмотку подать, те же 110В – на первичной появится 220В или другое повышенное значение, пропорциональные коэффициенту трансформации.
Следующая проблема, с которой многие сталкиваются – низкое напряжение в электросети, особенно часто это наблюдается в частных домах и в гаражах. Проблема связана с плохим состоянием и перегрузкой линий электропередач. Чтобы решить эту проблему – вы можете использовать ЛАТР (лабораторный автотрансформатор). Большинство современных моделей могут как понижать, так и плавно повышать параметры сети.

Схема его изображена на лицевой панели, а на объяснениях принципа действия мы останавливаться не будем. ЛАТРы продаются разных мощностей, тот что на рисунке примерно на 250-500 ВА (вольт-амперы). На практике встречаются модели до нескольких киловатт. Такой способ подходит для подачи номинальных 220 Вольт на конкретный электроприбор.
Если вам нужно дёшево поднять напряжение во всем доме, ваш выбор – релейный стабилизатор. Они также продаются с учетом разных мощностей и модельный ряд подходит для большинства типовых случаев (3-15 кВт). Устройство основано также на автотрансформаторе. О том, как выбрать стабилизатор напряжения для дома, мы рассказали в статье, на которую сослались.
Переменный ток и его свойства
Переменный ток циклически меняет направление и силу, характеризуется следующими параметрами:
- частота. Число циклов (периодов) в секунду. Например, частота тока в сети составляет 50 Гц;
- амплитуда. Максимальное отклонение напряжения и силы тока от нуля. Так, сетевое напряжение 50 раз в секунду меняет значение от -311 В до 311 В;
-
действующее значение
. Это напряжение или сила эквивалентного постоянного тока, то есть такого, который вызывает в проводнике такое же тепловыделение, как и данный переменный. К действующему значению прибегают с целью упрощения расчетов: работать с постоянно изменяющимися величинами крайне неудобно. Например, если в формуле записать действительное значение переменного сетевого напряжения, изменяющегося от -311 В до 311 В по синусоидальному закону, получится уравнение с тригонометрическими функциями либо комплексными числами. Гораздо проще оперировать постоянным действующим значением в 220 В;
- форма. Сетевой ток, производимый механическими генераторами, имеет синусоидальную форму. На выходе инвертора она может быть остроугольной, ступенчатой и т. д.
Переменный ток уступает постоянному в следующем:
- он менее качественный. Так, сварной шов получается более прочным и надежным, если сварка осуществлялась постоянным током. Качественнее работает и электроника;
- при частоте в 50 Гц — более опасен. Нарушения в организме вызывает уже при силе в 50 мА, тогда как постоянный — при силе в 300 мА. Однако, с повышением частоты переменный ток становится уже не таким опасным. Так, выдающийся изобретатель Никола Тесла на публичных опытах пропускал через себя переменный ток большого напряжения (светилась зажатая в руке лампа), предварительно подняв его частоту до нескольких мегагерц;
- сопротивление проводников переменному току выше, чем постоянному. Разъяснение этому будет дано ниже.
Но есть у переменного тока и полезная особенность: создаваемое им магнитное поле также является переменным, а значит, оно способно наводить в проводниках ЭДС (закон электромагнитной индукции).
Переменный ток делает возможным работу таких устройств:
- трансформаторы. За счет повышения напряжения значительно сокращаются потери в линиях электропередач;
- индукционные нагреватели;
- дроссельные фильтры. Дроссель — катушка. Создаваемое ею переменное магнитное поле противодействует переменному току, то есть дроссель выступает в качестве сопротивления. От индуктивности катушки зависит частота тока, которому она сильнее всего противодействует. Эта особенность позволяет глушить дросселем высокочастотные помехи в сети.
Наличием переменного магнитного поля объясняется и упомянутое выше увеличение сопротивления проводника. В нем полем также наводится ЭДС, противодействующая данному переменному току. Эта ЭДС выше в центре проводника, где сконцентрированы силовые линии поля, соответственно, носители заряда вытесняются наружу (поверхностный или скин-эффект).
В итоге вместо всего сечения проводника ток пропускает только некоторая его часть, отчего и возрастает сопротивление. Еще отличие переменного тока от постоянного — способность протекать по цепи с последовательно включенным конденсатором. Для постоянного тока разрыв между обкладками непреодолим, тогда как переменный протекает почти свободно, заряжая обкладки то с одним, то с другим знаком.
Конденсатор, как и катушка, каждый раз накапливает энергию и затем возвращает ее в цепь, так что он тоже оказывает переменному току сопротивление, которое зависит от емкости конденсатора.
Особенности электропроводки
Очень важно знать, что при использовании современных бытовых приборов и техники старая электропроводка может не выдержать их мощности. В конечном итоге это может привести к короткому замыканию или воспламенению в самом слабом месте на кабеле, где сопротивление самое слабое
По этой причине нужно позаботиться о том, чтобы проводка в помещении соответствовала всем требованиям. Если в доме силовая линия старая или сделана из алюминия, тогда ее следует заменить. Сейчас проводка в домах делается только из проводов с медным сечением.
Также очень важной особенностью при прокладывании электропроводки является предварительное определение нагрузки, которую будет держать кабель. Это повлияет на выбор типа провода, его толщину и длину
Для этого нужно сделать расчеты или использовать специальные таблицы с оптимальными значениями каждого показателя. В жилых помещениях проводка делается закрытой, поэтому обязательно следует позаботиться о защите кабеля.
В цепи якоря
Это лучший вариант регулирования скорости мотора с независимым возбуждением. Частота вращения прямо пропорциональна подводимому к якорю напряжению. Механические характеристики не меняют своего угла наклона, а перемещаются параллельно друг другу.
Для осуществления этой схемы нужно цепь якоря подключить к источнику напряжения, которое можно менять.
Это возможно в электрических машинах малой или средней мощности. Двигатель большой мощности целесообразно подключить в схему с генератором напряжения независимого возбуждения.
В качестве привода для генератора используют обычный трехфазный асинхронник. Чтобы уменьшить обороты, достаточно на якоре понизить напряжение. Оно меняется от номинального и вниз. Эта схема имеет название «двигатель-генератор». Таким образом можно менять параметры на двигателе 220в.
Для низкого напряжения
Управление агрегатами на 12в проще из-за более низкого напряжения и как следствие, более доступных деталей
Вариантов подобных схем множество, поэтому важно понять сам принцип
Такой двигатель имеет ротор, щеточный механизм и магниты. На выходе у него всего два провода, контролирование скорости идет по ним. Питание может быть 12, 24, 36в, или другое. Что нужно – это его менять. Лучше, когда в пределах от нуля до максимума. В более простых вариантах 12–0в не получится, другие варианты дают такую возможность.
Кто-то паяет радиоэлементы навесным монтажом, кто-то набирает печатную плату – это уже зависит от желания и возможностей каждого человека.
Этот вариант подойдет, если точность неважна: например, вентилятор. Напряжение меняется от 0 до 12 вольт, пропорционально меняется крутящий момент.
Другой вариант – со стабилизацией оборотов независимо от нагрузки на валу.
Питание 12 вольт, схема очень проста. Двигатель набирает обороты плавно, и также плавно их сбавляет так как напряжение на выходе меняется в пределах 12–0в. Как результат – можно убрать крутящий момент практически до нуля. Если потенциометр крутить в обратном направлении, мотор так же постепенно набирает обороты до максимума. Микросхема очень распространенная, ее характеристики тоже подробно описаны. Питание 12–18в.
Есть еще один вариант, только это уже не для 12, а для 24в питания.
Двигатель постоянного тока, питание – переменное, так как стоит диодный мост. При желании можно мост выбросить и запитывать постоянкой от своего блока питания.
Розетки
Итак, движемся дальше по теме, какой ток в розетке используется: постоянный или переменный. Переходим к розеткам, потому что в вопросе они встречаются. Так вот, есть ли розетки на напряжение постоянное, и на переменное? Сразу скажем, есть. Чем же они отличаются друг от друга?
Начнем с того, что розетки, в которых присутствует переменное напряжение, обозначаются символом (
) или буквами латинского алфавита (AC), то есть Alternating Current, что с английского языка так и переводится – переменный ток.
Розетки для постоянного напряжения обозначаются символом (–) или буквами DC (Direct Current – постоянный ток). На схемах такие розетки обозначаются плюсом и минусом со стрелкой. Сразу же оговоримся, что в розетку, где есть постоянное напряжение включать обычные бытовые приборы бесполезно. Работать все равно не будут
Обратите внимание на рисунок ниже, где указаны пиктограммы

Так вот, многие производители их наносят на розетки для удобства распознания, то есть, для какого напряжения они предназначены. Как видите, даже чисто визуально можно определить, какое напряжение находится в розетке: постоянное или переменное. Конечно, все это нюансы, ведь отечественные сети поставляют только переменный ток, так что нет необходимости даже смотреть, какая маркировка у розетки, есть ли специальные символы или нет.






























