Обзор цифровых моделей
ABB AMTD-2-R 2CSG213655R4011

Цифровой амперметр итальянского производства. Отличается высокой точностью, простотой использования и надежной сборкой. Подключается к цепи через шунт. Из минусов можно отметить высокую стоимость прибора.
Характеристики:
- погрешность – 0,5%;
- способ установки – Din 35 мм;
- потребляемая мощность – 4 ВА;
- ориентация – горизонтальная;
- вес – 0,3 кг;
- диапазон измерения силы тока – 5-600 А;
- цена – 15 000 руб.
ABB AMTD-1 2CSM320000R1011
Цифровой амперметр, предназначен для замеров переменного тока. Страна-производитель – Италия.
Характеристики:
- погрешность – 0,5%;
- способ установки – Din-рейка;
- ориентация – вертикальная и горизонтальная;
- вес – 0,3 кг;
- подсветка дисплея;
- цена – 8000 руб.
DigiTOP АМ-3м
Трехфазный амперметр для измерения переменного тока. На дисплее отображаются результаты замеров по каждой фазе. Страна-производитель – Украина. Из минусов – довольно высокая погрешность и небольшой диапазон измерений.
Характеристики:
- погрешность – 1,5%;
- диапазон измерений – 1-63А;
- способ установки – монтаж в электрический щит;
- вес – 0,155 кг;
- устойчивость к помехам и вибрации;
- цена – 1500 руб.
EKF PROxima AD-723
Трехфазный амперметр. Страна-производитель – Россия. Из минусов можно отметить отсутствие подсветки и довольно большие размеры – 72х72 см.
Характеристики:
- погрешность – 0,5%;
- вес – 0,23 кг;
- цифровой дисплей;
- сенсорная панель управления;
- цена – 2000 руб.
Таким образом, для постоянной работы с измерениями тока лучше выбрать цифровой амперметр – он более надежный, показывает результат с минимальной погрешностью. Для бытовых нужд достаточно аналогового устройства.
Проверенные мультиметры
Со своим многолетним стажем в области электроники, я поменял много мультиметров. Хочу остановиться именно на двух марках, которые меня очень сильно радовали и до сих пор радуют в моем нелегком деле.
Мультиметры DT9205
Большой дисплей, удобный функционал, функция автоматического выключения, недорогая стоимость. Если вы полистаете страницы моего сайта, то увидите, что я использовал именно эти модели мультиметров в своей практике. Они очень удобные и долговечные. Да, они имеют большие габариты, но это того стоит. Такой мультиметр очень удобно лежит в руке.
Вот ссылка на Алиэкспресс. Старайтесь брать именно такой, какой на фото выше. Его стоимость в диапазоне 700-800 рублей.
Мультиметры Mastech
Как вы видели, у меня есть вот такой мультиметр от этой фирмы. Не могу не нарадоваться).
Посмотреть его можете также на Алиэкспрессе по этой ссылке. Встречаются множество подделок, так что будьте бдительны.
Приборы для измерения силы тока
Если в каком-либо проводнике течет ток, то он характеризуется такой величиной, как «сила тока». Сила тока в свою очередь характеризуется количеством электронов, которые проходят через поперечное сечение проводника за единицу времени. Но мы все учились в школе и знаем, что электронов в проводнике миллиарды миллиардов и считать количество электронов было бы бессмысленно.
Поэтому ученые вывернулись из этой ситуации и придумали единицу измерения силы тока и назвали ее «Ампер», в честь французского физика-математика Андре Мари Ампера. Что же собой представляет 1 Ампер?
Если сила тока в проводнике равна 1 амперу, то за одну секунду через поперечное сечение провода проходит заряд, равный 1 Кулону. Или простым языком, все электроны в сумме должны давать заряд в 1 Кулон и они должны в течение одной секунды пройти через поперечное сечение проводника.

Шкала амперметра
Если учесть, что заряд одного электрона 1.6х10-19 , то можно узнать, сколько электронов в 1 Кулоне. А вот для того, чтобы измерять амперы, ученые придумали прибор и назвали его «амперметром».
Амперметр – прибор для измерения силы тока в амперах. Шкалу амперметров градуируют в амперах, килоамперах, миллиамперах или микроамперах в соответствии с пределами измерения прибора. В электрическую цепь амперметр включается последовательно; для увеличения предела измерений – с шунтом или через трансформатор.
Амперметр – это прибор для измерения силы тока в электрической цепи. Любой амперметр рассчитан на измерение токов определенной величины. В электронике в основном оперируют микроАмперами (мкА), миллиАмперами (мА), а также Амперами (А). Следовательно, в зависимости от величины измеряемого тока приборы для измерения силы тока делятся на амперметры (PA1), миллиамперметры (PA2) и микроамперметры (PA3).
![]()
двойной вольметр-амперметр
Измерение значений переменного тока
Знать силу тока, проходящую через определенный участок цепи довольно важно. Это помогает рассчитать сечение кабеля и избежать перегрева токопроводящих жил
Эта статья поможет начинающим электрикам разобраться в нюансах работы и подключения измерительного прибора. Но сначала вспомним немного азов из школьной программы.
Как известно, амперметром называется измерительный прибор, позволяющий определить силу постоянного и переменного тока в электрической цепи. В зависимости от планируемой сферы применения, шкалу измерительного устройства градуируют в амперах, микро- или миллиамперах. Для измерений больших величин используется прибор, шкала которого разделена на килоамперы.
![]()
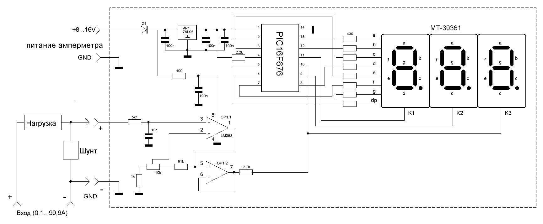
Схема цифрового амперметра
Сотые будут соответствовать четвертому дисплею, которого у нас нет, например «03», если мы ищем нуль сверху, ошибка будет больше, например «08». Повторение процесса три раза в лучшем случае должно быть идеальным.
Будет интересно Что такое цифровой амперметр и чем он лучше обычного
Особенности расчета
Если стандартные шунты с заводскими обозначениями отсутствуют, эти значения можно рассчитать самостоятельно, если вместо сопротивления использовать промышленные резисторы. В этом случае поступают следующим образом:
- Чтобы расширить диапазон шкалы измерений, параллельно к устройству подсоединяется резистор, через который проходит основная часть тока. При этом через измеряющее устройство проходит незначительная часть, достаточная для замеров;
- Следующим шагом определяется максимальное значение тока. Для этого вольтметром, соблюдая полярность, измеряется напряжение на источнике питания. Также определяется общее сопротивление цепи, на которое делится величина напряжения;
- Теперь нужно узнать сопротивление обмотки амперметра. Эта величина указывается в паспорте к прибору или измеряется самостоятельно;
- Остается рассчитать требуемое сопротивление резистора, используемого в качестве шунта. Для этого максимальный ток умножается на общее сопротивление линии, а полученное значение делится на номинальное напряжение источника питания.
Теперь вы знаете не только как , но и как правильно его подключить в электрическую цепь. Надеемся, что этот материал помог вам выйти из ситуации, когда шкалы измерения прибора не хватает для точных замеров. Мы разобрались, что для этого нужно подключить стандартный шунт или рассчитать его самостоятельно. Для определения значения тока в электрической цепи, применяют специальные приборы – амперметры.
Будет интересно Как подключить амперметр к цепи переменного или постоянного тока
Амперметр включается последовательно в исследуемую цепь, и, в силу крайне малого собственного внутреннего сопротивления, данный измерительный прибор не вносит сколь-нибудь существенных изменений в электрические параметры цепи. Шкала прибора градуирована в амперах, килоамперах, миллиамперах или микроамперах. Для расширений пределов измерений, амперметр может быть включен в цепь через трансформатор или параллельно шунту, когда лишь малая доля проходит через прибор, а основной ток цепи течет через шунт.
Интересно почитать: что такое клистроны.
Усиление полной шкалы амперметра
Величина силы отталкивания и, следовательно, амплитуда движения иглы зависит от величины тока, протекающего через катушку. Ранее сообщалось, что объем любого инструмента может быть расширен. В случае амперметра для этой цели используется устройство под названием «шунт».
Это позволяет ему проходить только через движущуюся катушку прибора, то ток, который он может терпеть. Шунт формируется сопротивлением давления омического значения ниже, чем показание движущейся катушки прибора, что позволяет пропустить другую часть тока, не допускаемого.

Цифровой амперметр
Для того чтобы по показанию вольтметра определить напряжение на зажимах приемника энергии или генератора, необходимо его зажимы соединить с зажимами вольтметра так, чтобы напряжение на приемнике (генераторе) было равно напряжению на вольтметре. Сопротивление вольтметра должно быть большим по сравнению с сопротивлением приемника энергии (или генератора) с тем, чтобы его включение не влияло на измеряемое напряжение (на режим работы цепи).
Измерение силы тока амперметром
Первое правило подключения амперметра в цепь говорит о его последовательном подключении. А есть ли разница, где именно при таком подсоединении мы расположим амперметр?
Давайте соберем электрическую цепь. Она будет состоять из источника тока, ключа, электрической лампочки и амперметра (рисунок 6).
Рисунок 6. Последовательное подключение амперметра (вариант №1)
После замыкания цепи, зафиксируем силу тока, которую показал амперметр.
А теперь давайте переместим амперметр в цепи так, чтобы он стоял после лампы, а не до нее (рисунок 7).
Амперметр покажет нам ту же величину силы тока, что и в предыдущем случае.
Рисунок 7. Последовательное подключение амперметра (вариант №2)
А теперь подключим в цепь сразу два амперметра (рисунок 8). И что мы увидим? Они будут показывать одинаковые значения силы тока, точно такие же, как и в предыдущих опытах.
Рисунок 8. Последовательное подключение двух амперметров в электрическую цепь
О чем это нам говорит?
Почему она одинакова? Дело в том, что заряд, который проходит через любое поперечное сечение проводников цепи за $t = 1 \space с$, одинаков. Ведь ток равномерно протекает по всем проводам цепи, нигде не накапливаясь. Его течение можно сравнить с протеканием воды по трубам.
{"questions":,"answer":}}}]}
Отличия амперметров различных конструкций

Магнитоэлектрическая система
В отличие от предыдущего прибора амперметр переменного тока в своей основе имеет электромагнитную систему. Наиболее часто такие устройства используются в сетях на 50-60 Герц. Устройство амперметра предполагает наличие одного либо двух сердечников, соединенных с стрелочным механизмом. Преимуществом конструкции является универсальность, позволяющая помимо переменного измерять и постоянный ток. Сопротивление амперметра электромагнитного типа выше, чем у других моделей, что отражается в худшую сторону на точность результата. Шкала нелинейная, поэтому показания амперметра считать затруднительно. В некоторых случаях в первой половине шкалы ставится точка, говорящая о невозможности измерить ток в данном диапазоне, сохраняя в норме погрешность.

Электромагнитный измеритель
Для уменьшения воздействия влияния внешних магнитных полей используются амперметры ферродинамического типа. Устройство характеризуется высокой точностью измерений. Это позволяет отказаться от установки в приборе дополнительных защитных экранов. В основе конструкции лежит замкнутый ферримагнитный провод. Стрелки амперметра показывает измеряемую величину на нелинейной шкале. Показания амперметра можно снять с требуемой погрешностью не во всем диапазоне измерений, а лишь начиная со значения, обозначенного точкой.

Ферродинамический высокоточный прибор

Цифровой амперметр
Цифровой измеритель силы тока наиболее удобен в пользовании, так как сразу показывает требуемое значение без необходимости получения данных с помощью стрелок амперметра. Часто он входит в состав мультиметра или электронного вольтамперметра. Наиболее современные приборы имеют возможность автоматически выбирать предел измерений. Прибор не чувствителен к горизонтальному либо вертикальному положению. Точность измерений зависит от дискретизации и алгоритма, заложенного для осуществления снятия показаний.

Мультиметр с функцией цифрового амперметра
Типы амперметров
Устройства для определения силы тока могут быть аналоговыми и цифровыми. Среди аналоговых моделей применяется в основном 4 типа приборов:
- Магнитоэлектрический
- Электромагнитный
- Электродинамический
- Ферродинамический
Есть и другие типы, но эти наиболее интересны, так как применяются чаще всего. Каждый работает по своему принципу. Рассмотрим их более подробно.
Магнитоэлектрический прибор
Принцип работы устройства основан на взаимодействии катушки подвижного типа и магнитного поля постоянного магнита, расположенных внутри корпуса.
1 — корректор; 2 — противодействующие пружины; 3 — подвижная катушка; 4 — полюсные наконечники; 5 — стрелка; 6 — сердечник
К достоинствам прибора относится малое потребление мощности во время работы и хорошая измерительная чувствительность с низким коэффициентом отклонений. Также стоит отметить, что все электромагнитные амперметры имеют равномерную шкалу отображения необходимой характеристики. Поэтому можно сделать ровные замеры силы тока с максимальной точностью.
Лабораторная версия магнитоэлектрического амперметра
Из минусов прибора отмечается его сложное устройство, а именно наличие подвижной катушки. К тому же он работает исключительно от постоянного тока, так что это устройство нельзя назвать универсальным. Но несмотря на такие недостатки, магнитоэлектрический прибор пользуется большой популярностью и часто используется в самых разных сферах: как в лабораториях, так и на крупных предприятиях.
Электромагнитный прибор
Это приспособление не имеет подвижной катушки, как у предыдущего вида. Его устройство очень простое. В нем расположен специальный механизм и сердечники. Но сердечник может быть всего один. Сердечники устанавливаются на ось.
Электромагнитный прибор обладает меньшим диапазоном чувствительности, в отличии от магнитоэлектрической модели. Соответственно, точность его замеров ниже. Но у него есть и преимущества, а именно работа как при переменном, так и при постоянном токе, поэтому им очень легко пользоваться.
Электродинамические амперметры
Принцип работы этих моделей основан на взаимодействии полей тока, протекающих по магнитным катушкам. В приборе имеется как подвижная, так и неподвижная катушки. Это основное его преимущество – универсальность.
Недостаток прибора в том, что он слишком чувствителен, поэтому улавливает любые магнитные поля, находящиеся в радиусе его работы. Такие поля могут создавать достаточно сильные помехи, поэтому прибор необходимо использовать только в экранированных зонах.
Ферродинамические амперметры
Этот амперметр является самым точным и эффективным. Сторонние магнитные поля на него практически не оказывают никакого влияния. Соответственно, он не нуждается в дополнительном экранировании. Устройство этого надежного и прочного приспособления состоит из ферримагнитного замкнутого провода. Также в нем расположены неподвижная катушка и сердечник. Такая схема позволяет получить максимально надежные показатели. Именно поэтому ферродинамический амперметр часто применяется в государственных оборонных учреждениях. Им легко пользоваться, он удобен, а главное — все получаемые им показатели наиболее точны, в отличие от предыдущих разновидностей.
Амперметры данного типа предназначены для профессиональных высокоточных измерений
Цифровые модели
Кроме аналоговых амперметров, описанных выше, есть и другая разновидность, впитавшая в себя все современные технологии – цифровые амперметры. Сегодня они завоевывают все больше популярности. Это связано с тем, что подобное приспособление крайне удобно в работе, им легко пользоваться, к тому же прибор имеет небольшие размеры и выдает точные показания. Плюс ко всему — он очень мало весит. Цифровой прибор можно применять в самых разнообразных условиях, он не боится ни тряски, ни вибрации. Механический прибор с такими условиями не справится и не даст точных показаний, в отличие от цифрового.
Стоит отметить, что цифровые модели устойчивы к ударам, поэтому с ними можно работать в непосредственной близи с различными механизмами без страха повреждения прибора. В отличие от механических моделей, его можно использовать в горизонтальном и вертикальном положениях. С помощью цифрового циферблата можно следить за изменениями всех величин с максимально допустимой точностью и с минимальными погрешностями. На такой прибор не оказывают влияние ни атмосферные, ни температурные давления, что позволяет использовать его в условиях улицы.
Разновидности амперметров тока.
Существует два типа устройств, для измерения силы тока, два вида амперметров тока. Тип первый и тип второй.
- Тип первый — аналоговый (он же стрелочный амперметр).
- Тип второй — цифровой.
Тип первый — стрелочный амперметр тока, выглядит он вот таким образом:
Система этого амперметра тока магнитоэлектрическая. А в составе устройства: постоянный магнит, внутри которого вращается катушка из тонкой проволоки. В момент подачи тока катушка направлена на поле при действии момента вращения. Причём величина момента является пропорциональной силе тока. Имеется в устройстве и специальная пружина, которая в момент подачи тока является неким препятствием для вращающейся катушки. Момент упругости пружины в свою очередь пропорционален углу закручивания.
Измерение силы тока происходит таким образом, что при уравновешивании вышеописанных моментов стрелка и показывает искомое значение, равное силе тока, силе воздействия.
Чтобы увеличить предел измерения необходимо параллельно амперметру установить шунт. Резистор, определённой величины, которая рассчитана заранее. Такое устройство названо — резистор шунтирующий.
Для точных измерений с резистором в цепи необходимо придерживаться простых правил. Если в цепи действует измерительный прибор — вольтметр, то входное сопротивление необходимо делать немного больше у самого прибора. В случае работы с амперметром ситуация другая и входное сопротивление прибора следует сделать меньше. В противном случае, если не придерживаться таких правил измерение окажется неверным, и некорректными окажутся показания амперметра. Вся измерительная техника всегда была разработана с учётом неких особенностей и грамотное и правильное использование только залог успешного измерения и результата в целом.
Насколько внимательно отнесётесь к режиму работы устройств мультиметров, настолько правильными окажутся опыты и текущие измерения. Пренебрегая законами и правилами эксплуатации приборов и техники можно не только выяснить неверные результаты измерений, но и испортить устройство, вывести его из строя.
По сей день пользуются аналоговыми амперметрами тока. И это не случайно, их плюсов так много, что люди ещё не скоро смогут от них отказаться. И смогут ли отказаться вообще? Плюсы прибора под названием аналоговый амперметр:
Советуем изучить Конденсатор 104
— не нуждаются в независимом питании;
— удобны в отображении информации;
— имеется винтик, на большинстве моделей, который корректирует точность измерения.
Минус тоже есть, но он всего один и очень невзрачный:
— небольшая инертность стрелок может заставить несколько секунд ожидать результаты измерений.
Тип второй — амперметр тока цифровой. В его составе значатся:
— АЦП (аналого-цифровой преобразователь). Именно он преобразует силу тока в данные цифровые, что в дальнейшем можно видеть на дисплее устройства. Дисплей современного ЖК вида.
Огромное отличие таких видов амперметров только в том, что нет стрелки и нет инертности. Результаты измерения можно видеть сразу на дисплее. Разные виды амперметров тока выводят информацию на экран с различной скоростью. Современные виды к тому же и малогабаритны.
Имеются и минусы таких новичков:
— наличие собственного источника питания должно быть непременно.
Деление на этом амперметров не закончилось. Существуют также виды, которые измеряют силу тока переменного напряжения и измеряющие силу тока постоянного напряжения. Но это не значит, что при отсутствии амперметра для измерения переменного тока Вы не сможете её измерить. Измерить можно, и поможет вот такая схема:
Поможет не собирать каждый раз подобную систему мультиметр. Устройство сочетает в себе сразу несколько функций и может измерить силу тока и постоянного и переменного.
Вот схема для измерения силы тока амперметром:
Типы амперметров
Исходя из вида отсчетного устройства амперметры делятся на приборы с:
— со стрелочным указателем;
— со световым указателем;
— с пишущим устройством;
— электронные устройства.
По принципу действия амперметры разделяются на:
1. Электромагнитные – предназначены для использования в цепях постоянного, переменного тока. Обычно используются в привычных электроустановках переменного тока с частотой 50 Гц.
2. Магнитоэлектрические — предназначены для фиксации силы тока малых значений постоянного тока. Они имеют магнитоэлектрическое измерительное устройство и шкалу с проградуированными делениями.
3. Термоэлектрические приборы предназначены для измерения силы тока в цепях высоких частот. В состав таких приборов входят магнитоэлектрический механизм, выполненный в виде проводника, к которому приваривается термопара. Протекающий по проводку ток вызывает его нагрев, который фиксируется термопарой. Формирующееся излучение своим влиянием вызывает отклонение рамки на угол, который пропорционален силе тока.
4. Ферродинамические приборы — состоят из замкнутого магнитопровода, выполненного из ферромагнитного материала, сердечника и неподвижной катушки. Характеризуются высокой точностью измерения, надёжностью конструкции и низкой чувствительностью к воздействию электромагнитных полей.
5. Электродинамические устройства предназначены для замеров величины силы тока в цепях постоянного / переменного токов повышенных частот (до 200 Гц). Они чувствительны к перегрузкам и внешним электромагнитным полям. Но из-за высокой точности замеров их используют в роли контрольных приборов для поверки действующих амперметров.
6. Цифровые амперметры – современная модель приборов, сочетающая преимущества аналоговых приборов. На сегодня такие устройства завоевывали лидирующие позиции. Это объясняется удобством в работе, легкостью использования, небольшими размерами и высокой точностью получаемых результатов измерений. Кроме того, цифровые приборы можно использовать в разнообразных условиях: он не боится тряски, вибрации и пр. воздействий.
Рассмотрим несколько амперметров разных производителей и разных типов:
1. Амперметры Ам-2 DigiTOP
Технические характеристики:
— Количество входов 1
— Измеряемый переменный ток 1 …50 А
— Погрешность измерения 1%
— Дискретность индикации 0,1 А
— напряжение питания -100…-400 В, 50 (+1) Гц Габаритные размеры 90x51x64 мм
Работоспособность и долговечность бытовой электротехники зависят от качества получаемой электроэнергии. Как правило, к выходу из строя электронной техники, будь то холодильники, телевизоры или стиральные машины, приводит повышение напряжения выше допустимых пределов. Наиболее опасно длительное повышение напряжения выше допустимой отметки. При этом выходят из строя блоки питания электронной техники, перегреваются обмотки электродвигателей, нередко происходит возгорание.
2. Амперметр лабораторный Э537
Данный прибор (амперметр Э537) предназначается для точного измерения силы тока в цепях переменного и постоянного тока.
Класс точности 0,5.
Диапазоны измерения 0,5 / 1 A;
Масса 1,2 кг.
Технические характеристики амперметра Э537:
Конечное значение диапазона измерений 0,5 А/1 А
Класс точности 0,5
Область нормальных частот (Гц) 45 — 100 Гц
Область рабочих частот (Гц) 100 — 1500 Гц
Габаритные размеры 140 х 195 х 105 мм
3. Амперметр СА3020
Цифровое устройство амперметр базовой модели выпускается в нескольких типовых модификациях в зависимости от базового значения параметров замеряемого тока. При заказе данной модели цифрового амперметра, требуется заявить, с каким базовым параметром силы тока Вам придётся работать: 1 А, 2 А или 5 А.
Базовые параметры замеряемого тока, Iн-1 Ампер (СА3020-1), 2 Ампер (СА3020-2) или 5 Ампер (СА3020-5);
Границы замеряемых токов от 0,01 Iн до 1,5 Iн;
Диапазон частот по замеряемым токам от 45 до 850 Герц;
Границы базовой допускаемой существующей погрешности ±0,2% к оптимальному значению параметров замеряемой силы тока;
напряжение по питанию — сеть переменного тока напряжением (85-260) Вольт и частотой (47-65) Герц или постоянное напряжение (120 — 300) Вольт;
Потребляемая устройством мощность не больше чем 4 ВА;
Размерные габариты 144x72x190 мм;
Масса не больше чем 0,55 кг;
Мощность, потребляемая измерительной цепью амперметров серии 3020, не превышает: для СА3020-1 – 0,12 ВA; для СА3020-2 – 0,25 ВA; для СА3020-5 – 0,6 ВA.
Характеристики приборов
Конструкция амперметра достаточно проста: стрелка с катушкой, находящейся в поле постоянного магнита. Принцип функционирования рассматриваемого устройства крайне прост: во время его включения по катушке будет течь электроток. Под воздействием силы Ампера катушка будет поворачиваться до того момента, пока упругость возвратных пружин не совпадет с силой Ампера.
Вам это будет интересно Рейтинг лучших паяльных станций
Нормальное функционирование вольтметра возможно при температурных показателях воздуха не более 25 — 30 градусов с влажностью до 80% и атмосферным давлением 650 — 800 мм ртутного столба. Частота питающей электросети составляет 50 Гц и имеет показатели напряжения 220В (частота не более 400 Гц). На показатели замеров значительное воздействие окажет форма кривой переменного напряжения электросети.
Возможности приспособления оценивают посредством таких параметров и величин:
- Сопротивление рассматриваемого устройства.
- Диапазон замеряемых показателей напряжения.
- Категория точности замеров.
- Диапазон границ частоты напряжения в переменной цепи.
Как измерить ток и напряжение мультиметром?
Как измерить силу тока мультиметром
Запомните одно правило при измерениях: при измерении силы тока, щупы соединяются последовательно с нагрузкой, а при измерении других величин – параллельно.
На рисунке ниже показано, как надо правильно соединять щупы и нагрузку для того, чтобы замерить силу тока:
Черный щуп, который воткнут в гнездо СОМ – его не трогаем, а красный переносим в гнездо, где написано mA или хA, где вместо х – максимальное значение силы тока, которую может замерить прибор. В моем случае это 20 Ампер, так как рядом с гнездом написано 20 А. В зависимости от того, какое значение силы тока вы собираетесь замерять, туда и втыкаем красный щуп. Если вы не знаете, какая примерно сила тока будет протекать в цепи, то ставим в гнездо хА:
Давайте проверим, как все это работает в деле. В нашем случае нагрузкой является вентилятор от компьютера. Наш блок питания имеет встроенную индикацию для показа силы тока, а как вы знаете с курса физики, сила тока измеряется в Амперах. Выставляем 12 Вольт, на мультиметре ручку крутим на измерение постоянного тока. Мы выставили предел измерения на мультике до 20 Ампер. Собираем как по схеме выше и смотрим показания на мультике. Оно в точности совпало со встроенным амперметром на блоке питания.
Для того, чтобы измерить силу тока переменного напряжения мы ставим крутилку мультиметра на значок измерения силы тока переменного напряжения – “А
” и точно также по такой же схеме делаем замеры.
Как измерить постоянное напряжение мультиметром
Возьмем вот такую вот батарейку
Как мы видим, на ней написан ток 550 мАh , который она может выдавать в нагрузку в течение часа, то есть миллиампер в час, а также напряжение, которым обладает наша батарейка – 1,2 Вольта. Напряжение – это понятно, а вот что такое “ток в течение часа”? Допустим, наша нагрузка -лампочка кушает ток 550 мА. Значит лампочка будет светить один час. Или возьмем лампочку, которая светит послабее, и пусть она у нас кушает 55 мА, значит она сможет проработать 10 часов.
Значение 550 мА, которое у нас написано на батарейке, делим на значение, которое написано на нагрузке и получаем время, в течение которого все это будет работать, пока не сядет батарейка. Короче говоря, кто дружен с математикой, тому не составит труда понять сие чудо
Давайте замеряем напряжение на батарейке, один щуп мультиметра ставим на плюс, а другой на минус, то есть подсоединяем параллельно, и вуаля!
В данном случае напряжение на батарейке 1,28 Вольт. Значение на новой батарейке всегда должно превышать то, которое написано на этикетке.
Давайте замеряем напряжение на блоке питания. Выставляем 10 Вольт и замеряем.
Красный – это плюс, черный – минус. Все сходится, напряжение 10,09 Вольт. 0,09 Вольт спишем на погрешность.
Если же мы спутаем щупы мультиметра или щупы блока, то ничего страшного не произойдет. Мультиметр покажет нам такое же значение, но со знаком “минус”.
Имейте ввиду, на таких мультиметрах это не прокатывает
Для того, чтобы точно определить полярность не имея мультиметра, можно прибегнуть к нескольким советам, которые описаны в этой статье.
Как измерить переменное напряжение мультиметром
Ставим на мультике предел измерения переменного напряжения и замеряем напряжение в розетке. Без разницы, как совать щупы. У переменного напряжения нет плюса и минуса. Там есть фаза и ноль. Грубо говоря, один провод в розетке не представляет опасности – это ноль, а другой может здорово попортить ваше самочувствие или даже здоровье – это фаза.
По идее в розетке должно быть 220 Вольт. Но у меня показывает 215. Ничего страшного в этом нет. Напряжение в розетке “играет”. Ровно 220 Вольт вам вряд ли придется увидеть при измерениях напряжения в розетках вашего дома
{SOURCE}
Схемы измерения
Причина такого поведения магнитоэлектрического измерительного прибора при измерении переменного напряжения проста. В таких приборах присутствует постоянный магнит, а направление отклонения стрелки прибора зависит от направления протекания тока в катушке поворачивающейся рамки. В момент положительного полупериода стрелка прибора пытается отклониться в одну сторону, отрицательного – в другую. При достаточно частой смене полярности, например как в потребительской сети 50 Гц, стрелка просто не успевает отклониться в одну сторону, как вдруг ей нужно отклоняться в обратную. При этом можно заметить просто дрожание стрелки, или не заметить ни чего.
Измерительные головки электромагнитной системы в устройстве своём не имеют постоянного магнита, а их принцип действия основан на явлении втягивания предмета из намагничивающегося материала в область центра катушки с током. Направление действия катушки с током на намагничивающийся объект не зависит от направления тока в обмотке катушки. Поэтому такие приборы легко измеряют как постоянный, так и переменный ток или напряжение.





























