Сводим результаты в таблицу
Мы можем определить состояние сигналов Q и Q̃ по следующей таблице истинности:
| Состояние | S | R | Q | Q̃ | Описание | 
| Установка | 1 | 1 | Выход Q̃ =1 | ||
| 1 | 1 | 1 | без изменений | ||
| Сброс | 1 | 1 | Выход Q̃ =0 | ||
| 1 | 1 | 1 | 1 | без изменений | |
| Недопустимое | 1 | 1 | состояние ошибки | 
Видно, что когда S = R = 1, то Q и Q̃ могут быть равны как 1, так и 0 (но не одновременно!) в зависимости от уровней входов S или R перед возникновением данного состояния выходов. Таким образом, при условии S = R = 1 нельзя изменить состояние выходов Q и Q̃. Оно может измениться только при смене уровня с 1 на 0 на одном из входов.
Значение S = R = 0 является нежелательным или недопустимым состоянием, и его следует избегать. Состояние S = R = 0 вызывает установку обоих выходов Q и Q̃ на уровне 1, в то время как состояние Q̃ всегда должно быть обратно Q. Результатом является то, что триггер теряет контроль над Q и Q̃, и если два входа теперь перейдут к состоянию 1, то схема становится неустойчивой и переключается в неопределенное состояние.
8.4 Синхронный Т — триггер (счетный триггер)
Счетные триггеры (или Т-триггеры) реализованы только в виде схем, тактируемых срезом синхроимпульса. В триггерах этого типа имеется только один вход – счетный тактирующий вход Т (рис. 8.9).
Рисунок 8.9 – Условное обозначение (а) и таблица состояний (б) Т-триггера
Таким образом, при или триггер остается в исходном состоянии. При переходе сигнала состояние триггера инвертируется.
Переключение триггера происходит по срезу тактового импульса, т.е. частота выходных импульсов в 2 раза меньше частоты входных на линии Т (рис. 8.10). Т-триггеры применяют в счетчиках.
Рисунок 8.10 – Временная диаграмма работы Т-триггера.
Логическое уравнение Т-триггера имеет такой вид:
.
Это выражение означает, что выход триггера принимает значение, инверсное по отношению к его состоянию до появления среза входного импульса T.
Универсальный JK-триггер
УниверсальныйJK-триггер – это логическая комбинация RS — и Т-триггеров. Это понятие означает, что при некоторых значениях входных сигналов устройство работает как RS-триггер, а при некоторых значениях входов – как T-триггер. Таблица состояний JK-триггера представлена на рис. 8.11.
Рисунок 8.11 – Таблица состояний JK-триггера
JK-триггеры в интегральном исполнении обычно имеют три сгруппированных по И (&) входа (установка триггера в “1”) и аналогично сгруппированных И (&) входа (установка триггера в “0”). Эти входы синхронизированы по срезу сигнала на входе С. Кроме того, такие триггерные устройства имеют статические входы предустановки и , работающие в инверсной логике. Типовое условное обозначение JK-триггера в интегральном исполнении представлено на рис. 8.12-а, пример временная диаграмма его работы – на рис. 8.12-б.
Рисунок 8.12 – Обозначение (а) и временная диаграмма (б) для JK-триггера
Тактовые импульсы С могут быть и периодическими, и единичными. Эти импульсы являются стробом записи бита информации в триггер по входам J и К.
JK-триггеры в интегральном исполнении являются универсальными устройствами, на основе которых могут быть построены основные виды триггеров. При построении триггеров различных типов за счет внешних соединений исключаются из таблицы состояний JK-триггера некоторые комбинации входных сигналов, несущественные для создаваемого триггера (рис. 8.11).
Для получения асинхронного RS-триггера достаточно использовать входы статической предустановки, а на все остальные входы статически подать “0”. Такое подключение показано на рис. 8.13-а.
При построении синхронного RS-триггера группы входов J и Kсоединены вместе, чтобы обеспечить одновременное поступление сигналов R и Sна группы одноименных входов (8.13-б).
Для построения счетного Т-триггера (рис. 8.13-в) необходимо исключить все входные комбинации, кроме . Это достигается статической одновременной подачей «1» на все входы J и K.
Для построения схемы D-триггера (рис. 8.13-г) нужно исключить входные комбинации и , а также сформировать только один информационный вход устройства. При этом учитывается, что в оставшихся комбинациях входы J и K работают в противофазе. Это достигается за счет включения инвертора. Функциональное назначение входа D(вход данных)рассматривается относительно входа J.
Рисунок 8.13 – Построение различных триггеров на основе JK-триггера: а) асинхронный RS-триггер; б) синхронный RS-триггер с предустановкой; в) счетный Т-триггер; г) D-триггер.
Группы входов J и Kиспользуются индивидуально (отдельно каждая линия) для построения синхронных счетчиков (см. Модуль 1 – Тема 10).
Предыдущая статья «8.3 D-триггер (триггер данных)»
Следующая статья >> «9.1 Ввод аналоговых сигналов в МК на основе частотно-импульсной модуляции»
Триггер Шмитта на транзисторах
Триггер Шмитта на транзисторах, так же как и триггер Шмитта на ОУ, является системой двух устойчивых состояний, переход которого из одного состояния в другое связан с амплитудой запускающего импульса.
Подобные триггеры широко используются, в вычислительной технике и всевозможных промышленных приборах, где нужно менять форму сигнала, преобразовывать прямоугольные импульсы из синусоиды колебаний и регистрировать завышение сигнала определенного порога. Стандартная схема триггера Шмитта на двух биполярных транзисторах n-p-n приводится ниже.
Для правильного уяснения работы триггера Шмитта сперва допустим, что на входе транзистора VT1 нет сигнала. Сопротивления R1, R2 и R3, подключены к минусу и плюсу питания, и создают своеобразный делитель напряжения. По отношению к эмиттеру транзистора VT2, падение напряжения на сопротивлении R3 окажется положительным, по причине этого данный транзистор будет открыт.
От источника питания на коллектор транзистора VT2 через резистор R4 идет положительный потенциал. Когда транзистор открыт, ток эмиттера, протекающий через R4, создает на нем падение напряжения. Сквозь вторичную обмотку трансформатора Тр1, имеющего малое сопротивление, потенциал на резисторе R5 оказывается между базой и эмиттером VT1 и формирует обратное смещение на переходе Б-Э. В связи с этим VT1 закрыт. Данное устойчивое состояние схемы Шмитта является одним из двух вероятных состояний.
Электрический паяльник с регулировкой температуры
Мощность: 60/80 Вт, температура: 200’C-450’C, высококачествен…
Подробнее
Вследствие падения напряжения на R4 по причине протекания через него тока, потенциал коллектора VT2 будет намного ниже напряжения питания. При поступлении на вход сигнала, он не окажет никакого воздействия на устойчивость триггера Шмитта, если его амплитуда будет меньше напряжения смещения между эмиттером и базой транзистора VT1, идущего с сопротивления R5.
В том случае если входной сигнал будет по амплитуде больше этого смещения, то произойдет открытие VT1. Из-за снижения потенциала на коллекторе VT1 снижается смещение на базе VT2, и в итоге его эмиттерный ток также снизится.
Из-за этого снизится падение напряжения на сопротивлении R5, а смещение на базе VT1 увеличится и инициирует последующий рост тока через VT1. Падение напряжения на R1 также значительно повысится, что в свою очередь уменьшит смещение на базе VT2 и снизит падения напряжения на R5. Этот алгоритм будет длиться до тех пор, пока VT1 до конца не откроется, а транзистор VT2, не закроется.
Как только ток коллектора VT2 достигнет нуля и на сопротивлении R4 начнет падать напряжение, потенциал же на его коллекторе станет увеличиваться, который пройдя через конденсатор С2 становится выходным сигналом.
Величина и форма сигнала на выходе триггера Шмитта находятся в прямой зависимости от постоянной времени (R4+Rн)C2 и сопротивления нагрузки Rн. Устойчивое положение, которое отвечает закрытому транзистору VT2 и открытому VT1, является вторым состоянием триггера Шмитта, и оно длится, пока есть входной сигнал. И как только входной сигнал пропадет, триггер Шмитта переходит в первоначальное состояние.
Если постоянная времени (R4+Rн)С2 существенно превышает продолжительность входного сигнала, то амплитуда сигнала на выходе триггера Шмитта практически оказывается стабильной, без изменений.
Классификация
RS триггер
Изделия этой категории разделены на две основные группы по принципу сигналов управления. В первой – формируется заданная последовательность выходных сигналов, если установлено состояние «1». После переходе в «0» генерация прекращается. Вторая – способна переключать выходное напряжение соответствующим образом. Как правило, «1» примерно соответствует уровню источника питания.
Также триггеры различают по следующим параметрам:
- синхронность рабочих циклов;
- статические (динамические) способы управления;
- сложность логических схем;
- одно,- или двухступенчатые.
Триггеры на логических элементах и на операционном усилителе
Для реализации статических триггеров хорошо подходит схема усилителя с двумя каскадами. Связь между ними организуют прямую либо с ограничительными резисторами в соответствующих цепях.

 Триггер на логических элементах
Триггер (Trigger) Шмитта
Изделия этой категории могут быть созданы с применением разной элементной базы. В данном разделе рассмотрен триггер Шмитта на транзисторах. Он управляется изменением аналогового сигнала. В зависимости от уровня напряжения, выполняется переключение состояния памяти в соответствующее положение «0» или «1».

 Триггер Шмидта на транзисторах с подключенной нагрузкой
Явление метастабильности.
До сих пор мы предполагали, что сигнал на входе триггера может принимать только два состояния: логический ноль и логическая
единица. Однако синхроимпульс может прийти в любой момент времени, в том числе и в момент смены состояния сигнала на входе
триггера.
Если синхросигнал попадёт точно на момент перехода входным сигналом порогового уровня, то триггер на некоторое время может
попасть в неустойчивое метастабильное состояние, при котором напряжение на его выходе будет находиться между уровнем
логического нуля и логической единицы. Это может привести к нарушению правильной работы цифрового устройства.
Состояние метастабильности триггера подобно неустойчивому состоянию шарика, находящегося на вершине конического холма.
Такая ситуация иллюстрируется рисунком 1. Обычно триггер не может долго находиться в состоянии метастабильности и быстро
возвращается в одно из стабильных состояний. Время нахождения в метастабильном состоянии зависит от уровня
шумов схемы и использованной технологии изготовления микросхем.

Временные параметры триггера в момент возникновения состояния метастабильности и выхода из этого состояния приведены на
рисунке 2. Время tSU (register setup time or tSU) на этом рисунке это минимальное время
перед синхроимпульсом, в течение которого логический уровень сигнала должен оставаться стабильным для того, чтобы избежать
метастабильности выхода триггера. Время tH (register hold time or tH) это минимально необходимое время
удержания стабильного сигнала на входе триггера для того, чтобы избежать метастабильности его выхода. Время состояния
метатастабильности случайно и зависит от многих параметров. На рисунке 2 оно обозначено tMET.

Вероятность того, что время метастабильности превысит заданную величину, экспоненциально уменьшается с
ростом времени, в течение которого выход триггера находится в метастабильном состояние.
где t — это коэффициент обратно пропорциональный коэффициенту усиления и полосе пропускания элементов,
входящих в состав триггера.
Склонность триггеров к метастабильности обычно оценивается величиной, обратной скорости отказов. Это значение выражается
как интервал времени между отказами. Его можно определить по формуле:
где t = tSU − tHfс — тактовая частота
    fd — частота с которой меняются входные данные
Для того чтобы можно было оценить эту величину, приведём таблицу для двух микросхем. Последняя строчка этой таблицы
эквивалентна времени метастабильности tMET = 5 нс.
Таблица 3КМОП
| Условия измерения | SN74ACT | SN74ABT | 
| fc = 33МГц, fd = 8МГц | 8400 лет | 8.1×109 лет | 
| fc = 40МГц, fd = 10МГц | 92 дня | 1400 лет | 
| fc = 50МГц, fd = 12МГц | — | 2 часа | 
Метастабильное состояние не всегда приводит к неправильной работе цифрового устройства. Если время ожидания устройства
после прихода импульса синхронизации достаточно велико, то триггер может успеть перейти в устойчивое состояние, и мы даже
ничего не заметим. То есть если мы будем учитывать время метастабильности tmet то метастабильность никак не скажется на
работе остальной цифровой схемы.
Если же это время будет неприемлемым для работы схемы, то можно поставить два триггера последовательно, как это показано
на рисунке 3. Это снизит вероятность возникновения метастабильного состояния.
Для сравнения приведем MBTF для новой схемы. Сравнение производится тех же самых микросхем, что и в предыдущем примере.
Время метастабильности tMET = 5 нс для 50 МГц, tMET = 5 нс
для 67 МГц, tMET = 5 нс для 80 МГц.
Таблица 4.
Классификация последовательных схем
Последовательные схемы допускается классифицировать по следующим показателям:
- одноступенчатые защёлки, в которых содержатся элемент памяти и устройство управления, их маркируют буквой Т;
- двухступенчатые ячейки: статического и динамического управления, используются для защиты от гонок сигналов, обозначаются буквами ТТ;
- переключатели, имеющие сложную логику: одно,- и двухступенчатые соты.
Одноступенчатые ячейки применяются в качестве первых ступеней в переключателях ТТ с динамической схемой управления, имеют такое же управление. При самостоятельном использовании управление в большинстве своём статическое.
Двухступенчатые устройства имеют как статическое, так и динамическое управление.
Состояние «Установлен»
RS-переключатель в этом состоянии имеет установленную цепь с Q, равным нулю, и Q¯, равным единице, и независим от управляемого сигнала. При этом на R присутствует ноль, на S – логическая единица.
Состояние «Сброшен»
Это тоже неизменная ситуация. Для её организации необходимо выставить исходные условия. На R подаётся «1», на S – «0». При этом выход Q должен иметь «1», Q¯ – значение «0». Обратные связи обеспечивают и фиксируют независимое от последующих значений на входах значение.
Устройство триггера
Триггер по своей схемотехнике очень похож на простейшее электронное устройство — мультивибратор. Но в отличие от него, он имеет два устойчивых положения. Эти состояния обеспечиваются изменениями входного сигнала при достижении им определённого значения. Переход из одного положения в другое называют перебросом. В результате на выходе логического элемента возникает скачок напряжения, форма которого зависит от скорости процессов, проходящих в радиоприборах.
Наибольшее применение получил триггер, работающий на транзисторах. Связанно это со способностью последних работать в ключевом режиме. Биполярный транзистор — это полупроводниковый прибор, имеющий три вывода. Эти электроды называются:
- эмиттер;
- база;
- коллектор.

В грубом приближении транзистор представляет собой два диода, объединённых электрической связью. Состоит он из двух p-n переходов. Название биполярный элемент получил из-за того, что одновременно в нём используются два типа носителей заряда. В триггерных схемах транзистор работает в режиме ключа, суть которого заключается в управлении силой тока коллектора путём изменения значения на базе. При этом коллекторный ток по своей величине превышает базовый.
При таком включении важны лишь токи, а напряжения особой роли не играют. Поэтому при возникновении определённого тока на базе транзистор открывается и пропускает через себя сигнал. Сигнал на коллекторе полупроводникового прибора будет обратным по входному знаку, то есть инвертированным. А значит, когда на базовом выходе будет присутствовать разность потенциалов, на коллекторном она будет равна нулю, и наоборот.
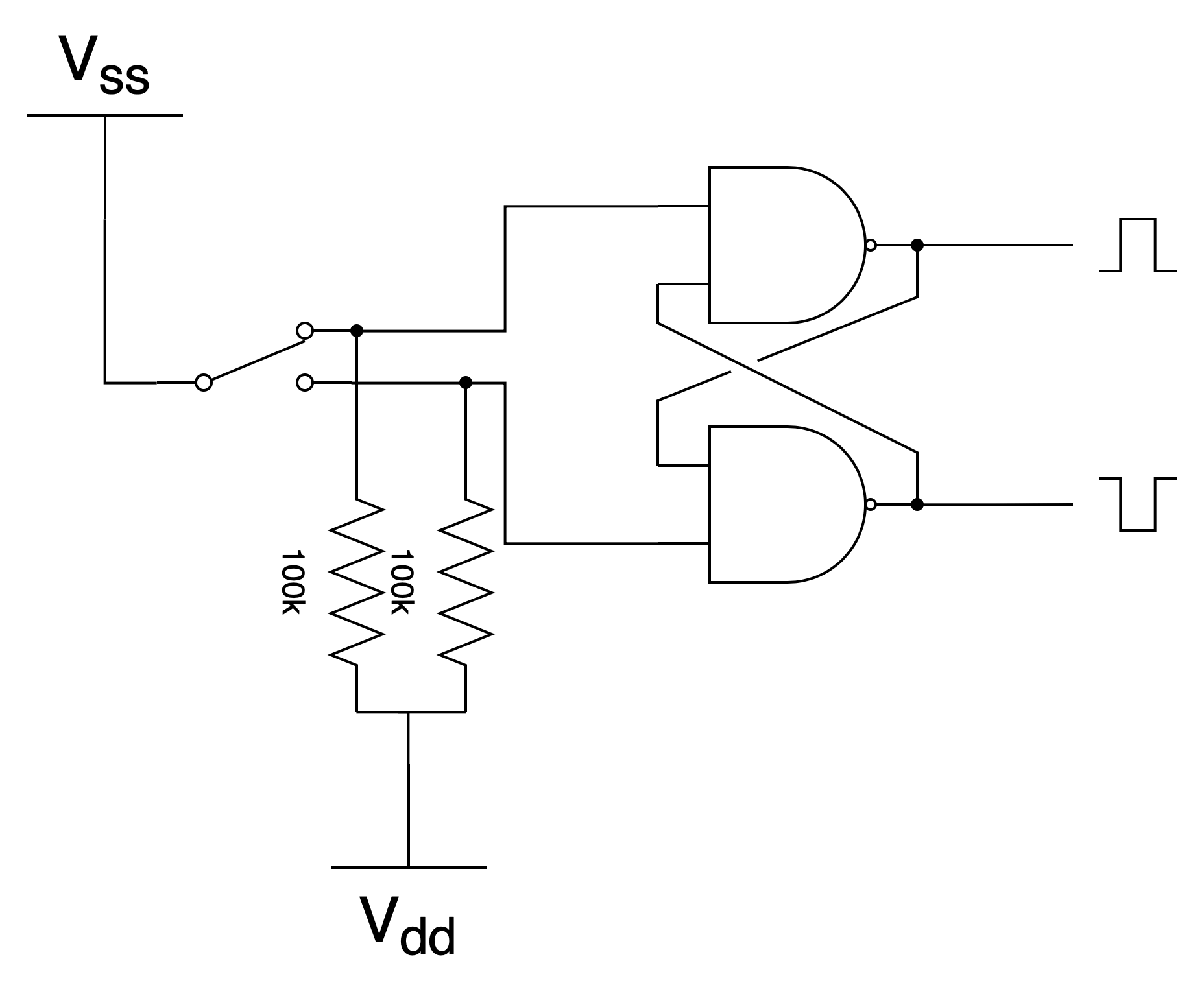
Простой RS-триггер
Внесем минимальные изменения в нашу схему и воспользуемся дополнительными входами NAND. Назовем их nR и nS (not RESETи not SET соответственно, их назначение прояснится в дальнейшем).

Оба входа могут принимать по два значения, итого предстоит разобрать четыре варианта. Начнем с базового случая nR = 1 и nS = 1. При этом на выходах Q и nQ уже есть какие-то значения
Обрати внимание, что если Q = 1, то при nS = 1 результатом операции NAND будет низкий уровень, то есть nQ = 0. И наоборот, если Q = 0, то nQ = 1 и оба выхода в нашей схеме действительно принимают противоположные значения
Другими словами, если один из входов вентиля NAND находится в состоянии логической единицы, то сигнал на выходе определяется как инверсия второго входа — в точности как с инверторами чуть ранее! Таким образом, при nR = 1 и nS = 1схема сохраняет свое старое состояние и выходы не обновляются.
Теперь рассмотрим вариант с nR = 1 и nS = 0. Так как на входе верхнего элемента NAND точно есть хотя бы один ноль, то его выход в любом случае будет равен логической единице. Значит, Q = 1 и, следовательно, nQ = 0. Аналогично, при nR = 0 и nS = 1 мы можем схожим образом вывести, что состояние схемы будет полностью противоположным (Q = 0 и nQ = 1).
Остается разобрать заключительный вариант, где оба входа равны нулю одновременно. На интуитивном уровне можно уже предполагать, что тут что-то не так. Действительно, при nR = nS = 0 результат элемента NAND не может быть положительным ни при каких возможных значениях дополнительного входа (рекомендую проверить по таблице истинности). Следовательно, Q = nQ = 0 и это единственный случай, когда наша схема «сбоит». В дальнейшим мы ее лучшим и обязательно избавимся от этого недостатка.
Но сейчас самое время остановиться и перевести дух. Выше были не самые тривиальные рассуждения и если ты чего-то не понял, то это совершенно нормально. Последовательностные схемы сложнее для восприятия и именно поэтому в предыдущей статье мы начали знакомство именно с комбинационной логики.
Поэтому советую перечитать несколько абзацев выше еще раз. Тем более, что это ключевая схема и далее в статье многие элементы будут основаны именно на ней. А вообще, самый правильный способ разобраться в любой схеме раз и навсегда — это взять ручку и листочек бумаги (или стилус и планшет) и последовательно рассмотреть каждый из возможных вариантов. Я сужу по личному опыту — в твоем случае может сработать что-то еще.
Практическое применение
Надеюсь, теперь принцип работы RS-триггера для тебя больше не секрет и тебе уже не терпится применить полученные знания на практике. Для этого понадобится микросхема IW4011, которая содержит четыре вентиля NAND (подойдет и любой зарубежный аналог).
Наверняка ты уже знаком с таким неприятным явлением в электронике, как дребезг контактов. Он проявляется всякий раз, когда участки цепи коммутируются механически: при нажатии тактовой кнопки, переключении тумблера, реле и во многих других случаях. Как правило, с дребезгом предпочитают бороться программным способом: кратковременные изменения в сигнале (момент соприкосновения контактов) просто игнорируются устройством.
Это распространенный и достаточно эффективный способ: реализацию подобной функции можно найти и в Arduino (библиотека Bounce2). Однако у такого метода есть и свои минусы: обработку сигнала приходится задерживать на какое-то время (порядка нескольких десятков миллисекунд). Во многих случаях это не становится большой проблемой.
Но что, если нажатие на кнопку обрабатывается в прерывании? Или мы проектируем клавиатуру для геймеров и хотим получить минимальное время отклика? Да, «лишние» миллисекунды конечно не выведут тебя на первые строчки в ладдерах популярных игр, но некоторое преимущество точно обеспечат. Попробуем применить здесь RS-триггер и нарисуем такую схему.

Мы используем два вентиля NAND, то есть только «половину» микросхемы CD4011 (К561ЛА7)
Обрати внимание, это не стандартная тактовая кнопка: тут работает перекидной контакт без фиксации, так что в каждый момент времени коммутируются ровно два вывода. Приятная особенность таких кнопок в том, что при нажатии они издают слабый щелчок, похожий на звук переключателей в механической клавиатуре
Аппаратные решения хороши своей простотой и безотказностью — программа может зависнуть или исчерпать доступную память, тогда как с триггерами таких проблем нет.
Триггер на логических элементах
Собсна гря про триггеры (в том числе и триггеры на транзисторах) уже вкратце было рассказано в отдельной статье, здесь-же немного по-подробнее и о том как сделать триггер из «подручных» базовых элементов.
Итак:
Триггер — это устройство, обладающее двумя состояниями устойчивого равновесия. Триггер еще можно назвать устройством с обратными связями. На рисунке изображена схема триггера на логических элементах ИЛИ-НЕ.
Такая схема называется асинхронным RS-триггером. Первый (сверху) выход называется прямым, второй — инверсным. Если на оба входа (R и S) подать лог. нули, то состояние выходов определить невозможно. Триггер установится как ему заблагорассудится, т. е. в произвольное состояние. Допустим, на выходе Q присутствует лог. 1, тогда на выходе не Q (Q с инверсией) обязательно будет лог. 0. И наоборот. Чтобы установить триггер в нулевое состояние (когда на прямом выходе лог. 0, на инверсном — лог. 1) достаточно на вход R подать напряжение высокого уровня. Если высокий уровень подать на вход S, то это переведет его в состояние 1, или как говорят, в единичное состояние (на прямом выходе лог. 1, на инверсном — лог. 0). И в том, и в другом случаях напряжение соответствующего уровня может быть очень коротким импульсом — на грани физического быстродействия микросхемы. То есть, триггер обладает двумя устойчивыми состояниями, причем эти состояния зависят от ранее воздействующих сигналов, что позволяет сделать следующий вывод —триггер является простейшим элементом памяти. Буквы R и S по-буржуйски set — установка, reset — сброс (предустановка). На рис. 2 RS-триггер показан в «микросхемном исполнении».
RS-триггер можно соорудить и на элементах И-НЕ, как показано на рисунке 3. Такая конструкция встречается тоже довольно часто:
Принцип работы такой же, как у триггера на элементах ИЛИ-НЕ, за исключением инверсии управляющих сигналов, т. е. установка и сброс триггера производится не лог. 1, а лог. 0. Другими словами, входы такого триггера инверсные. В описанных триггерах изменение состояния происходит сразу после изменения состояния на входах R и S. Поэтому такие триггеры называются асинхронными.
Если схему асинхронного триггера немного дополнить, то получим вот такое:
В таком триггере вводится дополнительный вход С, называемый тактовым или синхронизирующим. Изменение состояний триггера происходит при подаче сигналов лог. 1 на входы R и S и последующим воздействием на вход С тактового (синхронизирующего) импульса. Если на тактовый вход импульс не воздействует, то состояние триггера не изменится. Другими словами, изменение состояния триггера происходит под действием синхроимпульса, поэтому такие триггеры называются синхронными.
Триггер типа MS
Рассмотрим принцип построения двухступенчатого триггера, который называют также триггером типа MS (от англ. master, slave, что переводят обычно как «ведущий» и «ведомый»). Его упрощенная структурная схема приведена на рис. 3.60. В схеме имеются два одноступенчатых триггера (ведущий М и ведомый S) и два электронных ключа (Кл1 и Кл2).

Временная диаграмма сигнала синхронизации, поясняющая работу триггера, приведена на рис. 3.61.

 Рассмотрим ряд временных интервалов указанной диаграммы:
t < ta — ведущий триггер отключен от информационных входов, ведомый триггер подключен к ведущему;
ta < t < tb — ведущий триггер отключен от информационных входов, ведомый триггер отключен от ведущего;
tb < t < tc — ведущий триггер подключен к информационным входам, ведомый триггер отключен от ведущего. В ведущий триггер записывается информация, поданная на входы;
tc < t < td — ведущий триггер отключен от информационных входов, ведомый триггер отключен от ведущего;
td < t — ведущий триггер отключен от информационных входов, ведомый триггер подключен к ведущему, информация из ведущего триггера переписывается в ведомый. Это происходит сразу после момента времени td и означает, что фактически двухступенчатый триггер срабатывает при изменении сигнала синхронизации от 1 к 0. При этом выходные сигналы определяются теми входными информационными сигналами, которые имели место непосредственно перед отрицательным фронтом сигнала синхронизации.
4.4. Триггеры
Триггер
– это устройство с двумя устойчивыми состояниями, одно из которых – логический нуль, другое – логическая единица. Эти состояния триггера при бесперебойном питании и при отсутствии существенных помех и наводок могут сохраняться сколь угодно долго. Под действием управляющих сигналов триггер способен переключаться из одного состояния в другое. Основноеназначение триггера – хранение двоичной информации. Например, в персональных компьютерах на триггерах собрана кэш-память первого и второго уровней.
Триггер, в отличие от комбинационных схем, относится к новому виду цифровых устройств – цифровым автоматам
. Цифровые автоматы, кроме комбинационных схем, содержат элементы памяти. Если выходные сигналы цифрового автомата зависят как от входных сигналов, так и от состояния запоминающего устройства, то такие автоматы называют автоматами Мили. Если выходные сигналы определяются только состояниями запоминающего устройства, то получим автомат Мура.
Различают несколько разновидностей триггеров: RS
-триггер,D -триггер,JK -триггер. Реже используютсяDV -триггер иТ -триггер. Если для изменения состояния триггера используется синхронизирующий сигнал, то триггер называетсясинхронным (синхронизируемым). Если синхронизирующие сигналы не используются, то триггер называетсяасинхронным .
Например, в простейшем асинхронном RS- триггере
использованы схемы ИЛИ-НЕ (стрелка Пирса) с перекрестными обратными связями (рис. 4.21). Здесь использованы следующие обозначения:R – вход установки триггера в 0;S – вход установки триггера в 1;Q – прямой выход триггера; – вспомогательный (инверсный) выход триггера, сигнал на котором инвертирован относительно прямого выхода. Такие же обозначения используются для наименованиясигналов на соответствующих контактах триггера.
Рассмотрим работу RS
-триггера. Пусть в нулевой момент времени при нулевых сигналах на входахR иS на триггер подано напряжение питания. Однако на выходах триггера в этот момент времени оба выходных сигнала будут равны нулю:
Мгновенно эти сигналы увеличиться не могут, так как в реальных схемах всегда имеются паразитные емкости, а напряжение на конденсаторе скачкообразно измениться не может. Из свойств элемента ИЛИ-НЕ следует, что при нулевых сигналах на его входах напряжение на его выходе должно возрастать до значения логической единицы.
На практике из-за не идентичности двух элементов ИЛИ-НЕ на одном из выходов (Q или ) напряжение возрастает быстрее.
Пусть более быстро напряжение возрастает на выходе Q. Это напряжение поступает на второй логический элемент и начинает уменьшать напряжение на его выходе , устремляя его к нулю. В свою очередь, уменьшающееся напряжение на выходе , попадая на первый логический элемент, еще более ускоряет увеличение напряжения на выходе Q. Таким образом, благодаря положительной обратной связи быстро устанавливается единичное состояние триггера:
Q =
1;= 0.
Подавая на вход R
логическую единицу приS = 0 и используя свойства схемы ИЛИ-НЕ, получим:
Q
= 0; = 1.
Так производится операция установки триггера в нулевое состояние. Если после этого сигнал на входе R
сделать равным 0, то новое состояние триггера сохраняется.
При подаче единицы на вход S
и приR = 0 триггер устанавливается в единичное состояние:
Q
= 1.
Если R =S = 1, то на обоих выходах,Q и , возникают нули, что противоречит определению выходов триггера. Такая комбинация управляющих сигналовзапрещена (после этого работоспо собность триггера не теряется). Таблица состоянийRS -триггера приведена на рис. 4.22.
При хранении состояние триггера в данный момент времени определяется его состоянием в предыдущий момент времени:
где n
– номер временного отсчета. Условное обозначениеRS -триггера приведено на рис. 4.23.
Рассмотренный RS-
триггер при наличии помех часто работает ненадежно. Например, короткие импульсные помехи, попадающие наR — илиS -входы, могут изменить состояние триггера. Для повышения помехоустойчивости и для устранения «состязаний» используютсинхронныйRS-триггер, схема и условное обозначение которого приведены на рис. 4.24,а,б соответственно.
Состояние синхронного триггера может измениться только при установлении логической единицы на входе синхронизации С. В этом случае элементы И «открываются», и управляющие сигналы поступают на входы асинхронного триггера. Такая синхронизация называется статической
.
Предупреждение об использовании файлов cookies на сайте Info KS
В соответствии с законами ЕС, поставщики цифрового контента обязаны предоставлять пользователям своих сайтов информацию о правилах в отношении файлов cookie и других данных. Администрация сайта должна получить согласие конечных пользователей из ЕС на хранение и доступ к файлам cookie и другой информации, а также на сбор, хранение и применение данных при использовании продуктов Google.
Файл cookie – файл, состоящий из цифр и букв. Он хранится на устройстве, с которого Вы посещаете сайт Info KS. Файлы cookie необходимы для обеспечения работоспособности сайтов, увеличения скорости загрузки, получения необходимой аналитической информации.
Сайт использует следующие cookie:
Необходимые для работы сайта: навигация, скачивание файлов. Происходит отличие человека от робота.
Файлы cookie для увеличения быстродействия и сбора аналитической информации. Они помогают администрации сайта понять взаимодействие посетителей сайтом, дают информацию о страницах, которые были посещены. Эта информация помогает улучшать работу сайта.
Рекламные cookie. В эти файлы предоставляют сведения о посещении наших страниц, данные о ссылках и рекламных блоках, которые Вас заинтересовали. Цель — отражать на страницах контент, наиболее ориентированный на Вас.
Если Вы не согласны с использованием нами файлов cookie Вашего устройства, пожалуйста покиньте сайт.
Продолжением просмотра сайта Info KS Вы даёте своё согласие на использование файлов cookie.
Триггер типа D Делитель частоты | D-триггер Clock Divider
Делитель частоты — это цифровая схема, которая делит входную частоту на необходимый коэффициент. Один из таких делителей частоты разработан с D-триггером, который делит входную тактовую частоту на два. Одна инвертированная обратная связь идет от выхода Q ко входу D, который формирует эту схему делителя частоты.
Рис. Схема делителя частоты с D-триггером и ворота NOR.
Разделить на 3 схемы с помощью D-триггера
Данная схема делит входную частоту на три. В этой схеме используется двумерный триггер, а один вентиль ИЛИ-НЕ, который формирует результирующую схему, делит входную частоту на три.
Рис. Схема делителя частоты с D-триггером, который делит частоту на 3.































