Скачки напряжения
Номинальной величиной напряжения считаются отклонения в положительную и отрицательную стороны на 10%, которые не нарушают работу бытовых приборов. Если же происходят скачки кратковременного или импульсного типа с отклонением, превышающим 10%, то это сильно вредит электроприборам. Перепады могут иметь различную частоту, период и амплитудное значение. Причины возникновения скачков следующие:
- Одновременное подключение мощных потребителей.
 - Обрыв нулевого провода.
 - Неквалифицированный ремонт и прокладка электропроводки.
 - Попадание молний в линии электропередач (ЛЭП).
 
Первая причина возникает при одновременном включении мощных потребителей другими жильцами квартирного дома или частного сектора. Трансформаторная подстанция не рассчитана на такую мощность, в результате чего происходит падение напряжения в сети. Основной причиной также могут быть старые ЛЭП, состоящие из множества скруток. Вариантами решения проблемы является закупка дополнительной аппаратуры для борьбы со скачками напряжения или обращение к поставщику электроэнергии.
В некоторых случаях происходит обрыв нулевого провода, однако эта проблема возникает только у потребителей трехфазного напряжения значением в 380 В. Перегорание нуля приводит к повышению напряжения. Например, вся осветительная аппаратура запитана от одной фазы, а электробытовые приборы от двух других. При перегорании или повреждении нулевого провода произойдет повышение значений напряжения для потребителей до 380 В, в результате которого они могут сгореть. Однако большинство электробытовых приборов снабжены защитой в виде предохранителей.

Во время разрядов молнии большинство людей не отключают бытовые электроприборы. Это очень опасно, поскольку молния, попавшая в ЛЭП, может мгновенно вывести из строя подключенное в данный момент оборудование и стать причиной пожара. Для предотвращения этого фактора необходима установка громоотвода, поскольку она попадает в самую высокую точку. В некоторых случаях происходит порча электрооборудования, пожары, угроза жизни и здоровью человека, даже если есть защита от молнии.
Вам это будет интересно Как расшифровать аббревиатуру КИПиА и чем занимается киповец
Простым примером нарушения работы является компрессор холодильника, который при низкой величине напряжения будет постоянно работать, приведет к выходу его из строя. Компьютерная техника будет выключаться, в результате этого могут сгореть некоторые элементы импульсного блока питания, а срок службы жесткого диска заметно уменьшится
К тому же это чревато потерей важной информации. Существует множество аппаратуры для решения этой проблемы, одной из которых и является УЗМ
Схемы подключения устройства защиты УЗМ51М
Монтаж прибора стандартный: в общую линейку на рейки DIP 35 мм с помощью быстозажимных фиксаторов.
  
Никаких ограничений по взаимному размещению для УЗМ нет: ни температурных, ни монтажных.
Подключение в однофазную сеть осуществляется следующим образом:
  
- фазная линия подводится к контактам «L» вход (IN) и выход (OUT);
 - фиксация производится с помощью трех типов отверток, с одинаковой степенью надежности;
 - нулевая линия «N» может подключаться тремя способами:
- одностороннее подключение к любому контакту «N»;
 - сквозное подключение с обеих сторон, как в обычном автомате защиты;
 - подключение с принудительным размыканием линии «N» на входе, для ручного отключения УЗМ по признаку «отсутствует нуль».
 
 
Подключение в трехфазную сеть (применяются три устройства):
  
- фазные линии подводятся к контактам «L» вход (IN) и выход (OUT), как и при однофазном подключении;
 - нулевая линия «N» подключается односторонне, на входную сторону автоматов УЗМ.
 
Скачки напряжения
Номинальной величиной напряжения считаются отклонения в положительную и отрицательную стороны на 10%, которые не нарушают работу бытовых приборов. Если же происходят скачки кратковременного или импульсного типа с отклонением, превышающим 10%, то это сильно вредит электроприборам. Перепады могут иметь различную частоту, период и амплитудное значение. Причины возникновения скачков следующие:
- Одновременное подключение мощных потребителей.
 - Обрыв нулевого провода.
 - Неквалифицированный ремонт и прокладка электропроводки.
 - Попадание молний в линии электропередач (ЛЭП).
 
Первая причина возникает при одновременном включении мощных потребителей другими жильцами квартирного дома или частного сектора. Трансформаторная подстанция не рассчитана на такую мощность, в результате чего происходит падение напряжения в сети. Основной причиной также могут быть старые ЛЭП, состоящие из множества скруток. Вариантами решения проблемы является закупка дополнительной аппаратуры для борьбы со скачками напряжения или обращение к поставщику электроэнергии.
В некоторых случаях происходит обрыв нулевого провода, однако эта проблема возникает только у потребителей трехфазного напряжения значением в 380 В. Перегорание нуля приводит к повышению напряжения. Например, вся осветительная аппаратура запитана от одной фазы, а электробытовые приборы от двух других. При перегорании или повреждении нулевого провода произойдет повышение значений напряжения для потребителей до 380 В, в результате которого они могут сгореть. Однако большинство электробытовых приборов снабжены защитой в виде предохранителей.

Во время разрядов молнии большинство людей не отключают бытовые электроприборы. Это очень опасно, поскольку молния, попавшая в ЛЭП, может мгновенно вывести из строя подключенное в данный момент оборудование и стать причиной пожара. Для предотвращения этого фактора необходима установка громоотвода, поскольку она попадает в самую высокую точку. В некоторых случаях происходит порча электрооборудования, пожары, угроза жизни и здоровью человека, даже если есть защита от молнии.
Вам это будет интересно АСКУЭ: принцип работы и основное назначение системы
Простым примером нарушения работы является компрессор холодильника, который при низкой величине напряжения будет постоянно работать, приведет к выходу его из строя. Компьютерная техника будет выключаться, в результате этого могут сгореть некоторые элементы импульсного блока питания, а срок службы жесткого диска заметно уменьшится
К тому же это чревато потерей важной информации. Существует множество аппаратуры для решения этой проблемы, одной из которых и является УЗМ
Скачки напряжения
Номинальной величиной напряжения считаются отклонения в положительную и отрицательную стороны на 10%, которые не нарушают работу бытовых приборов. Если же происходят скачки кратковременного или импульсного типа с отклонением, превышающим 10%, то это сильно вредит электроприборам. Перепады могут иметь различную частоту, период и амплитудное значение. Причины возникновения скачков следующие:
- Одновременное подключение мощных потребителей.
 - Обрыв нулевого провода.
 - Неквалифицированный ремонт и прокладка электропроводки.
 - Попадание молний в линии электропередач (ЛЭП).
 
Первая причина возникает при одновременном включении мощных потребителей другими жильцами квартирного дома или частного сектора. Трансформаторная подстанция не рассчитана на такую мощность, в результате чего происходит падение напряжения в сети. Основной причиной также могут быть старые ЛЭП, состоящие из множества скруток. Вариантами решения проблемы является закупка дополнительной аппаратуры для борьбы со скачками напряжения или обращение к поставщику электроэнергии.
В некоторых случаях происходит обрыв нулевого провода, однако эта проблема возникает только у потребителей трехфазного напряжения значением в 380 В. Перегорание нуля приводит к повышению напряжения. Например, вся осветительная аппаратура запитана от одной фазы, а электробытовые приборы от двух других. При перегорании или повреждении нулевого провода произойдет повышение значений напряжения для потребителей до 380 В, в результате которого они могут сгореть. Однако большинство электробытовых приборов снабжены защитой в виде предохранителей.

Во время разрядов молнии большинство людей не отключают бытовые электроприборы. Это очень опасно, поскольку молния, попавшая в ЛЭП, может мгновенно вывести из строя подключенное в данный момент оборудование и стать причиной пожара. Для предотвращения этого фактора необходима установка громоотвода, поскольку она попадает в самую высокую точку. В некоторых случаях происходит порча электрооборудования, пожары, угроза жизни и здоровью человека, даже если есть защита от молнии.
Вам это будет интересно Как расшифровать аббревиатуру КИПиА и чем занимается киповец
Простым примером нарушения работы является компрессор холодильника, который при низкой величине напряжения будет постоянно работать, приведет к выходу его из строя. Компьютерная техника будет выключаться, в результате этого могут сгореть некоторые элементы импульсного блока питания, а срок службы жесткого диска заметно уменьшится
К тому же это чревато потерей важной информации. Существует множество аппаратуры для решения этой проблемы, одной из которых и является УЗМ
Устройство защиты многофункциональное УЗМ-50Ц
КОНСТРУКЦИЯ УЗМ-50Ц
Устройство представляют собой реле контроля напряжения с мощным встроенным реле на выходе, дополненное варисторной защитой. Устанавливается на монтажную рейку-DIN шириной 35мм (ГОСТ Р МЭК 60715-2003) с передним подключением проводов питания коммутируемых электрических цепей. Клеммы туннельной конструкции обеспечивают надёжный зажим проводов суммарным сечением до 25мм². На лицевой панели расположены: кнопки управления «+» и «-», двухцветный зелёный/красный светодиод (далее-СД) «норма/авария», жёлтый светодиод (далее-СД) «реле», трёхразрядный семисегментный индикатор для отображения информации.
ПРИНЦИП РАБОТЫ УЗМ-50Ц
При подаче питания устройство начинает контроль сетевого напряжения. Если напряжение сети находится между заданными в настройках значениями верхнего Umax и нижнего Umin порогов срабатывания начинается отсчет времени автоматического повторного включения (АПВ). При этом на индикаторе отображается время в секундах до подключения нагрузки (оборудования) к сети. В процессе отсчета времени АПВ на дисплее периодически появляется индикация «ton». Если до окончания отсчета времени АПВ напряжение сети не выйдет за установленные пороги срабатывания, то по окончании отсчета произойдет подключение нагрузки к сети.
Затем устройство переходит в режим отображения текущего значения напряжения сети, а на индикаторе отобразится знак «U» в течение 1с, затем устройство отобразит текущее значение напряжения сети. Для перехода в режим индикации тока нагрузки необходимо однократно нажать кнопку «-», на индикаторе появится знак «А» в течение 1с, затем устройство отобразит текущее значение тока. Для перехода в режим индикации потребляемой мощности необходимо однократно нажать кнопку «-», на индикаторе отобразится знак «Р» в течение 1с, затем устройство отобразит текущее значение мощности. При нахождении в режиме отображения напряжения, тока или мощности на дисплей с периодичностью 10 секунд на 1 секунду выводится символ выбранного режима отображения (U, A или P).
Кнопка «+» используется для включения или отключения нагрузки без выдержки времени. При нажатии на кнопку «+» изменится состояние контакта реле включено/выключено. Если реле выключено вручную, то сброс и повторная подача питание не приведут к автоматическому включению нагрузки к сети. При выключенном реле на индикаторе с периодичностью в 10 сек. отображается «OFF» в течение 1секунды, и текущее значение входного напряжения.
При работе Устройство осуществляет непрерывный контроль сетевого напряжения и значения мощности потребляемой нагрузкой.
При выходе напряжения сети за установленные пороги срабатывания, устройство отсчитывает задержку срабатывания (табл.1). Если длительность аварии по напряжению сохраняется более соответствующей задержки срабатывания, происходит отключение нагрузки от сети. На дисплее отображается «U.Er» на время 1сек., устройство автоматически переходит в режим отображения измеряемого напряжения. После нормализации напряжения устройство подключает нагрузку, после отсчета времени АПВ. Если в процессе отсчета времени АПВ напряжение сети повторно выйдет за заданные пороги срабатывания, отсчет времени АПВ сбросится.
При напряжении сети ниже 80В, на индикаторе отображается .
Если в процессе работы устройства мощность, потребляемая нагрузкой, превысит установленный порог срабатывания, устройство перейдет в режим отображения мощности «Р» и начнет отсчёт времени отключения нагрузки. В процессе отсчета времени отключения нагрузки светодиод «норма/авария» горит красным и дважды мигает зелёным. Если превышение допустимой мощности сохранится до окончания отсчета времени, устройство отключит нагрузку от сети и начнет отсчет времени включения равный значению времени отключения («t. P», устанавливается в настройках устройства). В процессе отсчета СД «норма/авария» горит зелёным и дважды мигает красным, при этом на индикаторе на 1сек. отображается «ton». Если после включения реле превышение потребляемой мощности сохраняется, повторно начинается отсчёт времени «t. P», при этом время включения «t. P» в следующем цикле увеличивается на это же время «t. P».
С целью уменьшения пусковых токов при включении ёмкостных нагрузок включение встроенного силового реле происходит при нулевом сетевом напряжении (переходе сетевого напряжения через ноль).
При работе Устройство осуществляет запись в энергонезависимую память значений минимального и максимального напряжения сети, максимальной мощности потребляемой нагрузкой, а также количества отключений нагрузки по каждому типу аварии.
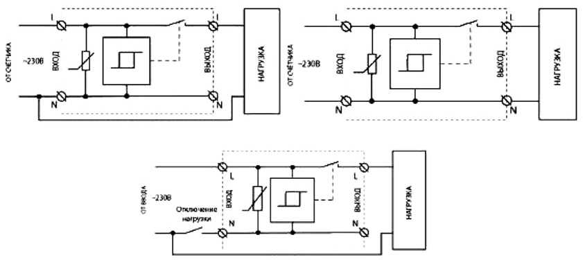
Схемы подключения
Схема подключения УЗМ выполняется по инструкции. При подсоединении устройства к сети следует выполнять следующие требования:
- верхние разъемы – L, предназначены для входа, нижние – для нагрузки, расшифровка значений приводится в паспорте;
 - если устройство не управляется дистанционно, клеммы Y1 и Y2 замыкают между собой;
 - обязательно подключают нулевую клемму – N, в противном случае безопасность прибора не гарантируется;
 - устройство не реагирует на токи короткого замыкания, поэтому параллельно с УЗМ устанавливают автоматы и УЗО в силовую цепь.
 
Сложность схемы определяется количеством потребителей.
Вопрос эксперту
Есть ли аналоги УЗМ?
Многофункциональное устройство может заменить собой реле напряжения, импульсное реле и ограничитель пускового тока. Но в отличие от перечисленных приборов малогабаритный УЗМ заменяет их все.
Скачки напряжения
Номинальной величиной напряжения считаются отклонения в положительную и отрицательную стороны на 10%, которые не нарушают работу бытовых приборов. Если же происходят скачки кратковременного или импульсного типа с отклонением, превышающим 10%, то это сильно вредит электроприборам. Перепады могут иметь различную частоту, период и амплитудное значение. Причины возникновения скачков следующие:
- Одновременное подключение мощных потребителей.
 - Обрыв нулевого провода.
 - Неквалифицированный ремонт и прокладка электропроводки.
 - Попадание молний в линии электропередач (ЛЭП).
 
Первая причина возникает при одновременном включении мощных потребителей другими жильцами квартирного дома или частного сектора. Трансформаторная подстанция не рассчитана на такую мощность, в результате чего происходит падение напряжения в сети. Основной причиной также могут быть старые ЛЭП, состоящие из множества скруток. Вариантами решения проблемы является закупка дополнительной аппаратуры для борьбы со скачками напряжения или обращение к поставщику электроэнергии.
В некоторых случаях происходит обрыв нулевого провода, однако эта проблема возникает только у потребителей трехфазного напряжения значением в 380 В. Перегорание нуля приводит к повышению напряжения. Например, вся осветительная аппаратура запитана от одной фазы, а электробытовые приборы от двух других. При перегорании или повреждении нулевого провода произойдет повышение значений напряжения для потребителей до 380 В, в результате которого они могут сгореть. Однако большинство электробытовых приборов снабжены защитой в виде предохранителей.

Во время разрядов молнии большинство людей не отключают бытовые электроприборы. Это очень опасно, поскольку молния, попавшая в ЛЭП, может мгновенно вывести из строя подключенное в данный момент оборудование и стать причиной пожара. Для предотвращения этого фактора необходима установка громоотвода, поскольку она попадает в самую высокую точку. В некоторых случаях происходит порча электрооборудования, пожары, угроза жизни и здоровью человека, даже если есть защита от молнии.
Вам это будет интересно АСКУЭ: принцип работы и основное назначение системы
Простым примером нарушения работы является компрессор холодильника, который при низкой величине напряжения будет постоянно работать, приведет к выходу его из строя. Компьютерная техника будет выключаться, в результате этого могут сгореть некоторые элементы импульсного блока питания, а срок службы жесткого диска заметно уменьшится
К тому же это чревато потерей важной информации. Существует множество аппаратуры для решения этой проблемы, одной из которых и является УЗМ
Реле УЗМ 51МД
Про данную УЗМ в первую очередь нужно сказать, что это многофункциональное устройство, а не просто защита от искр и дуги. До сих пор было широко известно другое популярное изделие от Меандр — просто УЗМ-51 М, без индекса Д.
Проще говоря, модульное реле напряжения, зарекомендовавшее себя с положительной стороны.
Последние модели УЗМ 51МД, в отличие от первоначальных, к которым было множество претензий, уже стали сносно обеспечивать защиту от опасного искрения и дугового пробоя.
Кстати, старые модели у производителя Меандр, также можно перепрошить и они избавятся от своих ошибок и ложных срабатываний.
Помимо искр, данный аппарат по-прежнему защищает как от скачков напряжения, так и от его падений ниже нормы. Успешно срабатывает при обрыве ноля и защищает технику.
А еще в нем есть варисторная защита от высоковольтных импульсных скачков сетевого напряжения.
Но больших надежд на нее не возлагайте, нормальных УЗИП еще никто не отменял. Без УЗИП собрать полноценный качественный электрощит все равно не получится.
На универсальность только одного модульного аппарата защиты полагаться довольно глупо.
Реле УЗМ 51МД
Про данную УЗМ в первую очередь нужно сказать, что это многофункциональное устройство, а не просто защита от искр и дуги. До сих пор было широко известно другое популярное изделие от Меандр — просто УЗМ-51 М, без индекса Д.
Проще говоря, модульное реле напряжения, зарекомендовавшее себя с положительной стороны.
Последние модели УЗМ 51МД, в отличие от первоначальных, к которым было множество претензий, уже стали сносно обеспечивать защиту от опасного искрения и дугового пробоя.

Кстати, старые модели у производителя Меандр, также можно перепрошить и они избавятся от своих ошибок и ложных срабатываний.
Помимо искр, данный аппарат по-прежнему защищает как от скачков напряжения, так и от его падений ниже нормы. Успешно срабатывает при обрыве ноля и защищает технику.
А еще в нем есть варисторная защита от высоковольтных импульсных скачков сетевого напряжения.
На универсальность только одного модульного аппарата защиты полагаться довольно глупо.
Недостатки стабилизаторов
Несмотря на выраженные преимущества стабилизаторов, они имеют серьезные недостатки, ограничивающие их использование:
- Значительные размеры. Этот параметр прямо зависит от мощности прибора. Даже при минимальном количестве бытовой техники на входе нужно ставить стабилизатор, который не поместится в стандартный электрический щиток. Для него необходимо выделить отдельное место.
 - Необходимость эффективного охлаждения аппарата, т.к. при работе его основные элементы и корпус нагреваются.
 - Высокая цена, возрастающая с увеличением мощности.
 - Необходимость надежной защиты от пыли и влаги. Электромагнитное поле внутреннего трансформатора активно притягивает пыль, а потому необходимо максимально оградить стабилизатор от запыления.
 - Повышенный уровень шума, что требует дополнительной звукоизоляции или вынесение стабилизатора за пределы жилого помещения.
 - Чувствительность электроники стабилизатора к помехам в электрической сети.
 
Характеристики
Общие показатели будут примерно одинаковыми для всех разновидностей приборов
Самое главное, знать, для чего они нужны и на какие параметры обращать внимание при выборе устройства. Более подробно все характеристики отражены в технической документации

Наиболее значимыми среди них являются следующие:
- Возможность по ограничению напряжения при токовой помехе 100А не превышает 1,2 кВ.
 - Способность к поглощению максимальной энергии одиночного импульса 10/1000 мкс составляет 200 Дж.
 - Стандартная импульсная защита должна срабатывать в течение 25 нс и менее.
 - Пороги отключения нагрузки по превышению верхнего предела устанавливаются в диапазоне от 240 до 290 вольт.
 - То же самое при верхнем критическом пороге и ускоренном отключении нагрузки – 300 В плюс-минус 15 вольт.
 - Порог отключения при пониженном напряжении устанавливаются в пределах от 210 до 100 В.
 - Нижний критический порог и ускоренное отключение установлены показателем 80 В плюс-минус 10 вольт.
 - Показатели питания приборов в среднем составляют: номинальное напряжение – 230 В, частота – 50 Гц, максимальное напряжение – 440 В.
 - Электроэнергия, поступающая в работающие приборы для своих нужд, составляет 1,5 Вт*ч, мощность – 1,5 Вт.
 - Нагрузочный ток (номинальный) при условии использования медных проводов, площадью сечения не ниже 16 мм2 – 63 А.
 - Мощность нагрузки (номинальная) при напряжении 250 В – 14,5 кВт.
 - Максимальный нагрузочный ток, который может выдерживаться прибором в течение 30 минут – 80 А.
 - Максимальная мощность нагрузки в аналогичной ситуации – 20 кВт.
 - Величина максимально допустимого тока короткого замыкания – 4500 А.
 
УЗМ-50МД устройство защиты многофункциональное
| Состояние | «норма»/»авария» | «реле»/»дуга» | Примечание | 
| Напряжение в норме, идёт отсчёт времени включения | зелёный мигает с периодичностью 1с | — | по окончании времени задержки реле включается | 
| Напряжение в норме | зелёный | жёлтый | реле включено | 
| Напряжение в норме | зелёный | жёлтый и мигающий оранжевый | Обнаружены признаки искрения | 
| Авария по дуге | красный | красный | обнаружено искрение, произошло оключение реле | 
| Авария по напряжению | красный мигает (период 2с) | — | напряжение больше или меньше нормы | 
| Выключено вручную | зелёный/красный с периодичностью 1с | — | выключили вручную | 
| Напряжение в зоне гистерезиса | зелёный часто мигает | — | приближение напряжения к порогу срабатывания | 
| Выключение (отсчёт времени) | красный мигает с периодичностью 1с | жёлтый | по окончании времени задержки реле выключается | 
Если напряжение приближается к верхнему порогу отключения (гистерезис 5В) начинает мерцать красный индикатор и при выходе напряжения за допустимые пределы, происходит отключение нагрузки от сети, при этом жёлтый индикатор выключается, а красный постоянно горит. При возврате напряжения в норму начинается отсчёт выдержки времени повторного включения при этом зелёный индикатор начинает мигать (если во время отсчёта времени произойдёт выход напряжения за допустимые пределы, время повторного включения сбрасывается) после окончания отсчёта времени нагрузка подключается к сети питающего напряжения.
Если напряжение приближается к нижнему порогу отключения (гистерезис 5В) начинает мерцать зелёный индикатор и при выходе напряжения за допустимые пределы начинается отсчёт времени задержки отключения, при этом красный индикатор начинает мигать, после окончания отсчёта времени происходит отключение нагрузки от сети, при этом жёлтый индикатор выключается, а красный загорается каждые 2 секунды. При возврате напряжения в норму начинается отсчёт выдержки времени включения, при этом зелёный индикатор начинает мигать (если во время отсчёта времени снова произойдёт выход напряжения за допустимые пределы, отсчёт времени сбрасывается) после окончания отсчёта времени нагрузка подключается к сети питающего напряжения. Если принудительно отключили нагрузку от сети нажатием кнопки «ТЕСТ» двухцветная индикация указывает на это поочерёдным включением красного и зелёного индикатора. Повторное нажатие кнопки «ТЕСТ» возвращает изделие в рабочий режим.
Устройства, которые тестировались
- 
IEK УЗДП63-1
Устройство продаваемое под маркой IEK. Это конечно секрет Полишинеля, но для IEK устройства разрабатывает и производит компания Эколайт . Разработка и производство расположены в России. (На хабре есть представитель эколайта YUshakov ) - 
Исток УЗДП-С1-63А-1-2
Устройство разрабатывает и производит компания Эколайт. Разработка и производство расположены в России. - 
УЗМ-50МД
Устройство производит компания Меандр , известная по различной электротехнической продукции. Разработка и производство расположены в России. Эта модель снимается с производства, вместо неё анонсирован выпуск в 2022 другой модели. - 
УЗО-ЭЛТА-2Д
Устройство разработало и выпускает АО «Электроавтомат» в небольшом городке Алатырь в Чувашии. Разработка и производство расположены в России. - 
EKF AFDD-2-25C-pro
Устройство продаёт компания EKF, но разработано устройство совместно с китайскими инженерами и производится в Китае. 
| Исток УЗДП-С1-63А-1-2 | IEK УЗДП63-1 | УЗМ-50МД | УЗО-ЭЛТА-2Д | EKF AFDD-2-25C-pro | |
| Защита от дугового пробоя | + | + | + | + | + | 
| Защита от повышенного напряжения | + | + | + | + | — | 
| Защита от пониженного напряжения | — | — | + | — | — | 
| Защита от импульсных перенапряжений | + | + | + | + | — | 
| Защита от токов короткого замыкания | — | — | — | + | + | 
| Защита от тока утечки | — | — | — | + | — | 





























