Изучаем простую схему
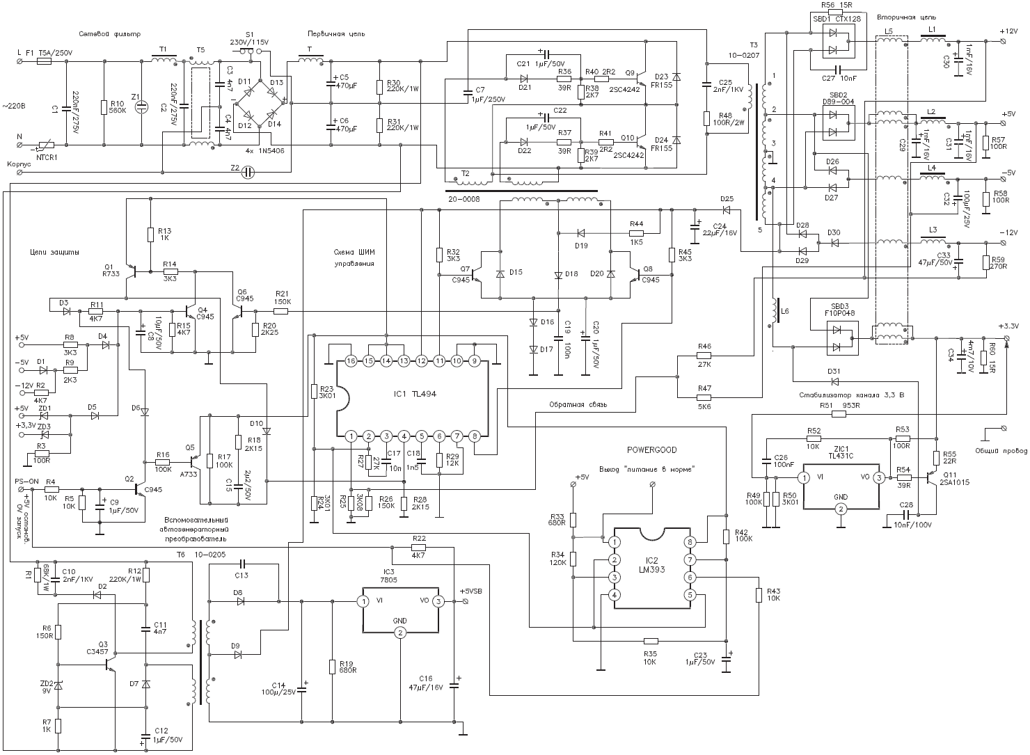
Ладно, ближе к делу. Давайте рассмотрим простую электрическую схему блока питания, которая раньше мелькала в любом советском бумажном издании:
Если вы не первый день держите паяльник в руках, то для вас с первого взгляда сразу все станет понятно. Но среди моих читателей есть и те, кто впервые сталкивается с подобными чертежами. Поэтому, эта статья в основном именно для них.
Ну что же, давайте ее анализировать.
В основном, все схемы читаются слева-направо, точно также, как вы читаете книгу. Всякую разную схему можно представить в виде отдельного блока, на который мы что-то подаем и с которого мы что-то снимаем. Здесь у нас схема блока питания, на который мы подаем 220 Вольт из розетки вашего дома, а выходит уже с нашего блока постоянное напряжение. То есть вы должны понимать, какую основную функцию выполняет ваша схема. Это можно прочесть в описании к ней.
Условные графические обозначения на электросхемах
В связи с тем, что на данный момент существует огромное количество всевозможных элементов электросхем, для каждого из них нужно свое обозначение в виде символов, букв и цифр, а также графических изображений. Чтобы не было разногласий и разночтений, были разработаны нормативные документы, которые недвусмысленно закрепляют за каждым элементом буквенно-цифровое и графическое обозначение. Следующий список включает все основные стандарты условностей:
- ГОСТ 2.710 81 — Требования государственного стандарта к буквенно-цифровым обозначениям различных конструктивных электроэлементов и электроприборов;
- ГОСТ 2.747 68 — Требования к размерным характеристикам графических изображений;
- ГОСТ 21.614 88 — Нормы, которые приняты для планирования монтажа электрооборудования и электропроводки;
- ГОСТ 2.755 87 — Требования по обозначению на схеме контактов, соединений и коммутационного оборудовании;
- ГОСТ 2.709 89 — Стандарт, регулирующий обозначение соединений контактов и проводки;
- ГОСТ 21.404 85 — Требования по обозначению средств автоматизации при описании технических процессов на предприятии.
Чертежи вакуумных приборов
Перед тем, как перейти к обозначениям элементов схем, следует сказать, что и сами схемы имеют буквенное обозначение. Так, структурные схемы обозначаются цифрой 1, функциональные схемы — 2, принципиальные (полные) схемы — 3, монтажные схемы (схемы соединений) — 4, схемы подключения — 5, общие схемы — 6, схемы расположения — 7, а схемы объединения — 0.
Газовый чертеж генератора
По видам обозначения также имеются:
- электрические схемы — Э;
- гидравлические схемы — Г;
- пневматические схемы — П;
- газовые схемы — Х;
- кинематические схемы — К;
- вакуумные схемы — В;
- оптические схемы — Л;
- энергетические схемы — Р;
- схемы деления — Е;
- комбинированные схемы — С.
Вам это будет интересно Пускатель звезда треугольникОптическая схема теодолита
Для всех типов графических документов существуют свои обозначения, которые регулируются специальными государственными стандартами и прочими документами нормативного характера. Например, можно привести основные графические обозначения для некоторых видов электросхем. В функциональных схемах часто обозначаются основные узлы и средства автоматизации.
Таблица функциональных УГО
Согласно картинке, обозначения следующие:
- А — Приборы, которые установлены за электрическим щитом или распределительной коробкой. 1 — основной вид, 2 — допускаемый;
- В — Приборы, которые установлены в пределах электрического щитка или распределительной коробки;
- С — Графическое представление исполнительных механизмов;
- D — Способ влияния исполнительного механизма на орган, который его регулирует в случае отключения питания элемента. Первый вариант — открытие органа регулирования, второй — его закрытие, а третий — отсутствие каких-либо изменений;
- E — Исполнительный механизм с установленным ручным приводом. Такой тип механизма может быть указан также в любом случае из предыдущего пункта списка;
- F — Изображение линий связи: 1 — общая линия, 2 — линия пересечения без соединения, 3 — линия с соединениями.
В однолинейных и полных схемах есть несколько видов обозначений. Ниже будут приведены самые распространенные из них.
Таблица УГО для источников электропитания
На данном изображении приведены следующие виды источников питания:
- А — источники постоянного тока и напряжения. Их полярность определяется знаками «+» и «-» на разных сторонах;
- B — переменное напряжение;
- C — переменное и постоянное напряжение, которое используется в устройстве, которое может работать ото всех типов электроэнергии;
- D — Источник питания аккумуляторного или гальванического типа;
- E — Схематическое изображение батареи или аккумулятора, который состоит из нескольких элементов питания.
УГО электромеханических устройств
Обозначения электромеханических элементов и устройств включает в себя:
- А — Катушки электрических приборов, к которым относятся реле, магнитные пускатели и так далее;
- В — графические обозначения для воспринимающих частей тепловых элементов;
- С — Катушка прибора с блокировкой механического типа;
- D — Контактные элементы приборов коммутации, включающие замыкающие, размыкающие и переключающие типы;
- Е — УГО для переключателей и кнопок;
- F — Обозначение рубильника.
Назначение каждой электросхемы
Структурная
Этот тип документа является наиболее простым и дает понимание о том, как работает электроустановка и из чего она состоит. Графическое изображение всех элементов цепи позволяет изначально увидеть общую картину, чтобы переходить к более сложному процессу подключения или же ремонта. Порядок чтения обозначается стрелочками и поясняющими надписями, что позволяет разобраться в структурной электрической схеме даже начинающему электрику. Принцип построения Вы можете увидеть на примере ниже:

Функциональная
Функциональная электросхема установки, по сути, не слишком отличается от структурной. Единственное отличие – более подробное описание всех составляющих узлов цепи. Выглядит этот документ следующим образом:
![]()
Принципиальная
Принципиальная электрическая схема чаще всего применяется в распределительных сетях, т.к. дает самое раскрытое пояснение о том, как работает рассматриваемое электрооборудование. На таком чертеже должны обязательно быть указаны все функциональные узлы цепи и вид связи между ними. В свою очередь, принципиальная электросхема может иметь две разновидности: однолинейная или полная. В первом случае на чертеже изображают только первичные сети, называемые также силовыми. Пример однолинейного изображения Вы можете увидеть ниже:

Полная принципиальная схема может быть развернутой или элементной. Если электроустановка несложная и на один главный чертеж можно нанести все пояснения, достаточно сделать развернутый план. Если же Вы имеете дело со сложной аппаратурой, которая имеет в составе цепь управления, автоматизации и измерения, лучше разнести все отдельные узлы на разные листы, чтобы не запутаться.
![]()
Существует также принципиальная электросхема изделия. Этот тип документа представляет собой своеобразную выкопировку из общего плана, на которой обозначено только, как работает и из чего состоит определенный узел.
Монтажная
Эту разновидность электрических схем мы чаще всего используем на сайте, когда рассказываем о том, как самостоятельно выполнить монтаж электропроводки. Дело в том, что на монтажной электросхеме можно показать точное расположение всех элементов цепи, способ их соединения, а также буквенно-цифровые характеристики составляющих чертеж установок. Если взять за пример схему электропроводки в однокомнатной квартире, на ней мы увидим, где нужно размещать розетки, выключатели, светильники и остальные изделия.
Из каких частей состоит
В разных типах светильников составные части могут различаться, но основные элементы одинаковы. Разобраться несложно:
- Источник света. Это лампы, которые бывают разных типов. Второй вариант – светодиоды. Встречаются и комбинированные, когда используются два вида источников света.
- Кронштейн (в подвесных и настенных светильниках) или стойка (в напольных и настольных). Основной несущий элемент, на котором крепятся остальные детали. Ответвления к лампам называются рожки. Если конструкция компактная, то все детали расположены внутри корпуса.
- Крепление – элемент, с помощью которого производят монтаж светильника на стену или потолок. У напольных и настольных моделей его нет, есть основание.
- Ток подается через проводку, которая проходит внутри трубчатого кронштейна. Ее характеристики зависят от конструкции светильника и типа используемых источников света.
- Патроны есть во всех моделях, где установлены лампочки. Они делаются под стандартные цоколи.
- Отражатель (плафон) или рассеиватель (абажур) направляют или рассеивают световой поток.
- Управление светильником осуществляется через традиционный выключатель или через пульт дистанционного управления. В настольных, напольных и настенных вариантах может быть шнур питания с вилкой для подключения в розетку.
Плафоны бывают разных форм и размеров.
В конструкцию могут входить различные декоративные элементы. Их изготавливают из разных материалов, все зависит от модели.
Что следует учитывать при монтаже электропроводки?
Монтажные схемы электрооборудования отличаются большей сложностью: необходимо при монтаже указать в тетради основные узлы – пакетники, автоматы, схему прокладки проводов. Подписать, какой выключатель куда идет, к кондиционеру либо стиральной машине, которые зачастую требуют отдельного автомата-предохранителя.

Затем начертить все провода, их расположение, написать расстояние от потолка всех скрытых проводов, зачастую в норме это около 10 см, чтоб минимизировать попадание в линию. Но часто повреждение все равно происходит, и чтоб отремонтировать его, нужно хорошо постараться.
Чтобы этого не произошло, следует все записывать. В пустотелой стене из гипсокартона задача упрощается, потому что провод идет в норме вместе с гофрированной оболочкой, которую повредить винтом либо саморезом не так легко, как провод.

Не скрытый провод лучше поместить либо в гофрированную, либо специальную оболочку, чтоб уберечь провод от возможного повреждения, которое чревато не только заменой, но еще и ударом электрическим током неаккуратного человека.
В ванной комнате лучше использовать провода в двойной оболочке, с надежной изоляцией всех элементов соединения, потому что конденсат обязательно станет причиной короткого замыкания у невнимательных владельцев.
Отличия между чертежом и схемой
Отсутствие сведений о геометрических свойствах предметов, полноты и метрической определенности, позволяющей воспроизвести деталь — основные признаки того, чем отличаются чертежи от схем. Электросхемы в зависимости от назначения, не полностью отражают геометрические характеристики изделий или вообще не отображают формы и размеры предметов. В электротехнике, радиоэлектронике и связи электросхемы обычно иллюстрируют принцип действия устройства.
Существуют различные типы электрических схем, профессиональные электрики или любители должны понимать назначение и отличия чертежей, различать шифры и читать информацию на изображениях.
{SOURCE}
Как подписывать схемы в курсовой
Как подписываются схемы в курсовой работе? Всё зависит от их месторасположения.
Если схемы приводят в тексте работы, то подпись размещают под изображением и ставят порядковый номер. Расстояние между схемой и подписью может различаться. Это зависит от методических требований вуза. Однако, как правило, расстояние составляет одну-две строки.
Важно помнить, что подписи к схемам также должны быть логичными и идти в определённой последовательности. Если же схема сложная и большая, её размещают в Приложении и подписывают следующим образом:
Если же схема сложная и большая, её размещают в Приложении и подписывают следующим образом:
- ставят слово «Рис.»;
- присваивают порядковый номер;
- ставят тире и пишут название схемы.

При этом в самом тексте необходимо сослаться на схему, размещённую в Приложении. Для этого используют внутритекстовую ссылку в круглых скобках:

Если студент не сам рисовал схему, а воспользовался чужой, то необходимо дополнительно разместить ссылку на источник в списке литературы. Она также указывается в подписи.
Образец подписи схемы курсовой работы может выглядеть так:
Нормативные документы
Рисунок 12 1 Точки, соединенные штриховой линией с соединителем, обозначают соединения с соответствующими контактами этого соединителя. Переключатель однополюсный многопозиционный с подвижным контактом, замыкающим три цепи, исключая одну промежуточную 5.
Рисунок 15 5. Виды и типы электрических схем Прежде, чем говорить об условных обозначения на схемах, нужно разобраться, какие виды и типы схем бывают.
При разнесенном способе изображения одинаковых элементов устройств обозначения выводов контактов указывают на каждой составной части элемента устройства.
При необходимости указания ограничения движения привода переключателя применяют диаграмму положения, например 1 привод обеспечивает переход от позиции 1 к позиции 4 и обратно 2 привод обеспечивает переход от позиции 1 к позиции 4 и далее в позицию 1; обратное движение возможно только от позиции 3 к позиции 1 2. Рисунок 3 5.
При однолинейном изображении цепи, выполняющие идентичные функции, изображают одной линией, а одинаковые элементы этих цепей — одним условным обозначением. Допускается входные и выходные элементы изображать по правилам, установленным в 5. При выполнении схемы строчным способом допускается нумеровать строки арабскими цифрами см.
При необходимости на схеме обозначают электрические цепи по ГОСТ 2. Условные графические обозначения радиоэлементов
Беспроводной светодиод
Этот примитивный прибор не имеет какой-либо практической ценности, но способен удивить далеких от электроники людей. Он представляет собой светодиод, который начинает светиться, будучи не подключенным к источнику питания.
Схема основана на одном транзисторе, который является практически полноценным генератором тока высокой частоты. Индуктор представлен в виде обычной проволоки, которая согнута в форме кольца. У светодиода имеется приемная петля, получающая на некотором расстоянии от индуктора электрический сигнал и заставляющая лампочку гореть.

Схема беспроводного светодиода
Для схемы понадобятся:
- 6 пальчиковых батареек;
- Светодиод;
- Транзистор (БФ494);
- Конденсатор на 0.1 мкФ;
- Резистор на 33 кОм;
- Индуктор 330 мкГ;
- Провода.

«Магический» светодиод
Графические обозначения в электрических схемах
В части графических обозначений в электрических схемах ГОСТ 2.702-2011 ссылается на три других ГОСТ:
- ГОСТ 2.709-89 «ЕСКД. Обозначения условные проводов и контактных соединений электрических элементов, оборудования и участков цепей в электрических схемах».
- ГОСТ 2.721-74 «ЕСКД. Обозначения условные графические в схемах. Обозначения общего применения»
- ГОСТ 2.755-87 «ЕСКД. Обозначения условные графические в электрических схемах. Устройства коммутационные и контактные соединения».
Условные графические обозначения (УГО) автоматов, рубильников, контакторов, тепловых реле и прочего коммутационного оборудования, которое используется в однолинейных схемах электрических щитов, определены в ГОСТ 2.755-87.
Однако, обозначение УЗО и дифавтоматов в ГОСТ отсутствует. Думаю, в скором времени он будет перевыпущен и обозначение УЗО будет добавлено. А пока, каждый проектировщик изображает УЗО по собственному вкусу, тем более, что ГОСТ 2.702-2011 это предусматривает. Достаточно привести обозначение УГО и его расшифровку в пояснениях к схеме.
Дополнительно к ГОСТ 2.755-87 для полноты схемы понадобится использование изображений из ГОСТ 2.721-74 (в основном для вторичных цепей).
Все обозначения коммутационных аппаратов построены на четырех базовых изображениях:
с использованием девяти функциональных признаков:
| Наименование | Изображение |
| 1. Функция контактора | |
| 2. Функция выключателя | |
| 3. Функция разъединителя | |
| 4. Функция выключателя-разъединителя | |
| 5. Автоматическое срабатывание | |
| 6. Функция путевого или концевого выключателя | |
| 7. Самовозврат | |
| 8. Отсутствие самовозврата | |
| 9. Дугогашение | |
| Примечание: Обозначения, приведенные в пп. 1 — 4, 7 — 9, помещают на неподвижных контактах, а обозначения в пп. 5 и 6 — на подвижных контактах. |
Основные условные графические обозначения, используемые в однолинейных схемах электрических щитов:
| Наименование | Изображение |
| Автоматический выключатель (автомат) | |
| Выключатель нагрузки (рубильник) | |
| Контакт контактора | |
| Тепловое реле | |
| УЗО | |
| Дифференциальный автомат | |
| Предохранитель | |
| Автоматический выключатель для защиты двигателя (автомат со встроенным тепловым реле) | |
| Выключатель нагрузки с предохранителем (рубильник с предохранителем) | |
| Трансформатор тока | |
| Трансформатор напряжения | |
| Счетчик электрической энергии | |
| Частотный преобразователь | |
| Замыкающий контакт нажимного кнопочного выключателя без самовозврата с размыканием и возвратом элемента управления автоматически | |
| Замыкающий контакт нажимного кнопочного выключателя без самовозврата с размыканием и возвратом элемента управления посредством вторичного нажатия кнопки | |
| Замыкающий контакт нажимного кнопочного выключателя без самовозврата с размыканием и возвратом элемента управления посредством вытягивания кнопки | |
| Замыкающий контакт нажимного кнопочного выключателя без самовозврата с размыканием и возвратом элемента управления посредством отдельного привода (например, нажатия кнопки-сброс) | |
| Контакт замыкающий с замедлением, действующим при срабатывании | |
| Контакт замыкающий с замедлением, действующим при возврате | |
| Контакт замыкающий с замедлением, действующим при срабатывании и возврате | |
| Контакт размыкающий с замедлением, действующим при срабатывании | |
| Контакт размыкающий с замедлением, действующим при возврате | |
| Контакт замыкающий с замедлением, действующим при срабатывании и возврате | |
| Катушка контактора, общее обозначение катушки реле | |
| Катушка импульсного реле | |
| Катушка фотореле | |
| Катушка реле времени | |
| Мотор-привод | |
| Лампа осветительная, световая индикация (лампочка) | |
| Нагревательный элемент | |
| Разъемное соединение (розетка):гнездоштырь | |
| Разрядник | |
| Ограничитель перенапряжения (ОПН), варистор | |
| Разборное соединение (клемма) | |
| Амперметр | |
| Вольтметр | |
| Ваттметр | |
| Частотометр |
Обозначения проводов, шин в электрических щитах определяется ГОСТ 2.721-74.
| Наименование | Изображение |
| Линия электрической связи, провода, кабели, шины, линия групповой связи | |
| Защитный проводник (PE) допускается изображать штрихпунктирной линией | |
| Графическое разветвление (слияние) линий групповой связи | |
| Пересечение линий электрической связи, линий групповой связи электрически не соединенных проводов, кабелей, шин, электрически не соединенных | |
| Линия электрической связи с одним ответвлением | |
| Линия электрической связи с двумя ответвлениями | |
| Шина (если необходимо графически отделить от изображения линии электрической связи) | |
| Ответвление шины | |
| Шины, графически пересекающиеся и электрически не соединенные | |
| Отводы (отпайки) от шины |
4.2 Метод контурных токов
Метод непосредственного применения законов Кирхгофа громоздок. Имеется возможность уменьшить количество совместно решаемых уравнений системы. Число уравнений, составленных по методу контурных токов, равно количеству уравнений, составляемых по второму закону Кирхгофа. Метод контурных токов заключается в том, что вместо токов в ветвях определяются, на основании второго закона Кирхгофа, так называемые контурные токи, замыкающиеся в контурах. На рис. 4.2 в качестве примера изображена двухконтурная схема, в которой I11и I22- контурные токи.
Рис. 4.2
Токи в сопротивлениях R1и R2равны соответствующим контурным токам. Ток в сопротивлении R3, являющийся общим для обоих контуров, равен разности контурных токов I11и I22, так как эти токи направлены в ветви с R3встречно.
Порядок расчета
Выбираются независимые контуры, и задаются произвольные направления контурных токов. В нашем случае эти токи направлены по часовой стрелке. Направление обхода контура совпадает с направлением контурных токов. Уравнения для этих контуров имеют следующий вид:
Перегруппируем слагаемые в уравнениях
(4.4)
(4.5)
Суммарное сопротивление данного контура называется собственным сопротивлением контура. Собственные сопротивления контуров схемы
,.
Сопротивление R3, принадлежащее одновременно двум контурам, называется общим сопротивлением этих контуров.
,
где R12- общее сопротивление между первым и вторым контурами; R21- общее сопротивление между вторым и первым контурами. E11= E1и E22= E2- контурные ЭДС. В общем виде уравнения (4.4) и (4.5) записываются следующим образом:
,.
Собственные сопротивления всегда имеют знак «плюс». Общее сопротивление имеет знак «минус», если в данном сопротивлении контурные токи направлены встречно друг другу, и знак «плюс», если контурные токи в общем сопротивлении совпадают по направлению. Решая уравнения (4.4) и (4.5) совместно, определим контурные токи I11и I22, затем от контурных токов переходим к токам в ветвях. Ветви схемы, по которым протекает один контурный ток, называются внешними, а ветви, по которым протекают несколько контурных токов, называются общими. Ток во внешней ветви совпадает по величине и по направлению c контурным. Ток в общей ветви равен алгебраической сумме контурных токов, протекающих в этой ветви. В схеме нарис. 4.2
Рекомендации
Контуры выбирают произвольно, но целесообразно выбрать контуры таким образом, чтобы их внутренняя область не пересекалась ни с одной ветвью, принадлежащей другим контурам. Контурные токи желательно направлять одинаково (по часовой стрелке или против). Если нужно определить ток в одной ветви сложной схемы, необходимо сделать его контурным. Если в схеме имеется ветвь с известным контурным током, этот ток следует сделать контурным, благодаря чему количество уравнений становится на единицу меньше.
4.3. Метод узловых потенциалов
Метод узловых потенциалов позволяет составить систему уравнений, по которой можно определить потенциалы всех узлов схемы. По известным разностям узловых потенциалов можно определить токи во всех ветвях. В схеме на рисунке 4.3 имеется четыре узла.
Рис. 4.3
Потенциал любой точки схемы можно принять равным нулю. Тогда у нас останутся неизвестными три потенциала. Узел, величину потенциала которого выбирают произвольно, называют базисным. Укажем в схеме произвольно направления токов.
Примем для схемы ᵠ4 = 0.
Запишем уравнение по первому закону Кирхгофа для узла 1.
(4.6)
В соответствии с законами Ома для активной и пассивной ветви
,
Где — проводимость первой ветви.
,
Где — проводимость второй ветви.
Подставим выражения токов в уравнение (4.6).
(4.7)
где g11= g1+ g2- собственная проводимость узла 1.
Собственной проводимостью узла называется сумма проводимостей ветвей, сходящихся в данном узле. g12= g2- общая проводимость между узлами 1 и 2. Общей проводимостью называют проводимость ветви, соединяющей узлы 1 и 2.
— сумма токов источников, находящихся в ветвях, сходящихся в узле 1. Если ток источника направлен к узлу, величина его записывается в правую часть уравнения со знаком «плюс», если от узла — со знаком «минус». По аналогии запишем для узла 2:
(4.8)
для узла 3:
(4.9)
Решив совместно уравнения (4.7), (4.8), (4.9), определим неизвестные потенциалы φ 1,φ2,φ3, а затем по закону Ома для активной или пассивной ветви найдем токи. Если число узлов схемы — n, количество уравнений по методу узловых потенциалов — (n — 1).
ОБЩИЕ ПОЛОЖЕНИЯ
1.1. Условные буквенно-цифровые обозначения (далее обозначения) предназначены:
для однозначной записи в сокращенной форме сведений об элементах, об устройствах и о функциональных группах (далее части объекта) и документации на объект;
для ссылок на соответствующие части объекта в текстовых документах;
для нанесения непосредственно на объект, если это предусмотрено в его конструкции.
1.2. В зависимости от назначения и характера передаваемой информации устанавливаются следующие типы обозначений:
высшего уровня — устройства (дополнительное обозначение);
высшего уровня — функциональная группа (дополнительное обозначение);
конструктивного расположения — конструктивное обозначение (дополнительное обозначение);
элемента — позиционное обозначение (обязательное обозначение);
электрического контакта (дополнительное обозначение);
части объекта, с которой сопрягается данная часть объекта, или места расположения на документе изображения или сведений о данной части объекта (адресное обозначение).
В зависимости от полноты передаваемой информации условное буквенно-цифровое обозначение может иметь простую или сложную структуру, т.е. структуру в виде обозначений отдельных типов или в виде составного обозначения.
При необходимости допускается применять обозначения и их квалифицирующие символы, типы которых не установлены настоящим стандартом. Содержание и способ записи таких обозначений должны быть пояснены в документации на объект (например, на поле схемы).
Определения терминов, используемых в стандарте, приведены в справочном приложении 2.
1.3. Применение условных буквенно-цифровых обозначений в документах устанавливается правилами выполнения соответствующих документов (схем, чертежей, текстовых документов и т.д.).
Устройство и принцип действия
Большинство скважин, обслуживающих дачные участки и жилые загородные дома, имеют глубину подачи воды не более 20м. Данная глубина идеально подходит для использования автоматических насосных станций.

Это устройство представляет совокупность аппаратуры, предназначенной для исполнения двух основных целей:
- Подача воды из источника водоснабжения во внутридомовую сеть.
- Поддержание в водопроводной системе давления, нужного для бесперебойного функционирования сантехнических устройств и бытовых приборов.
При отсутствии в доме воды невозможно функционирование таких благ цивилизации, как душевые, стиральные автоматы, кухонные смесители, канализационная система. Поэтому, насосная станция для частного дома выступает в качестве основы его благоустройства.
На современном отечественном рынке можно встретить значительное количество разных автоматических устройств водоподачи, предназначенных для установки в частном доме. Но, несмотря на некоторые конструктивные различия, все эти модели имеют одинаковый принцип действия, и схожее устройство.

Главные функциональные узлы водонасосных станций:
- Всасывающий насос для подъёма воды из скважины, и подачи её под определённым напором во внутреннюю трубопроводную систему. Чаще всего здесь применяется поверхностный насос. Но, если требуется качать воду с глубокой артезианской скважины, в составе станций используются глубинные погружные насосы.
- Демпферный бак-накопитель или гидроаккумулятор. Это устройство предназначается для создания определённого водного запаса на всякий непредвиденный случай. Например, при поломке насоса, отключении электроэнергии, гидроаккумулятор сможет какое-то время поддерживать давление, давая возможность жильцам пользоваться основными сантехническими приборами.
- Датчики давления (манометры), соединённые с реле, а те, в свою очередь, – с электродвигателем насоса. При перегреве мотора, либо аварийного исчезновения воды в подающей системе, контролирующая аппаратура должна самостоятельно остановить насос во избежание его поломки.
- Блок управления насосной станцией. Здесь расположены кнопки включения/отключения, а также приборы регулировки работы станции. С их помощью можно настроить показатели наибольшего и наименьшего давления, при которых будет происходить самостоятельное включение или отключение устройства.
- Обратный клапан. Устанавливается на водозаборном трубопроводе, и не даёт воде скатываться обратно в питающую скважину.
Обозначение УЗО на однолинейной схеме
Это вид выключающего аппарата, в функции которого входит разъединение сети или ее части, когда произошло превышение определенной отметки дифференциального тока. Устройство способствует повышению электробезопасности, предотвращает возникновение чрезвычайных ситуаций, как в производственной сфере, так и дома. Схема подключения УЗО проста, но недочеты при монтаже могут привести к серьезным неприятностям.
Так можно обозначить УЗО на принципиальной схеме.
УЗО вместе с другими элементами в проектной документации чаще всего выполняют условно, что затрудняет расшифровку принципа работы как всей схемы, так и отдельно взятых элементов. Изображение защитного устройства может выглядеть как обычный выключатель. Но на нелинейной схеме он представляет собой два параллельно расположенных выключателя. На однолинейной – элементы, провода и полюса изображаются символически.
Подключение нулевого и заземляющего провода после УЗО
Любое схематическое изображение должно быть правильно составлено, а в дальнейшем прочитано. Самый маленький изъян может привести к неисправности УЗО или всей системы
Важно учитывать следующие часто встречающиеся ошибки:
- Ноль и заземление соединяются после защитного устройства. Если схема неправильно интерпретирована, нейтраль может быть соединена с открытой частью электроустановки или с нулевым защитным проводником.
- Если устройство подключено неполнофазно, возникает ложное срабатывание автомата.
- Неправильное соединение проводников в розетках приводит к срабатыванию устройства, даже если в розетку ничего не включено.
- Соединение нулевых проводников двух автоматов приводит к неконтролированным отключениям.
- Распространенной ошибкой является ситуация, когда перепутаны фазы и нули, относящиеся к разным устройствам.
- Несоблюдение полярности ведет к движению токов в одном направлении. Перед установкой следует внимательно ознакомиться с расположением клемм.
Всегда выполняется предварительная схема, с учетом возможных ошибок, происходящих в сети. Если документ составлен правильно, работа защитного устройства приносит эффект.
Пример реального проекта
Трехфазное устройство защитного отключения (УЗО)
Однолинейная принципиальная схема (ОПС) не что иное, как чертеж плана, например, квартиры. На нем должны быть указаны распределительные группы. Для этого необходимо измерить все стены и выполнить чертеж с соблюдением масштаба. Понадобится несколько копий, что бы на каждой изобразить отдельную группу.
Распределительные группы – это точки, которые будут подключены к одному автомату квартирного щитка. Всю проводку нельзя подключать к одной группе. В противном случае понадобится мощный кабель, который будет способен выдержать нагрузку всех приборов.
В зависимости от количества комнат и наличия энергопотребляющих устройств распределительные группы могут выглядеть следующим образом.
- освещение комнаты, прихожей и кухни;
- свет и розетки в туалете;
- розетки в жилой комнате;
- розетки в коридоре и кухне;
- электрическая плита.
Помещения с повышенной влажностью рекомендуется подключать отдельной группой, для которой необходима установка УЗО. Если в квартире есть маленькие дети, защитное устройство подключают на каждую группу.
Принципиальная, или однолинейная схема необходима для правильного подключения щитовой и распределительных групп.
В данном примере отражено подключение к трехфазному питанию. Всю квартиру питает вводный кабель из 5 жил, сечением 10 мм2. Фазы пронумерованы, как L1, L2, L3, заземление – PE, которое замыкается с нолем. Вводный автомат (ВА) отключает все автоматы групп, которые маркируются таким же способом.
Количество фаз определяется по количеству черточек на схеме. Однофазная – \, или трехфазная – \\\. Маркировка провода ВВГ НГ говорит о том, что он с негорящей изоляцией, трехжильный с сечением 1,5 мм2.
Чертеж дает возможность определиться с количеством и маркой нужных защитных устройств. Подсчитать число выключателей и розеток, а также, сколько метров кабеля потребуется.
Все соединения проводов должны находиться в распределительных коробках. Рекомендуется для каждого помещения отдельная коробка. Если, например, в кухне располагается газовый котел и другие электроприборы, потребуются две распределительные коробки.
Особых требований по установлению розеток и выключателей не существует. Их устанавливают так, чтобы было удобно. На кухне и на рабочем месте розетки размещают над столом.
Электрические схемы – виды, назначение
Определение электрической схемы звучит примерно так: это принципиальная схема, графическое изображение, с помощью которого отображаются связи между отдельными элементами электрического устройства, которые работают за счет протекания электротока, используя условные графические, а также цифровые и буквенные обозначения. В данном случае работают правила ГОСТ. Проще говоря, в такой схеме электрик обозначает места установки розеток, выключателей, силового кабеля и провода. Разберемся, какие же бывают виды электрических схем и каковы их основные характеристики.
Виды электрических схем, классификация
Данные чертежи можно разделить по видам и типам. Так, согласно правилам, выделяют электросхемы таких видов: пневматические, электрические схемы, газовые, гидравлические, комбинированные, вакуумные, кинематические, оптические, энергетические. Основные типы электрических схем представлены: — Схемы структурные; — Схемы функциональные; — Схемы принципиальные; — Схемы общие; — Схемы подключения и расположения; — Схемы объединенные. В общем-то, уже исходя из названия, становится понятным основное назначение документов. Дополнительно разберем каждый вид по отдельности для того, чтобы иметь общее представление и понимание.
Электросхемы. Виды электрических схем. Назначение.
Схема структурная. Проста и понятна для восприятия, удобна для работы. Это основной источник информации для ознакомления с основными составными частями электроустановки. Такой документ обязательно пригодится в доме при проведении ремонта.
Схема функциональная. Назначение этого чертежа практически не отличается от вышеописанного. Только одно существенное различие состоит в том, что в ней описываются более подробно все составные цепи.
Схема принципиальная. Такие электросхемы применяются там, где присутствуют сложные распределительные сети и есть необходимость составить полную картину работы того или иного оборудования. При этом, данные чертежи могут быть двух видов: однолинейными и полными. Однолинейные дают понимание работы силовых первичных сетей.
Полные же схемы могут быть развернутыми или элементарными. Как правило, к таким сложным схемам всегда прилагаются пояснения.
Схемы монтажные. Самый популярный вид документа, который подсказывает, как провести монтаж проводки в помещении, а также указывает на то, где находятся провода. Основные правила обозначения схем: наличие расположения элементов цепи, виды соединений, цветовая маркировка. Главная задача – облегчить человеку проведение ремонта и предупредить повреждение уже существующей проводки.
Схема объединенная. Как говорит уже само название, данный вид документа соединяет в себе несколько. Используется там, где есть необходимость обозначения всех важных особенностей электроцепи
Так, это важно, например, на больших предприятиях при работе профессиональных электриков
Вот таким образом представлены основные виды электрических схем. Конечно, любой из документов имеет свои особенности и для правильного составления требует наличия дополнительных знаний.






























