Использование мультиметра для проверки светодиодов
Все мультиметры относятся к категории универсальных измерительных приборов. С помощью мультиметра можно выполнить измерения основных параметров у любых электронных изделий. Для того чтобы проверить работоспособность светодиода, необходим мультиметр с режимом прозвонки, который как раз и используется для проверки диодов.
Перед началом проверки переключатель мультиметра устанавливается в режим прозвонки, а контакты прибора соединяются со щупами тестера. Данный способ проверки позволяет заодно решить вопрос, как проверить мощность светодиода мультиметром, на основе полученных данных, вычислить этот параметр будет уже несложно.
Подключение мультиметра должно выполняться с учетом полярности светодиода. Анод элемента соединяется с красным щупом, а катод – с черным. Если же полярность электродов неизвестна, не стоит бояться каких-либо последствий в результате путаницы. В случае неправильного подключения, начальные показатели мультиметра останутся без изменений. Если же полярность соблюдается как положено, то светодиод должен начать светиться.
Существует одна особенность, которую следует учитывать при проверке. Ток мультиметра в режиме прозвонки имеет достаточно низкое значение и диод на него может не отреагировать. Поэтому для того чтобы хорошо разглядеть свечение, рекомендуется уменьшить внешний свет. Если же это невозможно сделать, следует пользоваться показаниями измерительного прибора. При нормальной работоспособности светодиода, значение, отображенное на дисплее мультиметра, будет отличаться от единицы.
Существует еще один вариант проверки с помощью тестера. Для этого на панели управления имеется блок PNP с помощью которого проверяются диоды. Его мощность обеспечивает свечение элемента, достаточное для того, чтобы определить его работоспособность. Анод включается в разъем эмиттера (Е), а катод – в разъем колодки или коллектора (С). При включении измерительного прибора светодиод должен гореть независимо от того, в каком режиме установлен регулятор.
Основным неудобством этого способа является необходимость выпаивания элементов. Для решения проблемы, как проверить светодиод мультиметром не выпаивая, для щупов потребуются специальные переходники. Обычные щупы не войдут в разъемы колодки PNP, поэтому к проводкам припаиваются более тонкие детали, изготовленные из канцелярских скрепок. Между ними в качестве изоляции устанавливается небольшая текстолитовая прокладка, после чего вся конструкция заматывается изолентой. В результате, получился переходник, к которому можно подключать щупы.
После этого щупы подключаются к электродам светодиода, без выпаивания его из общей схемы. При отсутствии мультиметра, проверку можно выполнить по такой же схеме с помощью батареек. Используется тот же переходник, только его проводки соединяются не со щупами, а с выходами батареек при помощи небольших зажимов-крокодильчиков. Потребуется один источник питания на 3 вольта или два источника на 1,5 вольта.
Если батарейки новые с полным зарядом, то проверять светодиоды желтого и красного цвета рекомендуется с помощью резистора. Его расчетное сопротивление должно составлять 60-70 Ом, что вполне достаточно для ограничения тока. При выполнении проверки светодиодов белого, синего и зеленого цвета, токоограничивающий резистор можно не использовать. Кроме того, резистор не требуется, когда батарейка сильно разряжена. Для выполнения своих прямых функций она уже не годится, а для проверки светодиодов ее будет вполне достаточно.
В процессе ремонта бытовой техники или других электронных устройств: монитора, принтера, микроволновки, блока питания компьютера или автомобильного генератора (например, Valeo, БОШ или БПВ) и т.д. возникает необходимость проверить целостность элементов. Расскажем подробно про тестирование диодов.
Учитывая разнообразие этих радиоэлементов, единой методики проверки их работоспособности не существует. Соответственно, для каждого класса есть свой способ тестирования. Рассмотрим, как проверить диод шоттки, фотодиод, высокочастотный, двунаправленный и т.д.
Что касается приборов для тестирования, мы не станем рассматривать экзотические способы проверки (например, батарейку и лампочку), а будем пользоваться мультиметром (подойдет даже такая простая модель, как DT-830b) или тестером. Эти приборы практически всегда есть дома у радиолюбителя. В некоторых случаях потребуется собрать несложную схему для тестирования. Начнем с классификации.
Как проверить электрический стабилизатор?
Для выявления неисправностей устройства нужно выполнить следующие действия:
Предварительная проверка. Ее можно провести без специальных приборов. Для этого понадобятся две настольные лампы одинаковой мощности, электроплитка или другой мощный потребитель, удлинитель питания с несколькими розетками. Подключаем к удлинителю стабилизатор, одну лампочку и электроплитку. Втору лампочку питаем от стабилизатора. Включаем плитку. Если стабилизатор работает правильно, то свет лампы, подключенной к нему не измениться, а свечение лампы, подключенной к удлинителю уменьшится.
Разборка оборудования, тщательное удаление всех загрязнений, очистка контактных площадок до металлического блеска.
Осмотр стабилизатора, выявление электронных компонентов со следами воздействия высокой температуры. Перегретые резисторы выглядят обуглившимися, на транзисторах могут появляться почернения и трещины
Также нужно обратить внимание на вздувшиеся конденсаторы. Еще одним симптомом перегрева является изменение оттенка текстолитовой платы.
Прозвон силовых ключей и других компонентов.
Варианты проверки стабилитрона мультиметром
Стабилитрон относится к электронным приборам с нелинейной вольт-амперной характеристикой. Его свойства характерны обычному диоду. Но есть и существенное различие между ним и диодом. Для проверки исправности стабилитрона можно использовать много различных лабораторных приборов и стендов. На практике, для ремонта электронной начинки, радиолюбители используют мультиметры или тестеры со стрелочной шкалой индикации. Чтобы выявить неисправность стабилитрона своими руками нужно хорошо знать его характеристики и уметь пользоваться мультиметром. Как проверить стабилитрон этим прибором, не прибегая к сложным и длительным лабораторным экспериментам, можно рассмотреть на примере.
Мощность рассеивания стабилитрона
Мощность рассеивания стабилитрона Pст характеризует его способность не перегреваться выше определенной температуры на протяжении длительного времени. Чем выше значение Pст, тем больше тепла способен рассеять полупроводниковый прибор. Мощность рассеивания рассчитывается для самых неблагоприятных условий работы прибора, поэтому в ниже приведенную формулу подставляют максимально возможное в работе Uвх и наименьшие значения Rб и Iн:
Существует ряд стандартных номиналом по данному параметру: 0,3 Вт, 0,5 Вт, 1,3 Вт, 5 Вт и т.п. Чем больше Pст, тем больше габариты полупроводникового прибора.
Проверяем фотодиод
При простой проверке измеряется обратное и прямое сопротивление помещенного под источник света радиоэлемента, после чего его затемняют и повторяют процедуру. Для более точного тестирования потребуется снять вольтамперную характеристику, сделать это можно при помощи несложной схемы.

Пример схемы для снятия вольтамперных характеристик
Для засветки фотодиода в процессе тестирования можно использовать в качестве источника освещения лампу накаливания мощностью от 60Вт или поднести радиодеталь к люстре.
У фотодиодов иногда встречается характерный дефект, который проявляется в виде хаотического изменения тока. Для обнаружения такой неисправности необходимо подключить тестируемый элемент так, как это показано на рисунке, и измерять величину обратного тока в течение пары минут.

Проверка на «ползучесть»
Если в процессе тестирования уровень тока будет оставаться неизменным, значит, фотодиод можно считать рабочим.
Тестирование без выпайки.
Как показывает практика, протестировать диод не выпаивая, когда он находится на плате, как и другие радиодетали (например, транзистор, конденсатор, тиристор и т.д.), не всегда удается. Это связано с тем, что элементы в цепи могут давать погрешность. Поэтому перед тем, как проверить диод, его необходимо выпаять.
Оценка статьи:
Сохранить себе в:
Как проверить стабилитрон мультиметром на плате Ссылка на основную публикацию
Похожие публикации
Braun texstyle control 2400 watt как разобрать
Как проверить стабилитрон мультиметром на плате?
Проверяя стабилитрон на плате необходимо понимать, что другие радиокомпоненты могут сильно влиять на показания мультиметра или другого прибора. Если есть сомнения в проверяемом экземпляре, тогда лучше всего его демонтировать с платы и проверять отдельно.
В процессе ремонта бытовой техники или других электронных устройств: монитора, принтера, микроволновки, блока питания компьютера или автомобильного генератора (например, Valeo, БОШ или БПВ) и т.д. возникает необходимость проверить целостность элементов. Расскажем подробно про тестирование диодов.
Учитывая разнообразие этих радиоэлементов, единой методики проверки их работоспособности не существует. Соответственно, для каждого класса есть свой способ тестирования. Рассмотрим, как проверить диод шоттки, фотодиод, высокочастотный, двунаправленный и т.д.
Что касается приборов для тестирования, мы не станем рассматривать экзотические способы проверки (например, батарейку и лампочку), а будем пользоваться мультиметром (подойдет даже такая простая модель, как DT-830b) или тестером. Эти приборы практически всегда есть дома у радиолюбителя. В некоторых случаях потребуется собрать несложную схему для тестирования. Начнем с классификации.
Методы проверки стабилитрона мультиметром и тестером

Внешне стабилитрон похож на диод, выпускается в стеклянном и металлическом корпусе. Его главное свойство заключается в сохранении постоянного напряжения на своих выводах при достижении определенного потенциала. Это наблюдается у него при достижении напряжения туннельного пробоя.
Обычные диоды при таких значениях быстро доходят до теплового пробоя и перегорают. Стабилитроны, их еще называют диодами Зенера, в режиме туннельного или лавинного пробоя могут находиться постоянно, без вреда для себя, не доходя до теплового пробоя.
Прибор изготавливается из монокристаллического кремния, в электронной аппаратуре выступает как стабилизатор или опорное напряжение.
Высоковольтные защищают от перенапряжений, интегральные стабилитроны со скрытой структурой используются в качестве эталонного напряжения в аналого-цифровых преобразователях.
Проверка тестером
Так как стабилитрон и диод имеют почти одинаковые вольтамперные характеристики за исключением участка пробоя, то мультиметром стабилитрон проверяется, как и диод.
Проверка осуществляется любым мультиметром в режиме прозвона диода или определения сопротивления. Выполняются такие действия:
- переключателем устанавливают диапазон измерения Омов;
- к выводам радиодетали подсоединяются измерительные щупы;
- мультиметр должен показать единицы или доли Ом, если его внутренний источник питания подключится плюсом к аноду;
- поменяв щупы местами, меняем полярность напряжения на выводах полупроводника и получаем сопротивление близкое к бесконечности, если он исправен.
Чтобы убедиться в исправности стабилитрона переключаем мультиметр на диапазон измерения сопротивления в килоомах и проводим измерение.
При исправном приборе, показания должны лежать в пределах десятков и сотен тысяч Ом. То есть он пропускает ток, как обычный диод.
Частные случаи
Иногда, мультиметр при проверке исправного полупроводника в режиме измерения сопротивления при обратной полярности показывает значение сильно отличающееся от ожидаемого.
Вместо сотен килоом – сотни ом. Создается впечатление, что он пробит, и прозванивается в обе стороны.
Это возможно в случае использования в мультиметре внутреннего источника питания, превышающего напряжение стабилизации стабилитрона.
Полупроводник уменьшает свое внутреннее сопротивление до тех пор, пока не достигнет напряжения стабилизации. Поэтому при измерениях необходимо это учитывать.
Иногда, при прозвонке мультиметр показывает большое сопротивление при прямом и обратном потенциале. Скорее всего, это двуханодный стабилитрон, поэтому для него полярность значения не имеет.
Проверка диода Зенера на печатной плате затруднена влиянием других элементов. Для надежного контроля работоспособности необходимо выпаять один вывод, производить измерения вышеописанным способом.
Тестер для стабилитронов
Проверка стабилитронов мультиметром не дает 100% гарантии их исправности. Это связано с тем, что он не может проверить его основные параметры. Поэтому многие радиолюбители изготавливают тестер стабилитронов своими руками.
Схема самого простого варианта состоит из набора аккумуляторов, постоянного резистора номиналом 200 Ом, переменного сопротивления на 2 кОм и мультиметра.
Аккумуляторы соединяются последовательно для получения потенциала необходимого для измерения параметров стабилитронов. Напряжения стабилизации в основном лежат в пределах 1,8-16 В.
Поэтому собирается батарея на 18 В. Затем к ее выводам параллельно подсоединяем последовательную цепочку из переменного резистора на 2 кОм мощностью 5 Вт и постоянного на 200 Ом.
Второй будет играть роль ограничивающего сопротивления. Выводы переменного резистора присоединяются к трехконтактной клеммной колодке.
К первому контакту присоединяется вывод, подключенный к плюсу батареи, ко второму другой крайний вывод, а к третьему средний подвижный контакт резистора.
В других вариантах тестеров можно применять импульсные источники питания с регулируемым напряжением выходного каскада, но суть не меняется, измерителем остается мультиметр.
Проверка супрессора (TVS-диода)
Защитный диод, он же ограничительный стабилитрон, супрессор и TVS-диод. Данные элементы бывают двух типов: симметричные и несимметричные. Первые используются в цепях переменного тока, вторые – постоянного. Если кратко объяснить принцип действия такого диода, то он следующий:
Увеличение входного напряжения вызывает уменьшение внутреннего сопротивления. В результате увеличивается сила тока в цепи, что вызывает срабатывание предохранителя. Преимущество устройства заключается в быстроте реакции, что позволяет принять на себя переизбыток напряжения и защитить устройство. Скорость срабатывания – главное достоинство защитного (TVS) диода.
Теперь о проверке. Она ничем не отличается от обычного диода. Правда есть исключение – диоды Зенера, которые также можно отнести к TVS семейству, но по сути это быстрый стабилитрон, работающий по «механизму» лавинного пробоя (эффект Зинера). Но, проверка работоспособности скатывается к обычной прозвонке. Создание условий срабатывания приводит к выходу элемента из строя. Другими словами, способа проверки защитных функций TVS-диода нет, это как проверить спичку (годная она или нет) пытаясь поджечь.
Где выполнить проверку стабилизаторов?
Стабилизаторы представляют собой достаточно сложные устройства. Существует множество разновидностей этих устройств, различающихся принципом действия и конструкцией. Для грамотной диагностики аппаратов чаще всего необходимо специальное оборудование и обширные познания в области электроники. Если вы не знаете, как проверить стабилизатор напряжения, лучше не пытайтесь проводить диагностику самостоятельно, а доверьте эту работу профессионалам.
Стабилизаторы напряжения – это электронные приборы со сложным устройством, а значит, они имеют разные накладки в функционировании и возможные неисправности. Существуют разные казусы в их работе, которые связаны с наибольшими нагрузками, а есть и настоящие поломки. Эти понятия следует отличать, для чего существует несколько советов.
В первую очередь, рассмотрим, чем можно произвести качественную проверку работы этого устройства. Наиболее верным методом контроля качества устройства является обычный вольтметр, которым можно измерить напряжение в сети квартиры, а также напряжение на выходе прибора. В домашней розетке напряжение способно колебаться в интервале 170-240 вольт, а на выходе стабилизирующего прибора оно должно равняться 220 вольтам.
Но простым методом проверки действия стабилизатора напряжения пользуются далеко не все, так как доверяют данным по индикатору. Но это доверие не всегда оправдывается, а иногда на китайских приборах цифровой индикатор просто подключен непосредственно к реле. В этом случае реле имеют достаточно большой шаг, и он всегда будет показывать 220 В. По факту на выходе будет совсем другое значение.
Как проверить стабилитрон: кренку тестером, на плате
Многие люди сталкиваются с проблемой частого отключения электроэнергии, перегрузки сети и короткого замыкания, в результате действия которого ломается дорогая аппаратура в доме.
В качестве решения проблемы осуществляется установка стабилизатора напряжения или стабилитрона.
Что собой представляет устройство, каков принцип его работы, какова сфера его применения и как проверить стабилитрон? Об этом и другом далее.
Описание устройства
Стабилизатор напряжения считается коммутационным устройством, главное предназначение которого кроется в защите сети от большого количества электричества, образующегося из-за короткого замыкания и перегрузки.
Данный аппарат включается и отключается от электроцепи. Оснащен магнитным видом расцепителя или электромагнитным.
Главным его плюсом служит тот факт, что он позволяет защитить электрическую установку или трансформаторную подстанцию от перенапряжения, перегрузки сети и поломки в результате частого отключения сети.
Определение стабилизатора из справочника
Назначение проверки
Стабилизатор напряжения — аппарат, используемый в качестве вводного устройства. Его ставят перед счетчиком. Используется в сети с одной, двумя и тремя фазами. Может быть применен для одного электроприбора с мощностью более 6 киловатт. Трехполюсный может быть использован для оборудования более 9 киловатт.
Чаще всего его используют, чтобы защитить бытовые электрические или нагревательные приборы. Также он может быть использован, чтобы уберечь систему освещения, двигатель, трансформатор и электронные электроприборы промышленного масштаба.
Обратите внимание! Проверять стабилизатор напряжения нужно, чтобы он мог исправно работать и помогать пользователю защищать электрическую цепь от перенапряжения, короткого замыкания и прочих неприятностей. Делать это нужно обязательно, поскольку иногда сам стабилизатор может стать причиной поломки электроцепи и всего бытового оборудования. Проверка работоспособности аппарата для защиты цепи
Проверка работоспособности аппарата для защиты цепи
Емкость стабилитрона
Как правило, информация о том, сколько вольт имеет стабилитрон, указана на корпусе самого аппарата. Также эти данные указываются в технической документации.
В случае, если надписи и документации нет, есть третий вариант того, как узнать, на сколько вольт стабилитрон — поискать эту информацию в интернете. Старые модели можно отыскать в интернет-справочниках.
Зарубежные модели имеют более простую маркировку, нежели российские аналоги. Все сведения отражаются на корпусе устройства под буквой V.
Вам это будет интересно Проверка симистораНадпись с количеством вольтов в устройстве
Основные параметры стабилитронов
Для того чтобы подобрать нужный стабилитрон необходимо разбираться в маркировках полупроводниковых приборов. Раньше все типы диодов, включая и стабилитроны, обозначались буквой “Д” и цифрой определяющей, что же это за прибор. Вот пример очень популярного стабилитрона Д814 (А, Б, В, Г). Буква показывала напряжение стабилизации.
| Д814Б | 2С147А |
|
|
Рядом паспортные данные современного стабилитрона (2C147A), который использовался в стабилизаторах для питания схем на популярных сериях микросхем К155 и К133 выполненных по ТТЛ технологии и имеющих напряжение питания 5V.
Чтобы разбираться в маркировках и основных параметрах современных отечественных полупроводниковых приборов необходимо немного знать условные обозначения. Они выглядят следующим образом: цифра 1 или буква Г – германий, цифра 2 или буква К – кремний, цифра 3 или буква А – арсенид галлия. Это первый знак. Д – диод, Т – транзистор, С – стабилитрон, Л – светодиод. Это второй знак. Третий знак это группа цифр обозначающих сферу применения прибора. Отсюда: ГТ 313 (1Т 313) – высокочастотный германиевый транзистор, 2С147 – кремниевый стабилитрон с номинальным напряжением стабилизации 4,7 вольта, АЛ307 – арсенид-галлиевый светодиод.
Вот схема простого, но надёжного стабилизатора напряжения.
Между коллектором мощного транзистора и корпусом подается напряжение с выпрямителя и равное 12 – 15 вольт. С эмиттера транзистора мы снимаем 9V стабилизированного напряжения, так как в качестве стабилитрона VD1 мы используем надёжный элемент Д814Б (см. таблицу). Резистор R1 – 1кОм, транзистор КТ819 обеспечивающий ток до 10 ампер.
Транзистор необходимо разместить на радиаторе-теплоотводе. Единственный недостаток данной схемы – это невозможность регулировки выходного напряжения. В более сложных схемах подстроечный резистор, конечно, имеется. Во всех лабораторных и домашних радиолюбительских источниках питания есть возможность регулировки выходного напряжения от 0 и до 20 – 25 вольт.
Методы проверки стабилитрона мультиметром и тестером

Внешне стабилитрон похож на диод, выпускается в стеклянном и металлическом корпусе. Его главное свойство заключается в сохранении постоянного напряжения на своих выводах при достижении определенного потенциала. Это наблюдается у него при достижении напряжения туннельного пробоя.
Обычные диоды при таких значениях быстро доходят до теплового пробоя и перегорают. Стабилитроны, их еще называют диодами Зенера, в режиме туннельного или лавинного пробоя могут находиться постоянно, без вреда для себя, не доходя до теплового пробоя.
Прибор изготавливается из монокристаллического кремния, в электронной аппаратуре выступает как стабилизатор или опорное напряжение.
Высоковольтные защищают от перенапряжений, интегральные стабилитроны со скрытой структурой используются в качестве эталонного напряжения в аналого-цифровых преобразователях.
Проверка тестером
Так как стабилитрон и диод имеют почти одинаковые вольтамперные характеристики за исключением участка пробоя, то мультиметром стабилитрон проверяется, как и диод.
Проверка осуществляется любым мультиметром в режиме прозвона диода или определения сопротивления. Выполняются такие действия:
- переключателем устанавливают диапазон измерения Омов;
- к выводам радиодетали подсоединяются измерительные щупы;
- мультиметр должен показать единицы или доли Ом, если его внутренний источник питания подключится плюсом к аноду;
- поменяв щупы местами, меняем полярность напряжения на выводах полупроводника и получаем сопротивление близкое к бесконечности, если он исправен.
Чтобы убедиться в исправности стабилитрона переключаем мультиметр на диапазон измерения сопротивления в килоомах и проводим измерение.
При исправном приборе, показания должны лежать в пределах десятков и сотен тысяч Ом. То есть он пропускает ток, как обычный диод.
Частные случаи
Иногда, мультиметр при проверке исправного полупроводника в режиме измерения сопротивления при обратной полярности показывает значение сильно отличающееся от ожидаемого.
Вместо сотен килоом – сотни ом. Создается впечатление, что он пробит, и прозванивается в обе стороны.
Это возможно в случае использования в мультиметре внутреннего источника питания, превышающего напряжение стабилизации стабилитрона.
Полупроводник уменьшает свое внутреннее сопротивление до тех пор, пока не достигнет напряжения стабилизации. Поэтому при измерениях необходимо это учитывать.
Иногда, при прозвонке мультиметр показывает большое сопротивление при прямом и обратном потенциале. Скорее всего, это двуханодный стабилитрон, поэтому для него полярность значения не имеет.
Для проверки исправности потребуется приложить напряжение чуть больше стабилизирующего, при этом менять полярность. Измеряя токи, проходящие через него и сравнивая вольтамперные характеристики прибора можно выяснить состояние устройства.
Проверка диода Зенера на печатной плате затруднена влиянием других элементов. Для надежного контроля работоспособности необходимо выпаять один вывод, производить измерения вышеописанным способом.
Тестер для стабилитронов
Проверка стабилитронов мультиметром не дает 100% гарантии их исправности. Это связано с тем, что он не может проверить его основные параметры. Поэтому многие радиолюбители изготавливают тестер стабилитронов своими руками.
Порядок проверки
Проверку производят обычным тестером, переключив прибор в диапазон для измерений диодов или сопротивления.

Подключение мультиметра для проверки
Как проверить резистор мультиметром
Поэлементное описание проверки имеет вид:
- на приборе выбирается режим измерения сопротивления;
- щупы тестера подключаются к выводам детали;
- оцениваются показания прибора, высвечиваемые на дисплее.
Когда собственный источник питания мультиметра подключен плюсовым щупом к аноду, то на дисплее можно зафиксировать показания сопротивления от нескольких долей Ома до его единиц. После замены местами измерительных щупов при исправном элементе получают бесконечно большое сопротивление.
Помня о том, что стабилитрон ведёт себя, как простой диод, устанавливают интервал измерений в кОм. В этом случае сопротивление исправной радиодетали доходит до сотен кОм.
Информация. Показания, выданные на дисплей тестером, часто вводят в заблуждение проводящего измерения. Одинаково высокое сопротивление при различных подключениях щупов не всегда означает пробой элемента. Поданное для измерений напряжение внутреннего источника может превысить номинальное напряжения пробоя, тогда полученные результаты будут ложными.
Как проверить стабилитрон мультиметром на работоспособность
Стабилитрон относится к электронным приборам с нелинейной вольт-амперной характеристикой. Его свойства характерны обычному диоду. Но есть и существенное различие между ним и диодом. Для проверки исправности стабилитрона можно использовать много различных лабораторных приборов и стендов. На практике, для ремонта электронной начинки, радиолюбители используют мультиметры или тестеры со стрелочной шкалой индикации. Чтобы выявить неисправность стабилитрона своими руками нужно хорошо знать его характеристики и уметь пользоваться мультиметром. Как проверить стабилитрон этим прибором, не прибегая к сложным и длительным лабораторным экспериментам, можно рассмотреть на примере.
Что такое стабилитрон
Его работа основана на нелинейной вольт-амперной характеристике p-n перехода. Отличие от диодов и светодиодов заключается в наличии на вольт-амперной характеристике зоны пробоя. Она показывает, что при возрастании тока в нагрузке напряжение остается практически неизменным. Это свойство называют стабилизационным, а электронный элемент получил название стабилитрон. Устройства, где они применяются, называются стабилизаторы. Стабилитроны изготавливаются, в основном, в стеклянном или металлическом корпусе. Они бывают низковольтными и высоковольтными. Чтобы убедиться в исправности элемента его проверяют мультиметром.
Порядок проверки
Чтобы проверить деталь на исправность, мультиметр используют в режиме измерения сопротивления или в режиме проверки диодов. Тестером или мультиметром стабилитроны прозваниваются точно также как и диоды. К выводам стабилитрона прикладывают щупы и считывают показания со шкалы индикации. Измерения должны проводиться в прямом и обратном направлении, то есть сначала прикладываем плюс мультиметра к катоду, а затем к аноду стабилитрона. Прибор должен показать в первом случае бесконечное сопротивление, а во втором случае покажет единицы или десятки Ом.
Такие показатели говорят об исправности стабилитрона. Если измерение сопротивления показывают в обоих направлениях бесконечность, то это говорит об обрыве p-n перехода и неисправности.
Бывает так, что при прозвонке стабилитрона мультиметр показывает в обоих направлениях десятки или сотни Ом. В этом случае создается впечатление, что стабилитрон пробит. Именно такой вывод можно было бы сделать, если бы это был обычный диод. Но в случае стабилитрона такой вывод неверен, он, скорее всего, исправен. Объясняется это наличием напряжения пробоя.
При прикладывании щупов мультиметра к выводам стабилитрона прикладывается напряжение внутреннего источника питания мультиметра. Если напряжение источника питания выше значения напряжения пробоя, то шкала индикации покажет сопротивление десятков или сотен Ом.
Если мультиметр имеет источник питания напряжением, например, 9 Вольт, то все проверяемые стабилитроны с напряжением стабилизации меньше 9 Вольт при измерении будут показывать пробой.
Как проверить стабилитрон мультиметром на плате
При ремонте платы, где расположен стабилитрон необходимо предусмотреть меры защиты от поражения электрическим током. Порядок действий при проверке электронного устройства такой же, как и при проверке выпаянного стабилитрона. Но нужно учесть, что остальные радиоэлементы, расположенные в схеме на плате, могут сильно изменить показания. Если остаются сомнения в правильности интерпретации результатов проверки, то стабилитрон демонтируют из платы и проверяют его без влияния остальных компонентов схемы.Нужно отметить, что исправность элемента нельзя гарантировать со стопроцентной уверенностью при проверке его мультиметром. Ее можно гарантировать в том случае, если поместить его в схему и включить электронное устройство с этой схемой. Если устройство будет работать, то это означает, что элемент исправен.
vseotoke.ru
Каждый радиолюбитель знает, как бывает иногда важно знать, исправна ли та или иная радиодеталь или нет. Не в последнюю очередь это касается стабилитронов. В качестве тестера для проверки электрокомпонентов на предмет наличия напряжения стабилизации служит мультиметр
В качестве тестера для проверки электрокомпонентов на предмет наличия напряжения стабилизации служит мультиметр.
Как проверить двусторонний стабилитрон
Бывает, что после выпаивания из платы полупроводникового элемента, при изменении полярности на щупах, сопротивление оказывается большим в обоих случаях. Это не обязательно говорит об обрыве. Проверяемый компонент схемы может быть двусторонним стабилитроном. Как проверить стабилитрон мультиметром?
Чтобы протестировать его работоспособность, нужно:
- увеличить прилагаемое напряжение измерения;
- менять полярность, подаваемую щупами тестера на выводы;
- измерять токи и сравнивать ВАХ исследуемой детали.
Совокупность действий поможет определить, исправен или нет такой зенер диод. Зная о том, что в такой радиодетали катоды внутри соединены между собой, необходимо собрать схему.
В схему входят следующие компоненты:
- тестер;
- резистор сопротивлением 1 кОм (R);
- ИП до 30 вольт.
Для измерения все вместе соединяется в схему:
- подключают резистор к « + » источника питания;
- стабилитрон присоединяют на второй контакт резистора;
- щуп тестера подсоединяют с свободному выводу R и клемме « – » ИП;
- прибор включается в разрыв: « + » ИП и « – » ИП;
- на приборе выбирается наиболее подходящий режим.
При проверке зинер диода с напряжением стабилизации схема будет рабочей, если, изменяя Uпит в границах 13-30 В, на дисплее прибора сохраняется в пределах 12 В, даже при смене полярности.
Важно! Никакой измерительный прибор не может гарантировать, что полученные результаты действительно верны. Для проверки нужно включить в схему полупроводник, подать питание и провести измерения, которые выявляют неисправную деталь
Возможные отказы элементов электрических схем при проверке их под напряжением
При проверке электрических схем под напряжением возможны отказы в работе отдельных элементов схем. Все эти отказы можно свести к нескольким видам:
- Отсутствие контактата, где он должен быть, — нарушение в работе контактов в аппаратах, слабые контакты в зажимах, повреждения проводов.
- Наличие контакта там, где его не должно быть, — нарушение в работе контактов в аппарате, замыкание между токоведущими частями, замыкание на корпус токоведущих частей оборудования.
- Наличие обходной цепи для тока (шунтирование) – например пробой на корпус кнопочного поста мимо кнопки. Это вызывает самовключение аппарата, что может быть при сырости и токопроводящей пыли.
- Несоответствие схеме некоторых аппаратов и ее частей, например катушка аппарата на другое напряжение, чем напряжение в схеме управления. Все эти неисправности могут проявляться периодически что затрудняет их поиск. Методы наладки в таких случаях зависят от особенностей схемы.
Заключение
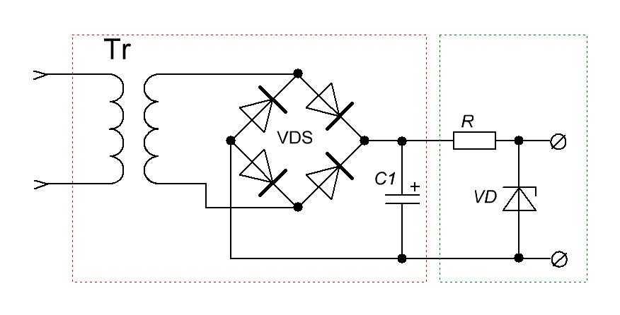
Раньше, во времена дефицитных деталей и начала расцвета электроники, стабилитрон часто использовался, как ни странно, для стабилизации выходного напряжения блока питания. В старых советских книгах по электронике можно увидеть вот такой участок цепи различных источников питания:

Слева, в красной рамке, я пометил знакомый вам участок цепи блока питания. Здесь мы получаем постоянное напряжение из переменного. Справа же, в зеленой рамке, схема стабилизации ;-).
В настоящее время трехвыводные (интегральные) стабилизаторы напряжения вытесняют стабилизаторы на стабилитронах, так как они в разы лучше стабилизируют напряжение и обладают хорошей мощностью рассеивания.
На Али можно взять сразу целый набор стабилитронов, начиная от 3,3 Вольт и до 30 Вольт. Выбирайте на ваш вкус и цвет.

Можете посмотреть видео на тему «КАК РАБОТАЕТ СТАБИЛИТРОН (ДИОД ЗЕНЕРА)», рекомендую.





























