Как сделать лучевую векторную диаграмму связей в Excel

Сначала взглянем на то, что мы пытаемся построить и визуально оценим объем работы. Выглядит интересно? Тогда читайте дальше, чтобы узнать, как это создать.
Чтобы создать лучевую диаграмму в Excel для визуального анализа взаимоотношений в сети, нам нужно сначала понять ее различные составляющие.
Как видите, диаграмма содержит следующие части:
- Набор точек, каждая из которых представляет одну заинтересованную сторону – участники сети.
- Набор сероватых толстых сплошных и тонких пунктирных линий, представляющих все отношения между людьми. Сплошные – сильные связи (например, друзья), пунктирные – слабые связи (знакомые).
- Набор зеленых толстых и синих пунктирных линий, представляющих отношения для выбранного конкретного участника сетевой группы.
- Срез для выбора анализа участника – как панель управления лучевой диаграммой.
- Табличка со сводной статистикой выбранного человека.
Способ 2
Построение векторных диаграмм с учетом всех известных значений для цепи переменного тока с последовательным соединением конденсатора, резистора и катушки индуктивности. При таком построении нам так же известно напряжение самой цепи. Цепь состоит из:
- Резистора UR;
- Конденсатора UC;
- Катушки UL.
Далее надо:
- На плоскости Im откладывается вектор UR (резистор). Его направление точно совпадает с током, поэтому это будет горизонтальная линия.
- От точки отсчета откладывается вниз вектор UC (конденсатор). Вектор откладывается под углом 90 градусов вниз, так как он имеет указанное ранее опережение 90°.
- От этой же точки отсчета откладывается вектор UL (катушка индуктивности). Ее значение откладывается ровно на 90 градусов вертикально, так как есть сдвиг фазы на 90 градусов.

Данная диаграмма может использоваться для контроля и расчета влияния всех известных параметров цепи и элементов, а также их взаимосвязи между собой.
- Показать результат сложения вектора UL и UC.
- При увеличении величины сопротивления определить разницу между напряжением и сопротивлением можно, используя новый вектор Um.
- Кроме того можно определить угол сдвига фазы φ в цепи.

Основное преимущество векторной диаграммы заключается в следующем — простое и быстрое сложение, вычитание двух параметров во время расчета электрических цепей.
Понятие о векторах и векторных диаграммах также подразумевает расчет цепи питания трехфазной сети, подключенной по методу звезды. Она строится с учетом сразу 3 отложенных векторов от 0 оси ординат. Такое построение определяет вектор от источника тока к приемнику. Строится вектор со следующими значениями:
- На оси ОХ откладываются настоящие значения величин, а на оси OY мнимые значения.
- Угловая величина обозначается как W.
- Также присутствует сам вектор Im и угол сдвига фаз φ.
Далее нужно сделать:
- На плоскости выбрать точку отсчета.
- От нее отложить вектор Im, учитывая угол сдвига фаз равный 90°.
- Длина вектора Im равна значению его напряжения и откладывается в выбранном масштабе.

Таким же образом на плоскость накладываются еще две прямые линии. Общая диаграмма покажет симметричность фаз или их сдвиг при появлении короткого замыкания. Такая диаграмма может стать примером для расчета напряжения, тока или нагрузки на каждую фазу с моделированием различных параметров.
Действия с векторами. Коллинеарность векторов
В школьном курсе геометрии рассматривается ряд действий и правил с векторами: сложение по правилу треугольника, сложение по правилу параллелограмма, правило разности векторов, умножения вектора на число, скалярное произведение векторов и др. Для затравки повторим два правила, которые особенно актуальны для решения задач аналитической геометрии.
Правило сложения векторов по правилу треугольников
Рассмотрим два произвольных ненулевых вектора и :
Требуется найти сумму данных векторов. В силу того, что все векторы считаются свободными, отложим вектор от конца вектора :
Суммой векторов и является вектор . Для лучшего понимания правила в него целесообразно вложить физический смысл: пусть некоторое тело совершило путь по вектору , а затем по вектору . Тогда сумма векторов представляет собой вектор результирующего пути с началом в точке отправления и концом в точке прибытия. Аналогичное правило формулируется для суммы любого количества векторов. Как говорится, тело может пройти свой путь сильно поддатым по зигзагу, а может и на автопилоте – по результирующему вектору суммы.
Кстати, если вектор отложить от начала вектора , то получится эквивалентное правило параллелограмма сложения векторов.
Умножение вектора на число
Сначала о коллинеарности векторов. Два вектора называются коллинеарными, если они лежат на одной прямой или на параллельных прямых. Грубо говоря, речь идёт о параллельных векторах. Но применительно к ним всегда используют прилагательное «коллинеарные».
Представьте два коллинеарных вектора. Если стрелки данных векторов направлены в одинаковом направлении, то такие векторы называются сонаправленными. Если стрелки смотрят в разные стороны, то векторы будут противоположно направлены.
Обозначения: коллинеарность векторов записывают привычным значком параллельности: , при этом возможна детализация: (векторы сонаправлены) или (векторы направлены противоположно).
Произведением ненулевого вектора на число является такой вектор , длина которого равна , причём векторы и сонаправлены при и противоположно направлены при .
Правило умножения вектора на число легче понять с помощью рисунка:
Разбираемся более детально:
1) Направление. Если множитель отрицательный, то вектор меняет направление на противоположное.
2) Длина. Если множитель заключен в пределах или , то длина вектора уменьшается. Так, длина вектора в два раза меньше длины вектора . Если множитель по модулю больше единицы, то длина вектора увеличивается в раз.
3) Обратите внимание, что все векторы коллинеарны, при этом один вектор выражен через другой, например,. Обратное тоже справедливо: если один вектор можно выразить через другой, то такие векторы обязательно коллинеарны
Таким образом: если мы умножаем вектор на число, то получится коллинеарный (по отношению к исходному) вектор.
4) Векторы сонаправлены. Векторы и также сонаправлены. Любой вектор первой группы противоположно направлен по отношению к любому вектору второй группы.
Какие векторы являются равными?
Два вектора равны, если они сонаправлены и имеют одинаковую длину. Заметьте, что сонаправленность подразумевает коллинеарность векторов. Определение будет неточным (избыточным), если сказать: «Два вектора равны, если они коллинеарны, сонаправлены и имеют одинаковую длину».
С точки зрения понятия свободного вектора, равные векторы – это один и тот же вектор, о чём уже шла речь в предыдущем параграфе.
Векторные диаграммы и комплексное представление
Векторные диаграммы можно считать вариантом (и иллюстрацией) представления колебаний в виде комплексных чисел. При таком сопоставлении ось Ox соответствует оси действительных чисел, а ось Oy — оси чисто мнимых чисел (положительный единичный вектор вдоль которой есть мнимая единица).
Тогда вектор длиной A, вращающийся в комплексной плоскости с постоянной угловой скоростью ω с начальным углом φ запишется как комплексное число
- Aei(ωt+φ),{\displaystyle Ae^{i(\omega t+\varphi _{0})},}
а его действительная часть
- Re(Aei(ωt+φ))=Acos(ωt+φ),{\displaystyle \mathrm {Re} {\big (}Ae^{i(\omega t+\varphi _{0})}{\big )}=A\mathrm {cos} {\big (}\omega t+\varphi _{0}{\big )},}
-есть гармоническое колебание с циклической частотой ω и начальной фазой φ.
Хотя, как видно уже из вышесказанного, векторные диаграммы и комплексное представление колебаний теснейшим образом связаны и по сути представляют собой варианты или разные стороны одного и того же метода, они, тем не менее, обладают своими особенностями и могут применяться и по отдельности.
- Метод векторных диаграмм может излагаться отдельно в курсах электротехники или элементарной физики, если по тем или иным причинам (обычно связанным с умеренным уровнем математической подготовки учащихся и недостатком времени) надо избежать использования комплексных чисел (в явном виде) вообще.
- Метод комплексного представления (который при необходимости или желании может включать и графическое представление, что, правда, совершенно не обязательно и иногда излишне) вообще говоря более мощен, так как естественно включает в себя, например, составление и решение систем уравнений любой сложности, в то время как метод векторных диаграмм в чистом виде всё же ограничен задачами, подразумевающим суммирование, которое можно изобразить на одном чертеже.
- Однако метод векторных диаграмм (в чистом виде или в качестве графической составляющей метода комплексного представления) — более нагляден, а значит в некоторых случаях потенциально более надежен (позволяет до некоторой степени избежать грубых случайных ошибок, которые могут встречаться при абстрактных алгебраических вычислениях) и позволяет в некоторых случаях достичь в каком-то смысле более глубокого понимания задачи.
Расстояние между двумя точками на координатной плоскости
Давай рассмотрим теперь следующую задачу: у нас есть две точки на координатной плоскости. Как найти расстояние между ними?
Пусть первая точка будет \( {{P}_{1}}({{x}_{1}},{{y}_{1}})\), а вторая \( {{P}_{2}}\left( {{x}_{2}},{{y}_{2}} \right)\).
Обозначим расстояние между ними через \( d\). Давай сделаем для наглядности следующий чертеж:
Что я сделал?
Я, во-первых, соединил точки \( {{P}_{1}}\left( {{x}_{1}},{{y}_{1}} \right)\) и \( {{P}_{2}}\left( {{x}_{2}},{{y}_{2}} \right)\).
А также из точки \( {{P}_{1}}\) провел линию, параллельную оси \( Ox\), а из точки \( {{P}_{2}}\) провел линию, параллельную оси \( Oy\).
Они пересеклись в точке \( R\), образовав при этом замечательную фигуру. Чем она замечательна?
Да мы с тобой почти что все знаем про прямоугольный треугольник. Ну уж теорему Пифагора – точно!
Искомый отрезок – это гипотенуза этого треугольника, а отрезки \( {{P}_{1}}R,~{{P}_{2}}R\) – катеты.
Чему равны координаты точки \( R\)?
Да, их несложно найти по картинке: \( R\left( {{x}_{2}},{{y}_{1}} \right).~\)
Так как отрезки \( {{P}_{1}}R,~{{P}_{2}}R\) параллельны осям \( Ox\) и \( Oy\) соответственно, то их длины легко найти: если обозначить длины отрезков \( {{P}_{1}}R,~{{P}_{2}}R\) соответственно через \( \left| {{P}_{1}}R\left| ,~ \right|{{P}_{2}}R \right|\), то\( \left| {{P}_{1}}R \right|={{x}_{2}}-{{x}_{1}}\)\( \left| {{P}_{2}}R \right|={{y}_{2}}-{{y}_{1}}\)Теперь воспользуемся теоремой Пифагора. Длины катетов нам известны, гипотенузу мы найдем:
Легко заметить, что расстояние между точками не зависит от направления.
Тогда:
Отсюда делаем три вывода:
- Длина вектора = корень из суммы квадратов его координат;
- Найти расстояние между двумя точками = найти длину вектора, их соединяющего (в любом направлении);
- Длины векторов, соединяющих две точки в разном направлении, равны.
Визуализация данных связей участников на лучевой диаграмме
Начнем сначала с построения серых пунктирных линий для отображения всех слабых связей между участниками. А потом сделаем те же самые действия для серых сплошных линий сильных связей. Выделите диапазон ячеек I3:J43 и выберите инструмент: «ВСТАВКА»-«Диаграммы»-«Точечная с прямыми отрезками».
Из диаграммы следует удалить: сетку, оси координат, название и легенду.
Затем из дополнительного меню: «РАБОТА С ДИАГРАММАМИ»-«КОНСТРУКТОР»-«Выбрать данные» в окне «Выбор источника данных» используйте кнопку «Добавить» для добавления остальных 20-ти рядов:
Для каждой линии нужно присвоить один и тот же формат. Удобно выбирать ряды линий из дополнительного меню: «РАБОТА С ДИАГРАММАМИ»-«ФОРМАТ»-«Текущий фрагмент». Из выпадающего списка выбираем необходимый нам ряд, а ниже жмем кнопку «Формат выделенного» чтобы приступить к форматированию:
Далее добавляем еще 2 ряда для выделения цветом выбранных участников. Для этого используем значения последней таблицы:
Не забудем изменить цвета линий на зеленый и синий – соответственно.
Осталось еще добавить подписи данных. Для этого используем вторую таблицу с базовыми координатами точек участников при создании еще одного ряда:
Выделяем последний ряд, щелкаем по полюсу возле диаграммы и отмечаем галочкой опцию «Подписи данных». Сам ряд лучше скрыть, убрав завивку для его линий.
Метод координат (продвинутый уровень)
Мы с тобой продолжаем изучать метод координат. В прошлой части мы вывели ряд важных формул, которые позволяют:
- Находить координаты вектора;
- Находить длину вектора (альтернативно: расстояние между двумя точками);
- Складывать, вычитать векторы. Умножать их на вещественное число;
- Находить середину отрезка;
- Вычислять скалярное произведение векторов;
- Находить угол между векторами.
Конечно, в эти 6 пунктов не укладывается весь координатный метод.
Он лежит в основе такой науки, как аналитическая геометрия, с которой тебе предстоит познакомиться в ВУЗе. Я лишь хочу построить фундамент, который позволит тебе решать задачи ЕГЭ любого уровня сложности!
Этот раздел будет посвящен методу решения тех задач, в которых будет разумно перейти к методу координат. Эта разумность определяется тем, что в задаче требуется найти, и какая фигура дана.
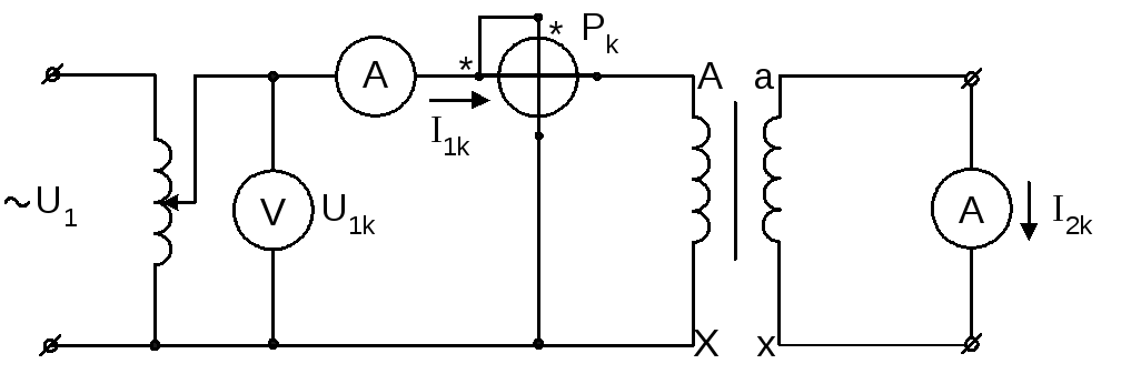
14.3. Параметры режима короткого замыкания
Режимом
короткого замыкания трансформатора
называют режим, когда вторичная обмотка
замыкается накоротко (zн=
0), а к первичной подводят такое пониженное
напряжение UK,
при котором токи в обмотках должны быть
равными номинальным
;
.
НапряжениеUK
составляет всего (5 12)%
от номинального первичного напряжения
.
(14.7)
Режим
короткого замыкания осуществляется по
схеме, приведенной на рис. 14.5.
Из
опыта короткого замыкания имеем:
– приложенное
напряжение U1k
(U2k=
0);
– токи
в обмотках I1k
и I2k;
– мощность
потребления в режиме короткого замыкания
Pk.

Рис.
14.5.
Схема опыта короткого замыкания
Магнитный
поток, создаваемый первичной обмоткой,
находится в прямой зависимости от
приложенного напряжения. Но как было
отмечено выше, напряжение U1kвесьма незначительно, поэтому магнитный
поток очень мал, что позволяет допустить:
– ток
намагничивания Iблизок к нулю и им можно пренебречь,
поэтому в схеме замещения для режима
короткого замыкания (рис. 14.6) контур
намагничивания отсутствует, а
;
– вся
мощность, потребляемая из сети, расходуется
на покрытие электрических потерь (потери
в меди обмоток PM).
,
(14.7,а)
где
– коэффициент загрузки трансформатора;
при



Рис.
14.6.
Схема замещения приведенного
трансформатора
в режиме короткого замыкания
По
полученным данным из опыта короткого
замыкания можно рассчитать следующие
величины:
–
коэффициент трансформации
;
–
коэффициент мощности короткого замыкания
;
(14.8)
–
напряжение короткого замыкания по
формуле (14.7) в процентах;
–
полное сопротивление
.
Согласно
схеме замещения трансформатора в режиме
короткого замыкания (см. рис. 14.6)
;
(14.9)
;
;
.
(14.10)
Активная
и реактивная составляющие полного
сопротивления короткого замыкания
;
или (14.11)
;
.
(14.12)
Напряжение
короткого замыкания в процентах можно
также определить по следующему выражению
.
(14.13)
Тогда
активная и реактивная составляющие
,
(14.14)
,
(14.15)
при этом, не
забывая, что
.
Что такое векторная диаграмма токов и напряжений? Как построить график
Использование векторных диаграмм при анализе, расчете цепей переменного тока делает возможным рассмотреть более доступно и наглядно происходящие процессы, а также в некоторых случаях значительно упростить выполняемые расчеты.
Векторной диаграммой принято называть геометрическое представление изменяющихся по синусоидальному (либо косинусоидальному) закону направленных отрезков — векторов, отображающих параметры и величины действующих синусоидальных токов, напряжений либо их амплитудных величин.
Различают 2-х вида векторных диаграмм:
- точные;
- качественные.
Интересное видео о векторных диаграммах смотрите ниже:
Точные изображаются по результатам численных расчетов при условии соответствия масштабов действующих значений. При их построении можно геометрически определить фазы и амплитудные значения искомых величин.

Они являются одним из основных средств анализа электрических цепей, позволяя наглядно иллюстрировать и качественно контролировать ход решения задачи и легко установить квадрант, в котором располагается искомый вектор.

Для удобства при построении диаграмм анализируют неподвижные векторы для определенного момента времени, который выбирается таким образом, чтобы диаграмма имела удобный для понимания вид. Ось OХ соответствует величинам действительных чисел, ось OY — оси мнимых чисел (мнимая единица). Синусоида отображает движение конца проекции на ось OY. Каждому напряжению и току соответствует собственный вектор на плоскости в полярных координатах. Его длина отображает амплитудное значение величины тока, при этом угол равен фазе.
Векторы, изображаемые на такой диаграмме, характеризуются равновеликой угловой частотой ω. В виду чего при вращении их взаимное расположение не изменяется.
Ещё одно полезное видео о векторных диаграммах:
А остальные — изображать по отношению к исходному под различными углами, соответственно равными углам сдвига фаз.
Примеры применения
Допустимый ток для медных проводов — плотность тока в медном проводнике
В следующих разделах приведены описания задач, которые решают с помощью представленной методики. Следует подчеркнуть, что применение комплексных чисел пригодно для сложных расчетов с высокой точностью. Однако на практике достаточно часто сравнительно простой векторной графики с наглядным отображением исходной информации на одном рисунке.
Механика, гармонический осциллятор
Таким термином обозначают устройство, которое можно вывести из равновесного состояния. После этого система возвращается в сторону исходного положения, причем сила (F) соответствующего воздействия зависит от дальности первичного перемещения (d) прямо пропорционально. Величину ее можно уточнить с помощью постоянного корректирующего коэффициента (k). Отмеченные определения связаны формулой F=-d*k
Формулы для расчета основных параметров гармонического осциллятора
К сведению. Аналогичные процессы происходят в системах иной природы. Пример – создание аналога на основе электротехнического колебательного контура (последовательного или параллельного). Формулы остаются теми же с заменой соответствующих параметров.
Свободные гармонические колебания без затухания
Продолжая изучение темы на примерах механических процессов, можно отметить возможность построения двухмерной схемы. Скорость в этом случае на оси Х отображается так же, как и в одномерном варианте. Однако здесь можно учесть дополнительно фактор ускорения, которое направляют под углом 90° к предыдущему вектору.
Гармонический осциллятор с затуханием и внешней вынуждающей силой
В этом случае также можно воспользоваться для изучения взаимного влияния дополнительных факторов векторной графикой. Как и в предыдущем примере, скорость и другие величины представляют в двухмерном виде. Чтобы правильно моделировать процесс, проверяют суммарное воздействие внешних сил. Его направляют к центру системы (точке равновесия). С применением геометрических формул вычисляют амплитуду механических колебаний после начального воздействия с учетом коэффициента затухания и других значимых факторов.
Расчет электрических цепей
Векторную графику применяют для сравнительно несложных цепей, которые созданы из набора элементов линейной категории: конденсаторы, резисторы, катушки индуктивности. Для более сложных схем пользуются методикой расчета «Комплексных амплитуд», в которой реактивные компоненты определяют с помощью импедансов.
Векторная диаграмма для схемы соединений без нейтрального провода – звезда
Векторная диаграмма в данном случае выполняет функцию вспомогательного чертежа, который упрощает решение геометрических задач. Для катушек и конденсаторов, чтобы не пользоваться комплексным исчислением, вводят специальный термин – реактивное сопротивление. При синусоидальном токе изменение напряжения на индуктивном элементе описывается формулой U=-L*w*I0sin(w*t+f0).
Несложно увидеть подобие с классическим законом Ома. Однако в данном примере изменяется фаза. По этому параметру на конденсаторе напряжение отстает от тока на 90°. В индуктивности – обратное распределение. Эти особенности учитывают при размещении векторов на рисунке. В формуле учитывается частота, которая оказывает влияние на величину этого элемента.
Схемы и векторные диаграммы для идеального элемента и диэлектрика с потерями
Преобразование Фурье
Векторные технологии применяют для анализа спектров радиосигналов в определенном диапазоне. Несмотря на простоту методики, она вполне подходит для получения достаточно точных результатов.
Сложение двух синусоидальных колебаний
В ходе изучения таких источников сигналов рекомендуется работать со сравнительно небольшой разницей частот. Это поможет создать график в удобном для пользователя масштабе.
Фурье-образ прямоугольного сигнала
В этом примере оперируют суммой синусоидальных сигналов. Последовательное сложение векторов образует многоугольник, вращающийся вокруг единой точки. Для правильных расчетов следует учитывать отличия непрерывного и дискретного распределения спектра.
Для этого случая пользуются тем же отображением отдельных синусоид в виде векторов, как и в предыдущем примере. Суммарное значение также вписывается в окружность.
Конденсатор в цепи синусоидального тока
Если приложенное к конденсатору напряжение не меняется во времени, то заряд q=CU на одной его обкладке и заряд –q=-Cu на другой (С-ёмкость конденсатора) неизменны и ток через конденсатор не проходит (
). Если же напряжение на конденсаторе меняется во времени, например по синусоидальному закону (2-34)
то по синусоидальному закону будет меняться заряд q конденсатора:
(2-35)
и конденсатор будет периодически перезаряжаться. Периодическая перезарядка конденсатора сопровождается протеканием через него синусоидального тока
(2-36)
Из сопоставления (2-34) и (2-36) видно, что ток через конденсатор опережает по фазе напряжение на конденсаторе на 90º. На векторной диаграмме вектор тока
направлен по вещественной оси комплексной плоскости, а вектор напряжения на конденсаторе направлен в отрицательном направлении мнимой оси.
На рис. 2-16 изображен конденсатор емкостью С, по которому протекает синусоидальный ток
Рис. 2-16. Конденсатор в цепи синусоидального тока
На рис. 2-17 изображена векторная диаграмма при протекании через конденсатор синусоидального тока.
Рис. 2-17. Векторная диаграмма
Таким образом, при протекании синусоидального тока через конденсатор вектор тока
опережает вектор напряжения на конденсаторе на 90º.
Из выражения (2-36) запишем амплитуду тока
(2-37)
Ясно, что выражение в знаменателе есть некоторое сопротивлению согласно закону Ома:
, (2-38)
которое называют емкостным сопротивлением конденсатора.
Проверим размерность Xc:
(2-39)
Таким образом, конденсатор оказывает переменному току сопротивление
. Оно обратно пропорционально угловой частоте ω. (2-40)
Графики мгновенных значений U,I,p приведены на рис. 2-18.
Рис. 2-18. Графики мгновенных значений тока
, напряжения и
Во вторую и все чётные четверти периода мгновенная мощность р положительная, и в этой четверти периода энергия от источника передаётся конденсатору и идёт на создание электрического поля конденсатора.
В первую и все нечётные четверти периода мгновенная мощность р отрицательная, и энергия, занесённая в электрическое поле конденсатора, возвращается источнику.
Мгновенная мощность положительная, когда напряжение
и ток имеют одинаковые знаки, и отрицательная – когда напряжение и ток имеют противоположные знаки.
Мгновенная мощность р равна нулю, когда либо ток
, либо напряжение проходят через нуль. Это происходит каждую четверть, поэтому мгновенная мощность изменяется с двойной частотой питающей сети.
Таким образом, в конденсаторе не происходит потребление энергии от источника, а происходит накапливание энергии в электрическом поле конденсатора в чётные четверти периода и возврат накопленной энергии источнику в нечётные четверти периода.
Напомним, что элемент, не потребляющий энергию от источника, называется реактивным и обладает реактивным сопротивлением. То есть конденсатор – это тоже реактивный элемент, обладающий реактивным сопротивлением
Диэлектрик, находящийся между обкладками конденсатора, всегда неидеален, то есть в нем всегда есть некоторые потери энергии, которые относительно малы и ими часто можно пренебречь. Если требуется учесть их в расчёте , то конденсатор заменяют схемой замещения (рис. 2-19), в которой параллельно ёмкости присоединено активное сопротивление R, потери энергии в котором имитируют потери энергии в реальном диэлектрике.
Рис. 2-19. Схема замещения реального конденсатора
Подготовка данных для лучевой диаграммы
Как уже упоминалось выше данный шаблон будет обладать возможностью визуального построения связей до 20-ти участников (компаний, филиалов, контрагентов и т.п.). На листе книги шаблона «Данные» предоставленная таблица для заполнения входящих значений. Например, заполним ее для 14-ти участников рынка:

На этом же листе создадим дополнительную таблицу, которая представляет собой матрицу связей всех возможных участников, сгенерированную формулой:

С подготовкой данных мы закончили переходим к обработке.
Как вычислить сумму векторов?
Вектора и матрицы в электронной таблице хранятся в виде массивов.
Известно, что сумма векторов – это вектор, координаты которого равны суммам соответствующих координат исходных векторов:
Для вычисления суммы векторов нужно выполнить следующую последовательность действий:
– В диапазоны ячеек одинаковой размерности ввести значения числовых элементов каждого вектора.
– Выделить диапазон ячеек для вычисляемого результата такой же размерности, что и исходные векторы.
– Ввести в выделенный диапазон формулу перемножения диапазонов
– = Адрес_Вектора_1 + Адрес_Адрес_Вектора_2
– Нажать комбинацию клавиш + +.
Пример.
Даны два вектора:
Требуется вычислить сумму этих векторов.
Решение:
– В ячейки диапазона А2:A4 введем значения координат вектора a1, а в ячейки диапазона С2:С4 – координаты вектора a2.
– Выделим ячейки диапазона, в которых будет вычисляться результирующий вектор С (E2:E4) и введем в выделенный диапазон формулу:
=A2:A4+C2:C4
– Нажмем комбинацию клавиш + +. В ячейках диапазона E2:E4 будут вычислены соответствующие координаты результирующего вектора.
Что такое векторная диаграмма токов и напряжений? Как построить график
Использование векторных диаграмм при анализе, расчете цепей переменного тока делает возможным рассмотреть более доступно и наглядно происходящие процессы, а также в некоторых случаях значительно упростить выполняемые расчеты. Векторной диаграммой принято называть геометрическое представление изменяющихся по синусоидальному (либо косинусоидальному) закону направленных отрезков — векторов, отображающих параметры и величины действующих синусоидальных токов, напряжений либо их амплитудных величин.
Различают 2-х вида векторных диаграмм:
- точные;
- качественные.
Интересное видео о векторных диаграммах смотрите ниже:
Точные изображаются по результатам численных расчетов при условии соответствия масштабов действующих значений. При их построении можно геометрически определить фазы и амплитудные значения искомых величин.

Васильев Дмитрий Петрович
Профессор электротехники СПбГПУ
Качественные диаграммы изображаются с учетом взаимных соотношений между электрическими величинами, без указания численных характеристик.
Они являются одним из основных средств анализа электрических цепей, позволяя наглядно иллюстрировать и качественно контролировать ход решения задачи и легко установить квадрант, в котором располагается искомый вектор.

Для удобства при построении диаграмм анализируют неподвижные векторы для определенного момента времени, который выбирается таким образом, чтобы диаграмма имела удобный для понимания вид. Ось OХ соответствует величинам действительных чисел, ось OY — оси мнимых чисел (мнимая единица). Синусоида отображает движение конца проекции на ось OY. Каждому напряжению и току соответствует собственный вектор на плоскости в полярных координатах. Его длина отображает амплитудное значение величины тока, при этом угол равен фазе.
Векторы, изображаемые на такой диаграмме, характеризуются равновеликой угловой частотой ω. В виду чего при вращении их взаимное расположение не изменяется.
Ещё одно полезное видео о векторных диаграммах:
А остальные — изображать по отношению к исходному под различными углами, соответственно равными углам сдвига фаз.
Таким образом, векторная диаграмма дает отчетливое представление об опережении либо отставании различных электрических величин.

Допустим у нас есть ток, величина которого изменяется по некоторому закону:
i = Im sin (ω t + φ).
С начала координат 0 под углом φ проведем вектор Im, величина которого соответствует Im. Его направление выбирается так, чтобы с положительным направлением оси OX вектор составлял угол — соответствующий фазе φ.

Абрамян Евгений Павлович
Доцент кафедры электротехники СПбГПУ
Проекция вектора на вертикальную ось и определяет значение мгновенного тока в начальный момент времени.
В основном векторные диаграммы изображают для действующих значений, а не амплитудных. Векторы действующих значений количественно отличаются от амплитудных значений — масштабом, поскольку:
I = Im /√2.

Основным преимуществом векторных диаграмм называют возможность простого и быстрого сложения и вычитания 2-х параметров при расчете электроцепей.
Разновидности векторных диаграмм
Для корректного отображения переменных величин, которые определяют функциональность радиотехнических устройств, хорошо подходит векторная графика. Подразумевается соответствующее изменение основных параметров сигнала по стандартной синусоидальной (косинусоидальной) кривой. Для наглядного представления процесса гармоническое колебание представляют, как проекцию вектора на координатную ось.
С применением типовых формул несложно рассчитать длину, которая получится равной амплитуде в определенный момент времени. Угол наклона будет показывать фазу. Суммарные влияния и соответствующие изменения векторов подчиняются обычным правилам геометрии.
Различают качественные и точные диаграммы. Первые применяют для учета взаимных связей. Они помогают сделать предварительную оценку либо используются для полноценной замены вычислений. Другие создают с учетом полученных результатов, которые определяют размеры и направленность отдельных векторов.

Круговая диаграмма
Допустим, что надо изучить изменение параметров тока в цепи при разных значениях сопротивления резистора в диапазоне от нуля до бесконечности. В этой схеме напряжение на выходе (U) будет равно сумме значений (UR и UL) на каждом из элементов. Индуктивный характер второй величины подразумевает перпендикулярное взаимное расположение, что хорошо видно на части рисунка б). Образованные треугольники отлично вписываются в сегмент окружности 180 градусов. Эта кривая соответствует всем возможным точкам, через которые проходит конец вектора UR при соответствующем изменении электрического сопротивления. Вторая диаграмма в) демонстрирует отставание тока по фазе на угол 90°.

Линейная диаграмма
Здесь изображен двухполюсный элемент с активной и реактивной составляющими проводимости (G и jB, соответственно). Аналогичными параметрами обладает классический колебательный контур, созданный с применением параллельной схемы. Отмеченные выше параметры можно изобразить векторами, которые расположены постоянно под углом 90°. Изменение реактивной компоненты сопровождается перемещением вектора тока (I1…I3). Образованная линия располагается перпендикулярно U и на расстоянии Ia от нулевой точки оси координат.
Сложение и вычитание векторов
Главным достоинством векторных — это возможность простого сложения и вычитания двух величин. Например: требуется сложить, два тока, заданных уравнениями
Советуем изучить Глухозаземленная нейтраль
Сложим два заданных тока i1 и i2 по известному правилу сложения векторов (рис. 12.12, а). Для этого изобразим токи в виде векторов из общего начала 0. Результирующий вектор найдем как диагональ параллелограмма, построенного на слагаемых векторах:
Сложение векторов, особенно трех и более, удобнее вести в таком порядке: один вектор остается на месте, другие переносятся параллель но самим себе так, чтобы начало последующего вектора совпало с концом предыдущего.
Вектор Im, проведенный из начала первого вектора в конец последнего, представляет собой сумму всех векторов (рис. 12.12, б).
Вычитание одного вектора из другого выполняют сложением прямого вектора (уменьшаемого) и обратного (вычитаемого) (рис. 12.13):
При сложении синусоидальных величин в отдельных случаях можно применить аналитическое решение: применительно к рис. 12.12, а — по теореме косинусов; к рис. 12.14, а — сложение модулей векторов; б — вычитание модулей векторов, в — по теореме Пифагора.




























