Закон Фарадея
Явление электромагнитной индукции определяется возникновением электрического тока в замкнутом электропроводящем контуре при изменении магнитного потока через площадь этого контура.
Основной закон Фарадея заключается в том, что электродвижущая сила (ЭДС) прямо пропорциональна скорости изменения магнитного потока.
Формула закона электромагнитной индукции Фарадея выглядит следующим образом:
Рис. 2. Формула закона электромагнитной индукции
И если сама формула, исходя из вышесказанных объяснений не порождает вопросов, то знак «-» может вызвать сомнения. Оказывается существует правило Ленца – русского ученого, который проводил свои исследования, основываясь на постулатах Фарадея. По Ленцу знак «-» указывает на направление возникающей ЭДС, т.е. индукционный ток направлен так, что магнитный поток, который он создает, через площадь, ограниченную контуром, стремится препятствовать тому изменению потока, которое вызывает данный ток.
Основные понятия и законы электростатики
Закон Кулона:сила взаимодействия двух точечных неподвижных зарядов в вакууме прямо пропорциональна произведению модулей зарядов и обратно пропорциональна квадрату расстояния между ними:
Коэффициент пропорциональности в этом законе
В СИ коэффициент k записывается в виде
Потенциалом электрического поля называют отношение потенциальной энергии заряда в поле к этому заряду:
Проекция напряжённости электрического поля на какую-нибудь ось и потенциал связаны соотношением
Электроёмкостью тела называют величину отношения
Основные понятия и законы постоянного тока
Электрический ток — направленное движение электрических зарядов. В разных веществах носителями заряда выступают элементарные частицы разного знака. За положительное направление тока принято направление движения положительных зарядов. Количественно электрический ток характеризуют его силой. Это заряд, прошедший за единицу времени через поперечное сечение проводника:
Закон Ома для участка цепи имеет вид:
При параллельном соединении величина, обратная сопротивлению, равна сумме обратных сопротивлений:
где t — время, I — сила тока, U — разность потенциалов, q — прошедший заряд.Закон Джоуля-Ленца:
Основные понятия и законы магнитостатики
Характеристикой магнитного поля является магнитная индукция ➛B. Поскольку это вектор, то следует определить и направление этого вектора, и его модуль. Направление вектора магнитной индукции связано с ориентирующим действием магнитного поля на магнитную стрелку. За направление вектора магнитной индукции принимается направление от южного полюса S к северному N магнитной стрелки, свободно устанавливающейся в магнитном поле. Направление вектора магнитной индукции прямолинейного проводника с токам можно определить с помощью правила буравчика:если направление поступательного движения буравчика совпадает с направлением тока в проводнике, то направление вращения рукоятки буравчика совпадает с направлением вектора магнитной индукции. Модулем вектора магнитной индукции назовём отношение максимальной силы, действующей со стороны магнитного поля на участок проводника с током , к произведению силы тока на длину этого участка:
Основные понятия и законы электромагнитной индукции
Если замкнутый проводящий контур пронизывается меняющимся магнитным потоком, то в этом контуре возникает ЭДС и электрический ток. Эту ЭДС называют ЭДС электромагнитной индукции, а ток — индукционным. Явление их возникновения называют электромагнитной индукцией. ЭДС индукции можно подсчитать по основному закону электромагнитной индукции или по закону Фарадея:
Электромагнитные колебания и волны
Колебательным контуром называется электрическая цепь, состоящая из последовательно соединённых конденсатора с ёмкостью C и катушки с индуктивностью L (см. рис. 7).
Для свободных незатухающих колебаний в контуре циклическая частота определяется формулой
Период свободных колебаний в контуре определяется формулой Томсона:
Ток, текущий через катушку индуктивности, по фазе отстаёт от напряжения на π/2 или на четверть периода. Напряжение опережает ток на такой же фазовый угол.
Трансформатором называется устройство, предназначенное для преобразования переменных токов. Трансформатор состоит из замкнутого стального сердечника, на который надеты две катушки. Катушка, которая подключается к источнику переменного напряжения, называется первичной обмоткой, а катушка, которая подключается к потребителю, называется вторичной обмоткой. Отношение напряжения на первичной обмотке и вторичной обмотке трансформатора равно отношению числа витков в этих обмотках:
Почему постоянный ток безопаснее
Прожжённые электрики говорят, что удар током 220 В не слишком опасен, главное – не попасть под линейное трёхфазное напряжение. Оно выше примерно в корень из трёх раз (в пределах 1,7). Линейным называется напряжение между двумя фазами. За счёт сдвига между ними в 120 градусов получается указанный любопытный эффект. Невежды спрашивают, какая разница при сдвиге 90 градусов. Ответ дан вначале – три фазы образуют симметричную систему. Со сдвигом 90 понадобилось бы четыре.
В результате каждым линейным напряжением питают по полюсу, что существенно упрощает их размножение, когда требуется достичь большой мощности. К примеру, в тяговых двигателях пароходов, где требуется чрезвычайно плавно изменять усилие и приходится применять регуляторы скорости вращения вала. Случается, трёх и даже шести полюсов оказывается мало. Лишь коллекторному двигателю пылесоса достаточно двух.
Итак, между фазами имеется 308 В. Безопасным выглядит, если повысить частоту линии передач до 700 Гц. Тесла установил, что с указанного значения ярко проявляется скин-эффект, ток не проникает глубоко в тело. Следовательно, не наносит существенных повреждений человеку. Учёный демонстрировал языки молний на теле при гораздо больших напряжениях и говорил, что это полезно для здоровья, здорово очищает кожу.
Частота 700 Гц (или выше) не пущена в обиход – при этом существенно увеличивались потери трансформаторов. На момент принятия решения о номиналах первой ГЭС переменного тока не существовало наработок по изготовлению электротехнических материалов. Подробнее предлагаем прочитать в теме электронных трансформаторов. Нет надобности дублировать информацию. По причине отсутствия нужных материалов потери на перемагничивание сильно росли с увеличением частоты. Сегодня подобное не вызывает затруднений на уровне технологии.
Встаёт сложность – экранирование. В годы первых попыток передачи энергии не знали об излучении. Радио делало первые шаги в 90-х годах XIX века. В действительности рост частоты сопровождается резким повышением выброса энергии в пространство. И провода требовалось экранировать, это дорого, требует наличия мощных диэлектриков. Не факт, что современные сети сумели бы решить задачу.
Тесла предлагал передавать энергию через эфир. Для чего построил башню Ворденклиф. Но… промышленники оказались заинтересованы в продаже меди на изготовление проводов и на этом основании отказали учёному в финансировании. Но главное – грядёт время, когда трёхфазное напряжение уйдёт в небытие или будет получаться из преобразователей, и сам Тесла даст ответ, как это сделать.
Точнее, ответ дадут многочисленные патенты и идеи изобретателя. Недаром записи были немедленно изъяты после смерти учёного и тщательно засекречены. Рекомендуем взяться за изучение кавитационных двигателей. Пора мечтать, что машины станут ездить на растительном масле, не загрязняя окружающую среду отвратительным дымом и гарью
Обратите внимание, что все секреты лежат на поверхности и ждут желающего их раскрыть. Возможно, кто-то из читателей сумеет сделать это первым?
Трёхфазное или однофазное подключение
В сети обмотки смещены на 120 градусов. Если представить этот сдвиг в виде 2-х вращающихся векторов — они тоже размещены под таким же градусом наклона.

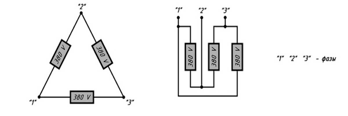
И линейное напряжение не будет равняться сумме векторов. Другими словами, представьте прямой угол (равный 90 градусам), линии которого по 220 В. Если их соединить, чтобы образовать полноценный треугольник — расстояние для соединения будет равно 380 В, как показано на фото внизу.

Подключение сети было уже разобрано вверху. Про подключение однофазного прибора ничего не было сказано. Но вы уже знаете, что однофазный имеет целых 4 провода подключения, в отличие от устройства с тремя фазами.
- На первую клемму подается питание-фаза.
- Вторая клемма является выходом нагрузки электропотребителя.
- Ноль приходится на третью клемму.
- Выход нулевой подается на четвертую.

Т.е. первый и второй провода проходят через автомат и входят в саму квартиру. А остальные 2 приходятся на нулевое заземление. Примерами однофазных потребителей являются розетки.

Сферы применения
Многофункциональные трёхфазные двигатели используются в различной технике. Такие агрегаты обладают необходимой простотой и надёжностью конструкции, доступной ценой. Генератор не нуждается в особом уходе, быстро приступает к работе и хорошо переносит длительные нагрузки. Качественное энергоснабжение осуществляется именно по трёхфазной системе переменного тока, так как любое использование двигателей с постоянным током требует установки дополнительных агрегатов.

Трёхфазные генераторы считаются незаменимыми в приводах сверлильных и токарных станков, пилорамах и циркуляционных пилах, лифтах, лебёдках и подъёмных кранах.
Он широко востребован и в сельскохозяйственной отрасли, где основную работу выполняют барабанные молотилки, веялки, зернопульты, погрузчики.
Синхронные установки используются как основной источник электроэнергии переменного тока на крупнейших станциях, на передвижных агрегатах и транспортных машинах (тепловозы, машины, самолёты). Генератор может функционировать как автономно, так и параллельно с сетью.
Конструкторы утверждают, что без такого оборудования не могут обойтись те станции, где отсутствует центральная подача электроэнергии. Особенно это касается крупных фермерских хозяйств, которые возведены вдали от населённых пунктов.
Схема включения трёхфазного электродвигателя на 220В
Электродвигатели с возможностью подключения и к двум типам электрической цепи, имеют различные технические характеристики, касающиеся рабочего напряжения. От этого зависит схема их подключения к 220В, и показатели потери рабочих мощностей. Установить, как подключить определённый тип мотора, можно по обозначению на шильдике корпуса:
| Обозначение | Тип подключения | Потери мощности |
| 127/220 | «звезда» | 30% |
| 220/380 | «треугольник», «звезда» | 30% |
| 380/660 | «треугольник» | 70% |
В последнем случае, при подключении трёхфазного двигателя к однофазной цепи потеря составит 2/3 от установленной мощности. Поэтому, моторы, с обозначением 380/660 запитывать от 220 вольт, хотя и возможно, но абсолютно нецелесообразно. Для подключения двигателя к однофазной цепи используются два варианта:
- С помощью преобразователя частот. Данный прибор способен преобразовывать одну фазу, имеющуюся в сети 220-вольтовой сети, в три фазы с таким же напряжением. Однако, вследствие высокой стоимости преобразователя, в быту такой вариант используется редко.
- Посредством конденсатора. Такой метод более распространён из-за своей простоты и доступности. Именно его подробнее рассмотрим далее.
Подключение трёхфазного электродвигателя потребует использования конденсаторов для переменного тока. Без них электричество от одной фазы будет проходить по обмоткам, но вращения ротора не происходит. Чтобы создать смещение фазы, получить крутящий момент магнитного поля, к одной из обмоток подключаются конденсаторы. Важный момент – использовать конденсаторы постоянного тока для переменной сети нельзя, из-за высокой вероятности их взрыва в процессе работы.
Всего в схеме присутствуют два их типа: С1 – пусковой, и С2 – рабочий. Номинальное напряжение у каждого из них должно быть не менее 300В. В идеале, лучше взять устройства с ещё большим показателем – свыше 350В. В продаже можно встретить конденсаторы, специально предназначаемые для запуска электродвигателя. Они имеют соответствующее обозначение, и использовать их как рабочие запрещено. Минимально необходимая ёмкость конденсаторов зависит от мощности электродвигателя, и показана в таблице в микрофарадах:
| Мощность двигателя | 0,4 кВт | 0,6 кВт | 0,8 кВт | 1,1 кВт | 1,5 кВт | 2,2 кВт |
| Ёмкость С1 (пускового) в номинальном режиме | 80 | 120 | 160 | 200 | 250 | 300 |
| Ёмкость С1 (пускового) в недогруженном режиме | 20 | 35 | 45 | 60 | 80 | 100 |
| Ёмкость С2 (рабочего) в номинальном режиме | 40 | 60 | 80 | 100 | 150 | 230 |
| Ёмкость С2 (рабочего) в недогруженном режиме | 25 | 40 | 60 | 80 | 130 | 200 |
Сама схема подключения трёхфазных электродвигателей с использованием конденсаторов, как в варианте «звезды», так и «треугольника», будет выглядеть весьма просто:
![]()
Для управления пусковым конденсатором, предназначенного для страгивания с места и разгона 3-х фазного двигателя, используют выключатель. На схеме, представленной выше, он обозначен словом «Разгон». После набора мотором необходимых оборотов и выхода его на рабочий режим, кнопка управления отключается. При наличии достаточных навыков в обращении с электротехникой, ручное управление можно заменить на автоматическое реле, либо на таймер отключения.
Как измерить
Измерить подобную систему можно мультиметром или применив физические формулы.

Измерение подключения к сети
ЛН рассчитывается по формуле Кирхгофа: ∑ Ik = 0. Здесь сила тока равняется нулю во всех частях электроцепи, то есть к=1. Используется также закон Ома: I=U/R. Применив обе формулы можно высчитать параметры клейма или электросети.
В системе из несколько линий, потребуется найти напряжение между 0 и фазой IL = IF. Значения IL и IF непостоянные и меняются при разных вариациях подключения. Потому линейные параметры точно такие же, как и фазные.
Фазное
Для того чтобы получить показания подключения фазного вида, потребуется специальное оборудование, например, мультиметр, вольтметр. Для того чтобы измерить токи и напряжения в трёхфазных цепях обычно достаточно знать данные одного линейного тока и одного ЛН.

Перекос фаз
ФН измеряется при проседании (падении) линейного. Из линейных величин извлекается Квадратный корень из трёх. Полученный показатель и есть параметры ФН.
Преимущество перед однофазным током
Трехфазный ток позволяет избежать проблем с питанием, присущих однофазному переменному току (в синусоидальном режиме). Можно продемонстрировать, что трехфазный ток обеспечивает мгновенную мощность без импульсной составляющей, в отличие от однофазного тока, где мгновенная мощность представляет собой синусоидальное изменение двойной частоты, наложенное на непрерывную составляющую. Абсолютно необходимо отменить эту пульсацию мощности, потому что она также присутствует в механической мощности, передаваемой валом генератора переменного тока, и приводит к пульсации механического крутящего момента, которая может привести к разрушению последнего. Кроме того, трехфазные генераторы переменного тока имеют лучший КПД, чем их однофазные аналоги, а трехфазный режим вызывает меньше потерь при передаче электроэнергии онлайн.
Соединение фаз звездой
Рассмотрим схему соединения звездой
— фазные напряжения (напряжения между началом и концом соответствующей фазы);
— фазные токи — токи в фазах приемника;
— линейные напряжения (напряжения между началами двух соседних фаз);
— линейные токи — токи в линиях.
Для схемы соединения звездой очевидно равенство фазных и линейных токов. Независимо от характера нагрузки:
Из векторной диаграммы при равномерной (симметричной) нагрузке следует:
При неравномерной (несимметричной) нагрузке
Между точками 0 и 01 возникает напряжение несимметрии.
При симметричной нагрузке
При несимметричной нагрузке напряжения фаз приемника неодинаковы по величине и по фазе.
Для обеспечения симметричной системы напряжений во всех фазах и независимой работы отдельных приемников используется схема звезда с нулевым проводом или четырехпроводная система.
Поскольку узлы соединены нулевым проводом, напряжение между ними равно нулю. При несимметричной нагрузке фазные и линейные напряжения остаются постоянными.
Четырехпроводная система позволяет получать одновременно два напряжения — фазное и линейное, например, 220 и 380 В.
Для определения начала и конца обмотки поступают следующим образом. Начало одной из обмоток совершенно произвольно обозначают А, конец — X. Затем к ней присоединяют вторую обмотку, и если при этом напряжение увеличилось, значит, обмотки соединены концами, а начала свободны. Начало второй обмотки обозначают В, конец — Y. Таким же образом находят начало С и конец Z третьей обмотки.
Одним из существенных преимуществ четырехпроводной линии электропередачи и соединения обмоток генератора звездой является возможность получения в линии двух разных напряжений одновременно: фазных и линейных.
При строго симметричной нагрузке суммарный ток в общем проводе четырехпроводной линии равен нулю.
Таким образом, при симметричной нагрузке можно было бы обойтись без нулевого провода в линии, так как ток по нему не течет. Однако создать абсолютно симметричную нагрузку практически невозможно и ток обычно в нулевом проводе всегда есть, но он значительно меньше тока в фазах.
Преимущества использования четырехпроводной линии и роль при этом нулевого провода выясняются из следующего простого эксперимента. Соединим звездой три лампы накаливания Л1, Л2, Л3, а в нулевой и один из фазных проводов включим амперметры. Если все лампы совершенно одинаковы (симметричная нагрузка), то амперметр покажет отсутствие тока в нулевом проводе, а все лампы при его включении и отключении не изменят своего накала.
Теперь заменим лампу Л1 другой, например лампой меньшей мощности, т. е. создадим в цепи несимметричную нагрузку. Окажется, что без нулевого провода лампа Л1 горит с перекалом, а две другие — с недокалом. Если же нулевой провод включить, то все три лампы будут потреблять номинальный для них ток и светиться нормальным для каждой из них накалом, но зато в нулевом проводе потечет электрический ток. Однако, как показывает опыт, сила тока в нулевом проводе всегда меньше, чем в фазных проводах. Это позволяет уменьшить сечение нулевого провода по сравнению с фазными.
Таким образом, в четырехпроводной линии трехфазного тока силы токов через нагрузки, включенные звездой, при постоянных напряжениях регулируются автоматически, что создает благоприятные условия для работы электрических цепей при неизбежных на практике несимметричных нагрузках.
Соединение нагрузки треугольником
Рассмотрим схему соединения треугольником.
Из схемы очевидно:

Для схемы соединения треугольником:
Векторная диаграмма токов
Связь между линейными и фазными токами:
В обмотках, соединенных треугольником, при строго синусоидальных э. д. с. и при отсутствии нагрузки (или при симметричной нагрузке) суммарная э. д. с. равна нулю и ток в них отсутствует. Однако если форма э. д. с. в обмотках отклоняется от синусоидальной или генератор нагружен несимметрично, то суммарная э. д. с. уже не равна нулю и по обмоткам течет ток, что крайне нежелательно.
Для симметричной трехфазной системы справедливы соотношения:
в схеме звездой
![]()
в схеме треугольником
![]()
Используя метод преобразования, всегда можно перейти от схемы соединения звездой к схеме соединения треугольником и наоборот. Преобразование будет эквивалентным, если режим работы остальной части электрической цепи не изменится, то есть токи, притекающие к узловым точкам, в той и другой схеме будут одинаковыми, а потенциалы соответствующих узлов будут равны. Эти два условия сводятся к тому, что сопротивления или проводимости между двумя узловыми точками должны быть равны.

Значения сопротивлений, согласно обозначениям на рисунке, при переходе от «звезды» к «треугольнику» и от «треугольника» к «звезде»

Пример расчета с преобразованием звезды в треугольник
Дано:
Е=9 В
R1=1 Ом
R2=2 Ом
R3=3 Ом
R4=4 Ом
R5=5 Ом
R6=6 Ом
Необходимо найти все токи I-?
Решение:
Преобразовываем имеющуюся звезду в треугольник получим

где
Немного преобразуем (перерисуем) схему в другой более понятный вид
Произведем расчет сопротивлений при параллельном соединении
Схема примет вид
Отсюда эквивалентное сопротивление:

Проверим полученный результат с помощью баланса мощности, когда Ри источника мощности равна Рп мощности потребителя:

Переходим к первоначальной схеме
Проверим узел О по 1-му закону Кирхгофа
По балансу мощности цепи

Трехфазная система переменного тока
Называется система, состоящая из трех цепей с действующими электродвижущими силами (ЭДС) одинаковой частоты. Эти ЭДС сдвинуты относительно друг друга по фазе на одну треть. Каждая отдельная цепь в системе называется фазой. Вся система трех переменных токов, сдвинутых по фазе, и называется трехфазным током.
Практически все генераторы, которые установлены на электростанциях – это генераторы трехфазного тока. В конструкции соединены в одном агрегате три генератора переменного тока. Электродвижущие силы, индуцированные в них, как сказано ранее, сдвинуты на одну треть периода относительно друг друга.
Чем три фазы отличаются от одной?
В обоих видах питания присутствует рабочий нулевой проводник (НОЛЬ). Про защитное заземление я подробно рассказал здесь, это обширная тема. По отношению к нулю на всех трёх фазах – напряжение 220 Вольт. А вот по отношению этих трёх фаз друг к другу – на них 380 Вольт.
Напряжения в трёхфазной системе
Так получается, потому что напряжения (при активной нагрузке , и ток) на трёх фазных проводах отличаются на треть цикла, т.е. на 120°.
Получается, что если у нас есть трехфазное напряжение, то у нас есть три фазных напряжения по 220 В. И однофазных потребителей (а таких – почти 100% в наших жилищах) можно подключать к любой фазе и нулю. Только делать это надо так, чтобы потребление по каждой фазе было примерно одинаковым, иначе возможен перекос фаз.
А защититься от перекоса фаз лучше всего с помощью реле напряжения, например Барьер или ФиФ ЕвроАвтоматика.
Кроме того, чрезмерно нагруженной фазе будет тяжело и обидно, что другие “отдыхают”)
Обозначения элементов на схеме
Прежде чем приступить к монтажу оборудования необходимо изучить нормативные сопровождающие документы. Схема позволяет донести до пользователя полную характеристику изделия с помощью буквенных и графических обозначений, занесенных в единый реестр конструкторской документации.
К чертежу прилагаются дополнительные документы. Их перечень может быть указан в алфавитном порядке с цифровой сортировкой на самом чертеже, либо отдельным листом. Классифицируют десять видов схем, в электротехнике обычно используют три основные схемы.
- Функциональная имеет минимальную детализацию. Основные функции узлов изображают прямоугольником с буквенными обозначениями.
- Принципиальная схема подробно отображает конструкцию использованных элементов, а также их связи и контакты. Необходимые параметры могут быть отображены непосредственно на схеме или в отдельном документе. Если указана только часть установки, это однолинейная схема, когда указаны все элементы – полная.
- В монтажной электрической схеме используют позиционные обозначения элементов, их месторасположение, способ монтажа и очередность.
Выключатель на схеме выглядит как кружок с наклоненной вправо чертой. По виду и количеству черточек определяют параметры устройства.
Кроме основных чертежей есть схемы замещения.
Что происходит в нуле и фазе при обрыве провода.
Обрывы на линии достаточно часто возникают по вине мастеров – они забывают подключить фазу либо ноль. Такие поломки достаточно распространены. Так же довольно часто происходит процесс отгорания нуля на подъездном щитке например, из-за высокой нагрузки в системе.
Если происходит порыв на любом участке цепи, то прекращает функционировать вся цепь, т.к. она размыкается
В таких ситуациях совершенно не важно, какой провод поврежден – фаза или ноль. То же самое случается и при порыве между распределительным щитом многоэтажки и щитком в подъезде
При таком порыве все потребители, которые были подключены к данному щитку, будут без электроэнергии.
Все ситуации, которые мы попытались описать выше, имеют место быть. Они могут показаться сложными, но не несут никакой опасности для человечества. Ведь обрыв произошел только одного провода, поэтому это совершенно не опасно.
Очень тревожная ситуация – когда пропадает контакт между контуром заземления на подстанции и средним пунктом, к которому поступает все напряжение внутридомового щитка.
Именно в таком варианте электрический ток движется по контурам AB, BC, CA. Совокупное напряжение этих контуров 380В. Именно по этой причине и возникает достаточно опасная ситуация – один щиток может вообще не иметь напряжения, потому что хозяин отключит все электроприборы, а на другом образуется очень высокий уровень напряжения, около 380В. Это может способствовать выходу из строя многих приборов, потому что для них необходимо напряжение в 220В.
Естественно, появление данной ситуации можно избежать. Имеется масса недорогого/дорогостоящего оборудования, которое защитит вашу технику от скачков напряжения. К такому оборудованию относится и стабилизатор напряжения. Различают такие виды стабилизаторов:
- Однофазный;
- Трехфазный.
Особенности сетей с изолированной нейтралью
При неравномерной загрузке фаз трехпроводной электрической сети имеет место напряжение смещения нейтрали, при этом каждая из фаз будет находиться под напряжением, отличным от фазного
Особенно это важно учитывать для сетей напряжением до 1 кВ.
Замыкание одной фазы на землю считается не аварийным, а лишь анормальным режимом. При его возникновении сеть и поврежденная линия могут оставаться включенными и в течение некоторого времени продолжать работу
Замыкание на землю практически не влияет на систему междуфазных напряжений и режим работы электроприемников. Таким образом увеличивается надежность электроснабжения потребителей.
При замыкании на землю одной фазы напряжение двух других фаз относительно земли увеличивается в л/3 раз. В связи с этим изоляция всех фаз предусмотрена на линейное напряжение. При напряжении до 35 кВ это не вызывает существенного удорожания сети.
При больших токах однофазного замыкания дуга в месте короткого замыкания устойчиво и длительно горит, вызывая перенапряжения, опасные для изоляции неповрежденных фаз, и переход однофазного короткого замыкания в междуфазное.
При глухом заземлении нейтрали всякое замыкание одной фазы на землю является однофазным коротким замыканием и должно привести к срабатыванию защитных аппаратов, отключающих поврежденный участок от сети.
Системы электроснабжения сооружаются на нескольких напряжениях. Критерием оптимально принятой системы электроснабжения служит минимум приведенных затрат на ее сооружение и последующую эксплуатацию. Затраты на сооружение системы электроснабжения во многом определяются количеством трансформаций напряжения и используемыми номинальными напряжениями. Обычно в системах электроснабжения применяется 2— 3 трансформации напряжения.
Источник
Соединение треугольником
В этом случае конец предыдущей обмотки соединяется с началом последующей, образуя, тем самым треугольник. Линейные провода соединяются с вершинами треугольника – точками 1, 2, 3. При таком подключении фазное и линейное напряжения совпадают. В сравнении с подключением звездой, подключение треугольником снижает линейное напряжение примерно в 1,73 раза. Оно допускается лишь при условии одинаковой нагрузки фаз, иначе сила тока в обмотках может увеличиться, что представляет опасность для генератора.
Отдельные потребители (нагрузки), которые питаются от раздельных пар проводов, точно так же могут соединяться или звездой или треугольником. В итоге получается ситуация, аналогичная генератору: при соединении треугольником – нагрузки находятся под линейным напряжением, при соединении звездой – напряжение в 1,73 раза меньше.

Трехфазная система переменного тока

Трехфазные трансформаторы
Подключение трехфазного двигателя к трехфазной сети

Трехфазное УЗО
Схема подключения трехфазного электродвигателя

Трехфазный инвертор
Вывод
Оба варианта электросети являются безопасными только при соблюдении всех необходимых требований при установке.
Как правило, в частном секторе пользователь может выбрать, какой тип электросети ему более приемлем. Но есть основной определяющий фактор – максимально разрешенная мощность, которая указывается в технических условиях на подключение дома к электросети. Например, если в СНТ есть ограничение на 5 кВт мощности (от самого СНТ или питающих сетей), то оно регламентировано исключительно на одну фазу. Как правило, это делается, чтобы было проще все дома СНТ разделить на 3 фазы (например, при 300 участках каждая фаза распределяется на 100 домов), точно зная, что ни один из этих домов не сможет потреблять более 5 кВт и перегружать какую-либо из фаз, вызывая перекос.
Трехфазная сеть позволить получить три фазы, но уже с каждой по 5 кВт, что втрое увеличит возможности (суммарно 15 кВт), и, опять же, каждая фаза остается ограниченной потреблением не более 5 кВт, что не позволит конкретному дому вызывать перекос.
Учитывая все положительные и отрицательные стороны трехфазной сети, её установка в доме необходима лишь в случаях, если планируется подключение:
- большого количества однофазных потребителей;
- мощных трехфазных нагрузок (например, отопительного оборудования или варочной панели);
- трехфазных электроинструментов (например, для организации в доме мастерской).
Если говорить об электрозащите, то как для трехфазной, так и однофазной сети многие пользователи устанавливают стабилизаторы напряжения, которые защищают нагрузку от нестабильного сетевого напряжения. Особенно это актуально для частных домов, коттеджей и дач, где часто встречается некачественное сетевое напряжение. Стабилизатор напряжения становится таким же неотъемлемым элементом электросистемы дома, как вводной автомат, УЗО или электросчетчик.
Заключение
Если в проводнике создать электрическое поле и не поддерживать это поле, то перемещение носителей тока приведет к тому, что поле внутри проводника исчезнет, и ток прекратится. Для того чтобы поддерживать ток в цепи достаточно долго, необходимо осуществить движение зарядов по замкнутой траектории, то есть сделать линии постоянного тока замкнутыми. Следовательно, в замкнутой цепи должны быть участки, на которых носители заряда будут двигаться против сил электростатического поля, то есть от точек с меньшим потенциалом к точкам с большим потенциалом. Это возможно лишь при наличии неэлектрических сил, называемых сторонними силами. Сторонними силами являются силы любой природы, кроме кулоновских.
Дополнительную информацию о предмете статьи можно узнать из файла «Электродвижущая сила в цепях электрического тока». А также в нашей группе ВК публикуются интересные материалы, с которыми вы можете познакомиться первыми. Для этого приглашаем читателей подписаться и вступить в группу.
В завершение хочу выразить благодарность источникам, откуда почерпнут материал для подготовки статьи:
www.booksite.ru
www.scsiexplorer.com.ua
www.samelectrik.ru
www.electricalschool.info
www.sxemotehnika.ru
www.zaochnik.ru
www.ido.tsu.ru
Мне нравится1Не нравится2
Предыдущая
ТеорияЧто такое термопара: об устройстве простыми словами
Следующая
ТеорияЧто такое заземление простыми словами




























