Виды электромеханических устройств
Используют ротор в таких электромеханических устройствах, как двигатели, работающие на постоянном и переменном электрическом токе, генераторы.
Агрегаты, работающие на переменном токе
К таким агрегатам относятся различные электродвигатели. Наиболее распространенная модель данного устройства состоит из следующих частей:
- Алюминиевый или чугунный ребристый корпус с монтажной коробкой для подключения обмоток статора и ротора;
- Статор – неподвижная часть в виде полого цилиндра, расположенная внутри корпуса. Обмотка статора состоит из 3 пар расположенных друг напротив друга намотанных в пазы корпуса катушек из медного изолированного провода
- Цельнометаллический цилиндрический ротор с валом и пазами, в которые впаяны обладающие высокой токопроводящей способностью алюминиевые стержни.
Двигатель, запитываемый от переменного тока
Вращается ротор на двух опорных подшипниках, запрессованных на его валу. Охлаждение работающего на больших оборотах электродвигателя происходит, благодаря крыльчатке – небольшому вентилятору, состоящему из множества лопастей и расположенному на одном из концов вала ротора. Также эффективному охлаждению работающего агрегата способствует ребристая структура алюминиевого корпуса.
Принцип работы подобного двигателя заключается в следующем:
- При подключении тока к агрегату он попеременно проходит через одну из трех пар катушек статора.
- При протекании по парам статорных катушек электрического тока они создают магнитное поле, силовые линии которого пересекают ротор.
- Попеременно запитываемые пары катушек создают подвижное магнитное поле, которое по закону электромагнитной индукции провоцирует появление в неподвижных металлических стержнях ротора электрического тока.
- Индуцированный ток в роторе приводит к появлению силы, выталкивающей его из магнитного поля статора. Так как частота подачи тока на катушки статора в среднем составляет порядка 30 импульсов в секунду, появившаяся в роторе выталкивающая сила приводит к его вращению с большой скоростью.
Важно! В зависимости от одновременности вращения ротора и порождающего это движение магнитного поля электрический двигатель переменного тока может быть синхронный (ротор агрегата вращается синхронно с магнитным полем статора) и асинхронный (вращение якоря не синхронизировано с движением магнитного поля статора). Первый вид отличается высокой мощностью и надежностью, в то время как второй характеризуется большим разнообразием конструкций и областей применения
Машины постоянного тока
Наиболее распространенный электродвигатель постоянного тока щеточного вида представляет собой электрический агрегат, состоящий из:
- Чугунного корпуса с ребрами охлаждения и специальным монтажным коробом для подключения обмоток агрегата;
- Вала из прочной инструментальной стали с двумя подшипниками;
- Якоря, состоящего из сердечника (набора пластин из специальной электротехнической стали), якорной обмотки (размещенных в пазах сердечника катушек из медного провода);
- Индуктора, состоящего из полюсов возбуждения с намотанными на них катушками из медного провода;
- Коллектора – расположенных на валу медных пластин, к которым подключаются выводы катушек якорной обмотки;
- Подпружиненных графитовых или металлографитовых щеток (щеточной группы).
Охлаждается такой двигатель, как и аналог, работающий от переменного тока, – расположенной на валу крыльчаткой.
Двигатель, работающий от постоянного тока
Важно! В отличие от электродвигателя переменного тока частотой вращения ротора в таком силовом агрегате управляет специальный блок, который при помощи установленного на валу датчика Холла определяет положение ротора и его скорость. Работает подобный агрегат следующим образом:. Работает подобный агрегат следующим образом:
Работает подобный агрегат следующим образом:
- На обмотку возбуждения подается напряжение, создавая тем самым постоянное магнитное поле;
- Через щетки и коллектор напряжение подается на катушки сердечника якоря – возникающее при этом магнитное поле отталкивается от такого же, образованного индуктором, вследствие чего двигатель начинает вращаться («запускается»);
- Впоследствии при вращении через щетки запитываются остальные катушки якорной обмотки, что приводит к равномерному вращению якоря с определённой скоростью.
Останавливают вращение такого агрегата прекращением подачи напряжения на щеточную группу.
Помимо описанных выше электромоторов, к машинам, работающим на постоянном токе, относится также роторный стартер – устройство, необходимое для запуска бензиновых и дизельных автомобильных двигателей внутреннего сгорания.
Подключение асинхронного двигателя
Трехфазный переменный ток
Электрическая сеть трехфазного переменного тока получила наиболее широкое распространение среди электрических систем передачи энергии. Главным по сравнению с однофазной и двухфазной системами является ее экономичность. В трехфазной цепи энергия передается по трем проводам, а токи текущие в разных проводах сдвинуты относительно друг друга по фазе на 120°, при этом синусоидальные ЭДС на разных фазах имеют одинаковую частоту и амплитуду.
Трехфазный ток (разница фаз 120°)
Звезда и треугольник
Трехфазная обмотка статора электродвигателя соединяется по схеме в зависимости от напряжения питания сети. Концы трехфазной обмотки могут быть: соединены внутри электродвигателя (из двигателя выходит три провода), выведены наружу (выходит шесть проводов), выведены в распределительную коробку (в коробку выходит шесть проводов, из коробки три).
Фазное напряжение — разница потенциалов между началом и концом одной фазы
Другое определение для соединения «звезда»: фазное напряжение это разница потенциалов между линейным проводом и нейтралью (обратите внимание, что у схемы «треугольник» отсутствует нейтраль)
Линейное напряжение — разность потенциалов между двумя линейными проводами (между фазами).
| Звезда | Треугольник | Обозначение |
|---|---|---|
| Uл, Uф — линейное и фазовое напряжение, В, | ||
| Iл, Iф — линейный и фазовый ток, А, | ||
| S — полная мощность, Вт | ||
| P — активная мощность, Вт |
Внимание: Несмотря на то, что мощность для соединений в звезду и треугольник вычисляется по одной формуле, подключение одного и того же электродвигателя разным способом в одну и туже электрическую сеть приведет к потреблению разной мощности. При этом не правильное подключение электродвигателя, может привести к расплавлению обмоток статора
Пример: Допустим электродвигатель был подключен по схеме «звезда» к трехфазной сети переменного тока Uл=380 В (соответственно Uф=220 В) и потреблял ток Iл=1 А
Полная потребляемая мощность:
S = 1,73∙380∙1 = 658 Вт.
Теперь изменим схему соединения на «треугольник», линейное напряжение останется таким же Uл=380 В, а фазовое напряжение увеличится в корень из 3 раз Uф=Uл=380 В. Увеличение фазового напряжения приведет к увеличению фазового тока в корень из 3 раз. Таким образом линейный ток схемы «треугольник» будет в три раза больше линейного тока схемы «звезда». А следовательно и потребляемая мощность будет в 3 раза больше:
S = 1,73∙380∙3 = 1975 Вт.
Таким образом, если двигатель рассчитан на подключение к трехфазной сети переменного тока по схеме «звезда», подключение данного электродвигателя по схеме «треугольник» может привести к его поломке.
Если в нормальном режиме электродвигатель подключен по схеме «треугольник», то для уменьшения пусковых токов на время пуска его можно соединить по схеме звезда. При этом вместе с пусковым током уменьшится также пусковой момент.
Подключение электродвигателя по схеме звезда и треугольник
Обозначение выводов статора трехфазного электродвигателя
Обозначение выводов обмоток статора вновь разрабатываемых трехфазных машин согласно ГОСТ 26772-85
| Схема соединения обмоток, наименование фазы и вывода | Обозначение вывода | |
|---|---|---|
| Начало | Конец | |
| Открытая схема (число выводов 6) | ||
| первая фаза | U1 | U2 |
| вторая фаза | V1 | V2 |
| третья фаза | W1 | W2 |
| Соединение в звезду (число выводов 3 или 4) | ||
| первая фаза | U | |
| вторая фаза | V | |
| третья фаза | W | |
| точка звезды (нулевая точка) | N | |
| Соединение в треугольник (число выводов 3) | ||
| первый вывод | U | |
| второй вывод | V | |
| третий вывод | W |
Обозначение выводов обмоток статора ранее разработанных и модернизируемых трехфазных машин согласно ГОСТ 26772-85
| Схема соединения обмоток, наименование фазы и вывода | Обозначение вывода | |
|---|---|---|
| Начало | Конец | |
| Открытая схема (число выводов 6) | ||
| первая фаза | C1 | C4 |
| вторая фаза | C2 | C5 |
| третья фаза | C3 | C6 |
| Соединение звездой (число выводов 3 или 4) | ||
| первая фаза | C1 | |
| вторая фаза | C2 | |
| третья фаза | C3 | |
| нулевая точка | ||
| Соединение треугольником (число выводов 3) | ||
| первый вывод | C1 | |
| второй вывод | C2 | |
| третий вывод | C3 |
Обмотки ротора
Вращающаяся часть асинхронного двигателя — ротор, так же как и статор, имеет обмотку. Она помещена в пазах 1 стального цилиндра (рис. 9), набранного, как и сердечник статора, из листов электротехнической стали (рис. 10) толщиной 0,5 мм. После штамповки листы собирают в пакет, плотно сжимают, насаживают на вал двигателя и закрепляют. В пазах ротора помещается или короткозамкнутая, или фазная обмотка. Изоляцией между листами ротора обычно

Рис. 9. Фазный ротор асинхронного двигателя: 1 — сердечник ротора; 2 — обмотка ротора; 3 — контактное кольцо
Рис. 10. Стальной лист ротора

Рис. 11. Продольный разрез асинхронного двигателя с фазным ротором: 1 — вал; 2 — активная сталь ротора; 3 — обмотка статора; 4 — станина; 5 — активная сталь статора; 6 — подшипниковый щит; 7 — контактные кольца; 8 — щетки; 9 — коробка выводов

Рис. 12. Трехфазный асинхронный двигатель с фазным ротором

Рис. 13. Короткозамкнутый ротор двигателя с алюминиевой литой обмоткой

Рис. 14. Беличье колесо

Рис. 15. Трехфазный асинхронный короткозамкнутый двигатель

Рис. 16. Роторы короткозамкнутые: а — с обычной клеткой; б — с двойной клеткой; в — с глубокой клеткой
служит пленка окисла. Активная сталь ротора является частью магнитной цепи двигателя. Обмотка может быть фазной, построенной по тому же принципу, что и обмотка статора. Делается это в том случае, когда в фазы обмотки включается добавочное сопротивление (реостат), необходимый при пуске или регулирования скорости двигателя. Фазный ротор показан на (рис. 9). Обмотка ротора 2 соединяется в звезду, а выводы подключаются к трем контактным кольцам 3, насаженным на вал ротора и изолированным от вала и друг от друга. Контактные кольца изготавливаются из меди, бронзы, редко из стали.
Продольный разрез двигателя с фазным ротором показан на рис. 11.
Чаще изготовляются двигатели с короткозамкнутой обмоткой ротора. Если в пазы ротора уложены голые медные или алюминиевые стержни, концы которых замкнуты накоротко кольцами, то такая обмотка называется короткозамкнутой. Обмотка образует клетку, называемую беличьей; показана отдельно на рис. 14. Короткозамкнутую обмотку ротора делают в трех модификациях: с нормальной клеткой, с двойной клеткой и с глубоким пазом (рис. 16). Для двигателей до 100 кВт чаще всего клетку получают путем отливки из алюминия, при этом одновременно отливаются торцевые кольца и лопасти вентилятора для охлаждения двигателя (рис. 13). Роторные обмотки также выполняют из меди и ее сплавов. В пазы прямоугольной или трапецеидальной формы забивают стержни, к стержням с обеих сторон припаивают твердым припоем замыкающие кольца.
Вид двигателя с фазным ротором и с короткозамкнутым, имеющим внешний обдув для охлаждения, показан на рис. 12 и 15.
Работа и мощность
Теперь остановимся на таком понятии как «работа», которое в данном контексте имеет особое значение. Работа совершается всякий раз, когда сила — любая сила — вызывает движение. Работа равна силе, умноженной на расстояние. Для линейного движения мощность выражается как работа в определённый момент времени.
Если мы говорим о вращении, мощность выражается как вращающий момент (T), умноженный на частоту вращения (w).
Частота вращения объекта определяется измерением времени, за которое определённая точка вращающегося объекта совершит полный оборот. Обычно эта величина выражается в оборотах в минуту, т.е. мин-1 или об/мин. Например, если объект совершает 10 полных оборотов в минуту, это означает, что его частота вращения: 10 мин-1 или 10 об/мин.
Итак, частота вращения измеряется в оборотах в минуту, т.е. мин-1.
Приведем единицы измерения к общему виду.
Для наглядности возьмём разные электродвигатели, чтобы более подробно проанализировать соотношение между мощностью, вращающим моментом и частотой вращения. Несмотря на то, что вращающий момент и частота вращения электродвигателей сильно различаются, они могут иметь одинаковую мощность.
Например, предположим, что у нас 2-полюсный электродвигатель (с частотой вращения 3000 мин-1) и 4-полюсной электродвигатель (с частотой вращения 1500 мин-1). Мощность обоих электродвигателей 3,0 кВт, но их вращающие моменты отличаются.
Таким образом, вращающий момент 4-полюсного электродвигателя в два раза больше вращающего момента двухполюсного электродвигателя с той же мощностью.
Как образуется вращающий момент и частота вращения?
Теперь, после того, как мы изучили основы вращающего момента и скорости вращения, следует остановиться на том, как они создаются.
В электродвигателях переменного тока вращающий момент и частота вращения создаются в результате взаимодействия между ротором и вращающимся магнитным полем. Магнитное поле вокруг обмоток ротора будет стремиться к магнитному полю статора. В реальных рабочих условиях частота вращения ротора всегда отстаёт от магнитного поля. Таким образом, магнитное поле ротора пересекает магнитное поле статора и отстает от него и создаёт вращающий момент. Разницу в частоте вращения ротора и статора, которая измеряется в %, называют скоростью скольжения.
Скольжение является основным параметром электродвигателя, характеризующий его режим работы и нагрузку. Чем больше нагрузка, с которой должен работать электродвигатель, тем больше скольжение.
Помня о том, что было сказано выше, разберём ещё несколько формул. Вращающий момент индукционного электродвигателя зависит от силы магнитных полей ротора и статора, а также от фазового соотношения между этими полями. Это соотношение показано в следующей формуле:
Сила магнитного поля, в первую очередь, зависит от конструкции статора и материалов, из которых статор изготовлен. Однако напряжение и частота тока также играют важную роль. Отношение вращающих моментов пропорционально квадрату отношения напряжений, т.е. если подаваемое напряжение падает на 2%, вращающий момент, следовательно, уменьшается на 4%.
Работа с подшипниками
Есть много разных исполнений электродвигателей по способу монтажа, но для всех есть некоторые общие операции, которые нужно проводить в любом случае. Промывка подшипников скольжения относится именно к такому типу работ. Есть несколько способов для достижения нужного результата.

Для начала нужно удалить все остатки масла из деталей, для чего необходимо отвернуть спускные пробки. После этого пробки закручиваются обратно, а вместо масла заливается керосин. Включать прибор нельзя, нужно вручную вращать ротор или же якорь оборудования. Таким образом можно удалить все остатки масла, после чего слить керосин тем же способом, что сливалось и масло. Но это еще не конец и нужно снова сделать промывку, но на этот раз уже свежим маслом, которое также сливается. Только после выполнения этих двух операций можно заполнять ванну на 1/2 или 1/3 свежим маслом для работы.
Стоит отметить, что таким образом промываются только подшипники скольжения. Подшипники качения при любом исполнении электродвигателя по способу монтажа не промываются. Единственное требование — чтобы количество масла не превышало 2/3 от полного объема.
Основные типы электродвигателей
Существуют различные типы и модификации электрических двигателей, отличающихся типом питания, напряжением, пределом мощности, количеством оборотов в минуту. Они могут быть с фазным или с короткозамкнутым ротором. Эти показатели считаются основными, однако во многих случаях особое значение придается размерам и массе, а также энергетическим показателям.
Классификация основных типов электродвигателей выглядит следующим образом:
- Электродвигатели постоянного тока. Устанавливаются в электроприводах с возможностью регулировок, где требуются высокие эксплуатационные и динамические показатели. Они обеспечивают максимально равномерное вращение и обладают способностью к перезагрузке. Чаще всего устанавливаются на всех видах транспорта, работающих от электрического тока.
- Агрегаты переменного тока трёхфазные. Получили более широкое применение в сравнении с прочими устройствами. Они обладают более простой конструкцией, несложные в эксплуатации, надежны и дешевы в производстве. Представители этого типа двигателей используется практически во всей бытовой технике, а также в промышленности, сельском хозяйстве и других областях.
- Синхронный двигатель. Ротор совершает обороты с такой же самой частотой, какая имеется у магнитного поля, образованного в воздушной прослойке. Синхронные моторы функционируют на постоянной и стабильной скорости, поэтому они устанавливаются в вентиляционном и насосном оборудовании, компрессорных установках и генераторах, вырабатывающих постоянный ток.
- Асинхронный электродвигатель в том числе и с короткозамкнутым ротором. Вращение ротора и магнитного поля происходит с различными частотами. Их конструкция предусматривает использование фазного или короткозамкнутого ротора.
- Серводвигатели. Считаются наиболее высокотехнологичными устройствами, работающими на постоянном токе. В основе их функционирования лежат отрицательные обратные связи. Вращение вала регулируется через компьютер, а мощности вполне достаточно для развития нужной скорости.
- Электрические моторы шагового типа. Принцип действия состоит в преобразовании электронных импульсов в дискретное (прерывистое) движение. Нашли широкое применение в компьютерах и прочей оргтехнике. Несмотря на малые размеры, обладают высокой продуктивностью.
Трехфазный асинхронный двигатель с короткозамкнутым ротором
Конструкция асинхронного электродвигателя
Трехфазный асинхронный электродвигатель, как и любой электродвигатель, состоит из двух основных частей — статора и ротора. Статор — неподвижная часть, ротор — вращающаяся часть. Ротор размещается внутри статора. Между ротором и статором имеется небольшое расстояние, называемое воздушным зазором, обычно 0,5-2 мм.Статор
состоит из корпуса и сердечника с обмоткой. Сердечник статора собирается из тонколистовой технической стали толщиной обычно 0,5 мм, покрытой изоляционным лаком. Шихтованная конструкция сердечника способствует значительному снижению вихревых токов, возникающих в процессе перемагничивания сердечника вращающимся магнитным полем. Обмотки статора располагаются в пазах сердечника.
Ротор
состоит из сердечника с короткозамкнутой обмоткой и вала. Сердечник ротора тоже имеет шихтованную конструкцию. При этом листы ротора не покрыты лаком, так как ток имеет небольшую частоту и оксидной пленки достаточно для ограничения вихревых токов.
Принцип работы. Вращающееся магнитное поле
Принцип действия трехфазного асинхронного электродвигателя основан на способности трехфазной обмотки при включении ее в сеть трехфазного тока создавать вращающееся магнитное поле.
Вращающееся магнитное поле — это основная концепция электрических двигателей и генераторов.
Частота вращения этого поля, или синхронная частота вращения прямо пропорциональна частоте переменного тока f1 и обратно пропорциональна числу пар полюсов р трехфазной обмотки.
,
- где n1 – частота вращения магнитного поля статора, об/мин,
- f1 – частота переменного тока, Гц,
- p – число пар полюсов
Концепция вращающегося магнитного поля
Чтобы понять феномен вращающегося магнитного поля лучше, рассмотрим упрощенную трехфазную обмотку с тремя витками. Ток текущий по проводнику создает магнитное поле вокруг него. На рисунке ниже показано поле создаваемое трехфазным переменным током в конкретный момент времени
Составляющие переменного тока будут изменяться со временем, в результате чего будет изменяться создаваемое ими магнитное поле. При этом результирующее магнитное поле трехфазной обмотки будет принимать разную ориентацию, сохраняя при этом одинаковую амплитуду.
Действие вращающегося магнитного поля на замкнутый виток
Теперь разместим замкнутый проводник внутри вращающегося магнитного поля. По закону электромагнитной индукции изменяющееся магнитное поле приведет к возникновению электродвижущей силы (ЭДС) в проводнике. В свою очередь ЭДС вызовет ток в проводнике. Таким образом, в магнитном поле будет находиться замкнутый проводник с током, на который согласно закону Ампера будет действовать сила, в результате чего контур начнет вращаться.

Влияние вращающегося магнитного поля на замкнутый проводник с током
Короткозамкнутый ротор асинхронного двигателя
По этому принципу также работает асинхронный электродвигатель. Вместо рамки с током внутри асинхронного двигателя находится короткозамкнутый ротор по конструкции напоминающий беличье колесо. Короткозамкнутый ротор состоит из стержней накоротко замкнутых с торцов кольцами.
Короткозамкнутый ротор «беличья клетка» наиболее широко используемый в асинхронных электродвигателях (показан без вала и сердечника)
Трехфазный переменный ток, проходя по обмоткам статора, создает вращающееся магнитное поле. Таким образом, также как было описано ранее, в стержнях ротора будет индуцироваться ток, в результате чего ротор начнет вращаться. На рисунке ниже Вы можете заметить различие между индуцируемыми токами в стержнях. Это происходит из-за того что величина изменения магнитного поля отличается в разных парах стержней, из-за их разного расположения относительно поля. Изменение тока в стержнях будет изменяться со временем.
Как действуют асинхронные электромоторы
Среди всех агрегатов переменного тока, чаще всего во многих сферах используются асинхронные двигатели трехфазного тока. Общий принцип работы асинхронного мотора очень простой и будет рассмотрен ниже. Их количество составляет примерно 90% от всех выпускаемых изделий этого типа. Данные устройства широко используются в промышленности, на транспорте, в сельском хозяйстве и многих других областях.

Агрегаты асинхронного типа также, как и другие, выпускаются и используются для трансформации переменного тока в механическую работу вала. Если объяснять по-простому, для чайников, понятие асинхронный возникло из-за разницы, возникающей между частотами, с которыми вращаются магнитные поля статоров и роторов. Частота у статора во всех случаях превышает частоту вращения ротора.
Конструкция асинхронного двигателя
В конструкцию асинхронного электродвигателя входят две основные детали – статор и ротор.
Для изготовления статора используются стальные листы, а сам он имеет форму цилиндра. В пазы конструкции укладываются обмотки из медных проводников. Их оси сдвинуты в пространстве относительно друг друга на 120 градусов. Соединение между собой концов каждой обмотки осуществляется по разным вариантам – в виде звезды или треугольником.
Роторные части асинхронных моторов изготавливаются в двух вариантах. В первом случае это изделия с короткозамкнутым ротором, собираемым в форме сердечника из стальных пластинок. В его пазы заливается алюминий в расплавленном виде, что приводит к образованию стержней, коротко замкнутых с торцевыми кольцами. В агрегатах повышенной мощности алюминиевый расплав по технологии заменяется медью.

Второй вариант представляет собой фазный ротор, имеющий такую же трехфазную обмотку, аналогичную обмотке у статора. Как правило, соединение обмоток в этом случае осуществляется звездой, а их свободные концы соединяются с контактными кольцами. Эти же кольца соединяются со щетками, обеспечивающими использование добавочного резистора. Данный элемент уменьшает слишком высокое значение пусковых токов.
Когда к обмотке трехфазного статора подается напряжение, во всех фазах возникает магнитный поток, изменяющийся с такой же частотой, как и в поступающем напряжении. У всех магнитных потоков имеется сдвиг на 120 градусов по отношению друг к другу. В результате образуется общий магнитный поток, который и обеспечивает собственное вращение. Он оказывает влияние на проводники роторных обмоток и создает в них ЭДС.
Образовавшийся ток начинает взаимодействовать с магнитным потоком статора, что, в результате, приводит к возникновению пускового момента электромотора. То есть, ротор устремляется к повороту в том же самом направлении, в каком осуществляется вращение магнитного поля статора. После того как пусковой момент превысит тормозной момент ротора, вал двигателя начнет вращаться.

Тяговый электродвигатель: назначение и применение

Виды электродвигателей: устройство, принцип работы

Подключение асинхронного электродвигателя
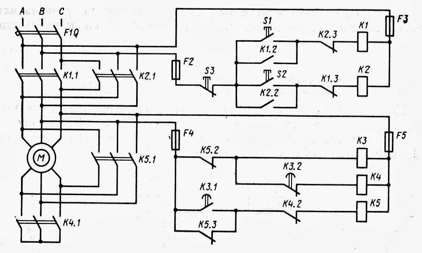
Схема реверса электродвигателя с магнитным пускателем

Крановые электродвигатели

Принцип действия синхронного двигателя
5.18.2 Индукционные регуляторы и фазорегуляторы
Индукционные регуляторы напряжения представляют
собой заторможенный асинхронный двигатель с фазовым ротором. Им можно регулировать
напряжение в широких пределах. Статорная и роторная обмотки в регуляторе соединены
электрически, но так, чтобы они могли быть смещены относительно друг друга поворотом
ротора. При подключении индукционного регулятора к сети вращающийся магнитный
поток наводит в обмотках статора и ротора ЭДС E1 и E2.
При совпадении осей в обмотках ЭДС E1 и E2 совпадают по
фазе, а на выходных зажимах регулятора устанавливается максимальное значение
напряжения.
При повороте ротора оси обмоток поворачиваются
на некоторый угол a. На такой же угол смещается и вектор E2.
При этом напряжение на выходе уменьшается. Поворотом ротора на угол 180° мы
устанавливаем на выходе минимальное напряжение.
Фазорегулятор предназначен для изменения фазы вторичного
напряжения относительно первичного. При этом величина вторичного напряжения
остается неизменной.
Фазорегулятор представляет собой асинхронную машину,
заторможенную специальным поворотным устройством. Напряжение подводится к статорной
обмотке, а снимается с роторной. В отличие от индукционного регулятора здесь
обмотки статора и ротора электрически не соединены. Изменение фазы вторичного
напряжения осуществляется поворотом ротора относительно статора.
Применяется в автоматике и измерительной технике.
Получение вращающегося магнитного поля
Рассматривая работу трехфазных трансформаторов, можно убедиться, что сумма мгновенных значений пульсирующих (переменных) магнитных потоков трех стержней всегда равна нулю. Происходит это потому, что оси трех обмоток AX, BY, CZ параллельны друг другу, как показано на рис. 1. Направление мгновенных токов нанесено для момента времени a диаграммы трехфазного тока (рис. 2). Такой же эффект получается, если обмотки расположены на одной, общей оси (рис. 3).

Рис. 1. Суммирование мгновенных значений магнитных потоков трехфазного генератора

Рис. 2. Кривые трехфазного тока
Рис. 3. Суммирование магнитных потоков трех обмоток, расположенных на одной оси

Рис. 4. Суммарный магнитный поток трехфазной обмотки асинхронного двигателя

Рис. 5. Суммарный магнитный поток двигателя для момента времени б (рис. 2)
Однако дело существенно меняется, если обмотки расположены в пространстве под углом 120°, так же как и оси. Такое размещение обмоток на внутренней поверхности стального цилиндра показано на рис. 4. Токи в проводах обмотки нанесены для момента времени a диаграммы на рис. 2 и соответствуют показанным на рис. 3.
Намагничивающая сила обмотки BY – FBm направлена по оси обмотки by и имеет максимальное значение, так как iB= IBm. Намагничивающая сила обмотки AX – FAнаправлена по оси своей обмотки ax, но равна 0,5 FBm, так как ток iA= 0,5IBm. Точно так же FC= 0,5FBmи направлена по оси cx. Легко видеть, что при данном расположении намагничивающие силы создают суммарную н.с.:
F = FA+ FC+ FBm= 1,5FBm.
Если рассмотреть явление через 1/6 периода (точка б на рис. 2), то можно видеть (рис. 5), что результирующая н.с., сохранив свое значение, повернулась на 1/6 окружности, т.е. на 60°.
Вместе с н.с. трехфазной обмотки вращается и созданный ею суммарный магнитный поток Ф. При данной конструкции обмоток поток оказался двухполюсным (2р = 1), т.е. имеет одну пару полюсов, что и показано на рис. 5.
Легко видеть, что за один период тока магнитный поток сделает один оборот, а за f периодов в секунду или за f·60 периодов в минуту двухполюсный поток сделает:
Если сконструировать обмотки так, чтобы число пар полюсов было больше единицы (2р = 2, 3, 4…), то скорость вращения магнитного потока уменьшается во столько раз, во сколько 2р >
Итак, трехфазный ток, обтекая трехфазную обмотку, создает вращающийся с постоянной скоростью магнитный поток, сохраняющий свою амплитуду, в 1,5 раза большую амплитуды потока одной фазы
Ф = 1,5Ффзы.
Рис. 6. Статор асинхронного электродвигателя без обмотки
Рис. 7. Стальной лист статора
В асинхронных электродвигателях трехфазная обмотка располагается в пазах внутренней цилиндрической поверхности неподвижной части машины — статора (рис. 6). Статор состоит внешнего стального корпуса 1, в который запрессован стальной сердечник статора 2, имеющий пазы. Сердечник собирается из стальных штампованных листов (рис. 7) электротехнической стали, изолированных друг от друга с обеих сторон специальным лаком. Корпус статора у показанного электродвигателя с внешней стороны обдувается воздухом при помощи вентилятора, и для увеличения охлаждаемой поверхности она выполнена ребристой.
Так как внутри статора должна помещаться вращающаяся часть — ротор, то лобовые части обмотки, не лежащие в пазах, должны укладываться не так, как показано на рис. 4, а на торцевых сторонах сердечника статора 2 (рис. 8). Начала
фаз А, В, С смещены на 120 эл. градусов (рис. 8), а выводы от них помещены в распределительную коробку 3 (рис. 6).

Рис. 8. Расположение обмоток статора в пазах
Режимы работы

Электродвигатель асинхронного типа универсальный механизм и по продолжительности работы имеет несколько режимов:
- Продолжительный;
- Кратковременный;
- Периодический;
- Повторно-кратковременный;
- Особый.
Продолжительный режим – основной режим работы асинхронных устройств, который характеризуется постоянной работой электродвигателя без отключений с неизменной нагрузкой. Такой режим работы самый распространенный, используется на промышленных предприятиях повсеместно.
Кратковременный режим – работает до достижения постоянной нагрузки определенное время (от 10 до 90 минут), не успевая максимально разогреться. После этого отключается. Такой режим используют при подаче рабочих веществ (воду, нефть, газ) и прочих ситуациях.
Периодический режим – продолжительность работы имеет определенное значение и по завершении цикла работ отключается. Режим работы пуск-работа-остановка. При этом он может отключаться на время, за которое не успевает остыть до внешних температур и включаться заново.
Повторно-кратковременный режим – двигатель не нагревается максимально, но и не успевает остыть до внешней температуры. Применяется в лифтах, эскалаторах и прочих устройствах.
Особый режим – продолжительность и период включения произвольный.
В электротехнике существует принцип обратимости электрических машин — это означает, что устройство может, как преобразовывать электрическую энергию в механическую, так и совершать обратные действия.
Асинхронные электродвигатели тоже соответствуют этому принципу и имеют двигательный и генераторный режим работы.
Двигательный режим – основной режим работы асинхронного электродвигателя. При подаче напряжения на обмотки возникает электромагнитный вращающий момент, увлекающий за собой ротор с валом и, таким образом, вал начинает вращаться, двигатель выходит на постоянную частоту вращения, совершая полезную работу.
Генераторный режим – основан на принципе возбуждения электрического тока в обмотках двигателя при вращении ротора. Если вращать ротор двигателя механическим способом, то на обмотках статора образуется электродвижущая сила, при наличии конденсатора в обмотках возникает емкостный ток. Если емкость конденсатора будет определенного значения, зависящего от характеристик двигателя, то произойдет самовозбуждение генератора и возникнет трехфазная система напряжений. Таким образом короткозамкнутый электродвигатель будет работать как генератор.
Устройство двигателя
В перпендикулярной плоскости, представленной магнитопроводом, вокруг проводника возникают магнитные потоки Ф. По ней проходит переменный синусоидальный ток, имеющий положительные и отрицательные полуволны. Достаточно подать на статор двигателя трехфазное напряжение и двигатель сразу запускается.
В этих схемах вместо установки на вводе рубильников с предохранителями применяют воздушные автоматы. Динамическое торможение, в отличие от торможения противовключением и фрикционного метода, является плавным, мягким торможением.
Таким образом, также как было описано ранее, в стержнях ротора будет индуцироваться ток, в результате чего ротор начнет вращаться.
Кнопка S2 освобождается и принимает исходное положение, контактор К2М обесточивается, контакты К2 1—2 М размыкаются. Благодаря этому при отпускании кнопки катушка пускателя не теряет питание, так как ток в этом случае идет через блокировочный контакт.
Поэтому для защиты электродвигателей от длительных перегрузок при использовании автомата с электротепловым расцепителем такого типа применяются дополнительные электротепловые реле, как и при использовании автоматического выключателя с электромагнитным расцепителем.
Одновременно закроется вспомогательный контакт K1A. Схема подключения такого двигателя показана на рисунке справа.
Скольжение асинхронного двигателя может изменяться в диапазоне от 0 до 1, т. Пользователей: Устройство однофазного асинхронного двигателя Однофазные асинхронные двигателя выпускают от 5Вт до 10кВт.
Определение схемы обмоток и рабочего напряжения асинхронного электродвигателя





























