Схемы выпрямителей
Выпрямление тока в блоках питания – основное назначение, среди других компонентов схемы можно выделить входной фильтр, который подключают после выпрямителя – он предназначен для сглаживания пульсаций. Давайте разберемся в этом вопросе подробнее!
В первую очередь стоит отметить, что диодным мостом называют схему однофазного выпрямителя из 4 диодов или трёхфазного из 6. Но любители часто так называют схему выпрямителя со средней точкой.
У двухполупериодного выпрямителя к нагрузке поступает две полуволны, а у однополупериодного – одна.
Чтобы не было путаницы, давайте разбираться в терминологии.
Ниже вы видите однофазную двухполупериодную схему, её правильное название «Схема Гретца», именно её чаще всего подразумевают под названием «диодный мост».

Схема Ларионова – трёхфазный диодный мост, на выходе сигнал двухполупериодный. Диоды в нём пропускают полуволны, открываясь на линейное напряжение, т.е. поочередно: верхний диод фазы A и нижний диод фазы B, верхний фазы B и нижний фазы C и т.д.

Для полноты картины следует рассказать и о других схемах выпрямителей переменного напряжения.
Однополупериодный выпрямитель из 1 диода, включенного последовательно с нагрузкой. Применяется в балластных блоках питания, маломощных миниатюрных блоках питания, а также в приборах, нетребовательных к коэффициенту пульсаций. К нагрузке поступает только одна полуволна.

Двухполупериодный со средней точкой – это и есть то, что ошибочно называют мостом из 2 диодов. Здесь каждую полуволну проводит только один диод. Её преимуществом является больший КПД, чем у схемы Гретца, за счет меньшего числа полупроводниковых вентилей. Однако её использование осложнено тем, что нужен трансформатор с отводом от средней точки, что отражено на схеме принципиальной. Её нельзя использовать для выпрямления сетевого напряжения 220В.
Выпрямитель из сборок Шоттки. Используется в импульсных блоках питания, потому что у диодов Шоттки меньше время обратного восстановления, малая барьерная ёмкость (быстрее переход из открытого состояния в закрытое) и малое прямое падение напряжения (меньше потерь). Чаще всего Шоттки встречаются в сборках, с общим анодом или катодом, как изображено на рисунке ниже.

Поэтому для сборки схемы моста потребуется несколько сборок. Ниже приведен пример из 3 сборок Шоттки с общим катодом.

Из 4 сборок с общим катодом. Отличается от предыдущей тем, что выдерживает больший ток, при тех же компонентах потому, что Шоттки в ней соединены параллельно.

Из 2 сборок Шоттки – одна с общим анодом и одна с общим катодом. Узнать о том, что такое анод и катод, вы можете в нашей отдельной статье.

Диодный мост генератора
Диодный мост генератора в автомобилях выпрямляет переменное напряжение, которое поступает от обмоток статора генератора. То есть грубо говоря, без диодного моста получается трехфазный мини-генератор.
Диодный мост генератора ВАЗ 2110
В этой статье будем рассматривать диодный мост от генератора ВАЗ 2110.
Он сделан по схеме Ларионова с некоторым дополнением в виде 3 дополнительных диодов.
Проверка с помощью лампы накаливания
Этот способ считается самым простым, и все его могут применить, так как под рукой всегда найдется аккумулятор и лампа на 12 В. Иначе откуда у вас автомобильный генератор?)
Предварительно лучше запаять или прикрепить к лампе два провода, чтобы было проще производить проверку. Итак, собираем наш прибор для проверки диодного моста генератора из лампы и аккумулятора вот по такой схеме.
Далее, все что нам надо сделать — это просто проверить каждый диод. Итак, вспоминаем, что диод в одном направлении проводит электрический ток, а в другом нет. Получается, нам надо в каждый диод «тыкнуться» два раза, чтобы узнать исправен ли он. Так мы и сделаем.
Вместо аккумулятора у меня будет лабораторный блок питания на 12 Вольт, что в принципе не играет никакой роли. Мой «прибор» для проверки диодов выглядит вот так.
Красные крокодил — это плюс от аккумулятора, в моем случае — от блока питания, а черный — это минус.
Поехали! У нас имеется 9 диодов. Начнем, пожалуй, с больших диодов-таблеток, которые вмонтированы в металлические пластины. Цепляюсь одним выводом-крокодилом к пластине, на которой вмонтирован один конец диода
а другим выводом, который идет от лампы накаливания касаюсь другого вывода диода и вуаля! Лампа зажглась!
Теперь надо обязательно поменять выводы наших проводов с самопального прибора местами и снова повторить это действие.
Как вы видите, наша лампа не горит, и это замечательно! Потому что мы сейчас только что убедились в том, что наш диод абсолютно здоров и готов выполнять свою задачу на 100%.
Таким же образом проверяем все диоды таблетки.
Маленькие черные диоды проверяются точь-в-точь таким же способом.
Меняем выводы и убеждаемся, что диод рабочий.
Правила:
1) Если лампочка не горит ни так ни сяк, значит диод неисправен.
2) Если лампочка горит и так и сяк, значит диод тоже неисправен.
3) Если лампочка горит, а при смене щупов не горит, значит диод исправен.
Проверка с помощью мультиметра
Не у всех есть такой замечательный прибор, как мультиметр, но он должен быть у каждого уважающего себя электрика и электронщика.
В каждом хорошем мультиметре есть функция прозвонки диодов. Как я уже говорил, наш автомобильный диодный мост будет исправен, если все его диоды будут исправны.
Берем в руки мультиметр и ставим его в режим прозвонки диодов.
И начинаем проверять все диоды друг за другом на исправность. В одном направлении диод должен показать значение от 0,4 и до 0,7 Вольт. В нашем случае 0,552 Вольта, что вполне приемлемо.
Далее меняем щупы местами и видим, что мультиметр показывает нам OL, что говорит нам о том, что превышен предел измерения. Значит, диод жив и здоров).
Таким же образом проверяем все оставшиеся диоды.
Применение диодов
Не следует думать, что диоды применяются лишь как выпрямительные и детекторные приборы. Кроме этого можно выделить еще множество их профессий. ВАХ диодов позволяет использовать их там, где требуется нелинейная обработка аналоговых сигналов. Это преобразователи частоты, логарифмические усилители, детекторы и другие устройства. Диоды в таких устройствах используются либо непосредственно как преобразователь, либо формируют характеристики устройства, будучи включенными в цепь обратной связи. Широкое применение диоды находят в стабилизированных источниках питания, как источники опорного напряжения (стабилитроны), либо как коммутирующие элементы накопительной катушки индуктивности (импульсные стабилизаторы напряжения).
Выпрямительные диоды.
С помощью диодов очень просто создать ограничители сигнала: два диода включенные встречно – параллельно служат прекрасной защитой входа усилителя, например, микрофонного, от подачи повышенного уровня сигнала. Кроме перечисленных устройств диоды очень часто используются в коммутаторах сигналов, а также в логических устройствах. Достаточно вспомнить логические операции И, ИЛИ и их сочетания. Одной из разновидностей диодов являются светодиоды. Когда-то они применялись лишь как индикаторы в различных устройствах. Теперь они везде и повсюду от простейших фонариков до телевизоров с LED – подсветкой, не заметить их просто невозможно.
Будет интересно Как устроен туннельный диод?
Параметры диодов
Параметров у диодов достаточно много и они определяются функцией, которую те выполняют в конкретном устройстве. Например, в диодах, генерирующих СВЧ колебания, очень важным параметром является рабочая частота, а также та граничная частота, на которой происходит срыв генерации. А вот для выпрямительных диодов этот параметр совершенно не важен. Основные параметры выпрямительных диодов приведены в таблице ниже.
Таблица основных параметров выпрямительных диодов.
В импульсных и переключающих диодах важна скорость переключения и время восстановления, то есть скорость полного открытия и полного закрытия. В мощных силовых диодах важна рассеиваемая мощность. Для этого их монтируют на специальные радиаторы. А вот диоды, работающие в слаботочных устройствах, ни в каких радиаторах не нуждаются. Но есть параметры, которые считаются важными для всех типов диодов, перечислим их:
- U пр.– допустимое напряжение на диоде при протекании через него тока в прямом направлении. Превышать это напряжение не стоит, так как это приведёт к его порче.
- U обр.– допустимое напряжение на диоде в закрытом состоянии. Его ещё называют напряжением пробоя. В закрытом состоянии, когда через p-n переход не протекает ток, на выводах образуется обратное напряжение. Если оно превысит допустимое значение, то это приведёт к физическому «пробою» p-n перехода. В результате диод превратиться в обычный проводник (сгорит).
Очень чувствительны к превышению обратного напряжения диоды Шоттки, которые очень часто выходят из строя по этой причине.
Обычные диоды, например, выпрямительные кремниевые более устойчивы к превышению обратного напряжения. При незначительном его превышении они переходят в режим обратимого пробоя. Если кристалл диода не успевает перегреться из-за чрезмерного выделения тепла, то изделие может работать ещё долгое время.
- I пр.– прямой ток диода. Это очень важный параметр, который стоит учитывать при замене диодов аналогами или при конструировании самодельных устройств. Величина прямого тока для разных модификаций может достигать величин десятков и сотен ампер. Особо мощные диоды устанавливают на радиатор для отвода тепла, который образуется из-за теплового действия тока. P-N переход в прямом включении также обладает небольшим сопротивлением. На небольших рабочих токах его действие не заметно, но вот при токах в единицы-десятки ампер кристалл диода ощутимо нагревается. Так, например, выпрямительный диодный мост в сварочном инверторном аппарате обязательно устанавливают на радиатор.
- I обр.– обратный ток диода. Обратный ток – это так называемый ток неосновных носителей. Он образуется, когда диод закрыт. Величина обратного тока очень мала и его в подавляющем числе случаев не учитывают.
- U стаб.– напряжение стабилизации (для стабилитронов). Подробнее об этом параметре читайте в статье про стабилитрон.
Будет интересно SMD транзисторы
Кроме того следует иметь в виду, что все эти параметры в технической литературе печатаются и со значком “max”. Здесь указывается предельно допустимое значение данного параметра. Поэтому подбирая тип диода для вашей конструкции необходимо рассчитывать именно на максимально допустимые величины.
Диоды высокого тока.
Особенности видов напряжения
Возникает закономерный вопрос о том, зачем в розетках используется переменный ток, если подавляющее большинство электронной аппаратуры питается постоянным током. Дело в том, что для питания узлов той или иной аппаратуры требуются напряжения разной величины. Процессор компьютера, например, питается 3 В, а мобильный телефон требует для своей зарядки целых 5 В. Усилителю музыкального центра нужно уже около 25 В.
Постоянное напряжение достаточно сложно трансформировать из одной величины в другую, а вот переменное — запросто. Для этого служат, к примеру, трансформаторы. Некоторые важные силовые узлы, такие как двигатели, все же нуждаются в переменном напряжении. Поэтому промышленные генераторы, питающие бытовые розетки, вырабатывают его до общепринятой величины (например, 220 В), а каждый прибор уже на месте получает из него то, что ему требуется.
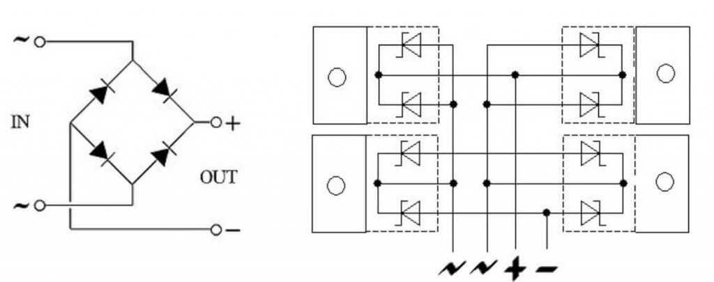
Что такое диодный мост и из каких элементов он состоит
Диодный мост в схемах, применяемых в сетях с однофазным напряжением, состоит из четырех диодов, представляющих собой полупроводниковый элемент с одним p-n переходом. Ток в таком полупроводнике проходит только в одном направлении при подключении анода к плюсу источника, а катода – к минусу. Если подключение будет обратным, ток закрывается. Диодный мост для трехфазного электрического тока отличается наличием шести диодов, а не четырех. Существенные различия в принципе работы между мостовыми схемами для однофазных и трехфазных сетей отсутствуют.
Устройство диода
Диод Шоттки – еще один вид полупроводниковых элементов, используемых в диодных мостах. Его основным отличием является переход металл-полупроводник, называемый «барьером Шоттки». Как и переход p-n, он обеспечивает проводимость в одну сторону. Для изготовления устройств Шоттки применяют арсенид галлия, кремний и металлы: золото, платину, вольфрам, палладий. При приложении небольших напряжений – до 60 В – диод Шоттки отличается малым падением напряжения на переходе (не более 0,4 В) и быстродействием. При бытовом напряжении 220 В он ведет себя как обычный кремниевый выпрямительный полупроводник. Сборки из таких полупроводниковых устройств часто устанавливаются в импульсных блоках питания.
https://youtube.com/watch?v=XamfUIu4wDI
Последовательное и параллельное соединения диодов.
Если для выпрямительной схемы нельзя выбрать нужный тип диода в соответствии с заданным значением обратного напряжения или прямого тока, то используют два или более однотипных диодов с меньшими значениями параметров, включая эти диоды последовательно или параллельно.
Параллельное соединение диодов
Параллельное соединение диодов
При параллельном соединении диодов из-за возможного разброса параметров их токи будут неодинаковыми. Один из этих токов может превысить максимально допустимое значение, что приведёт к выходу из строя сначала одного, а затем и другого диода. Более равномерное распределения тока между параллельно соединёнными диодами достигается включением последовательно с каждым из них одинаковых по номиналу резисторов Rд. Сопротивление резисторов Rд должно быть в 5…10 раз больше, чем сопротивление диода в прямом направлении. В мощных выпрямительных устройствах для этой же цели используются индуктивные выравниватели токов.
Расчёт параллельного соединения диодов
Для начала расчёта необходимо определить требуемое количество параллельно соединённых диодов, исходя из того, что ток, проходящий через один диод не должен превышать значения максимально допустимого значения тока для данного типа диода, тогда количество параллельно соединённых диодов будет равно
mTnp
При дробных значениях расчётного количества диодов округление ведётся в большую сторону.
Значение сопротивления добавочных резисторов определяется по формуле
, где
np.cp
Расчитаное сопротивление добавочных резисторов округляют до ближайшего стандартного сопротивления.
Пример расчёта параллельного соединения диодов
Рассчитать выпрямительную цепь, позволяющую получить выпрямленный ток Iвыпр = 550 мА, если используются диоды Д226Б.
Так как средний прямой ток диода Д226Б Iпр. ср = 300 мА, то необходимо применить несколько параллельно соединённых диодов с добавочными резисторами. Рассчитаем количество параллельно соединённых диодов, примем kT = 0,8
Возьмём n = 3.
Найдём значение сопротивлений добавочных резисторов
Выберем резистор из стандартного ряда сопротивлений Е24 (± 5%) Rдоб = 6,2 Ом
Последовательное соединение диодов
Последовательное соединение диодов
Для обеспечения возможности работы выбранного типа диода в схеме выпрямителя с обратным напряжением, превышающим его максимально допустимое значение, следует соединять однотипные диоды последовательно. Если параметры не совпадают, то один из диодов оказывается под значительно большим напряжением, чем другой. Это может привести к пробою одного, а затем и другого диода. Выравнивание обратного напряжения на последовательно соединенных диодах достигается шунтированием каждого из диодов резистором Rш. Ток, протекающий через эти резисторы, должен быть в 5…10 раз больше максимально возможного обратного тока диодов. В мощных высоковольтных выпрямительных устройствах для этой же цели диоды шунтируют конденсаторами Сш или RC-цепью.
Расчёт последовательного соединения диодов
Для начала расчёта необходимо определить количество последовательно соединенных диодов, исходя из того что падение напряжения на каждом отдельно взятом диоде не должно превышать амплитудного значения напряжения, тогда количество последовательно включённых диодов будет равно
, где
Um — амплитудное значение напряжения проходящее через диод,
kH – коэффициент нагрузки по напряжению (может принимать значения от 0,5 до 0,8),
Uobp max — максимально допустимое обратное напряжение диода.
При дробных значениях расчётного количества диодов округление ведётся в большую сторону.
Значение сопротивлений шунтирующих резисторов определяется по формуле
, где
Iобp max — максимально допустимый обратный ток диода при максимальной температуре.
Пример расчёта последовательного соединения диодов
Рассчитать выпрямительную цепь для напряжения с амплитудным значением 700В, используя диоды Д226Б.
Так как максимально допустимое обратное напряжение диода Uобр.max = 300В, то для выпрямления необходимо применить цепочку из последовательно соединённых диодов с шунтирующими резисторами. Рассчитаем количество последовательных диодов, примем kH = 0,7
Возьмём n = 4
Найдём значение сопротивлений шунтирующих резисторов
Выберем резистор из стандартного ряда сопротивлений Е24 (± 5%) Rш = 1 MОм
Включение дополнительных и шунтирующих резисторов неизбежно связано с увеличением потерь мощности и уменьшением КПД выпрямительной схемы.
Принцип работы диода
Диод — это полупроводниковый прибор, имеющий малое сопротивление для тока в одном направлении, и препятствующий его прохождению в обратном. Физически диод состоит из одного p-n перехода. Конструктивно представляет собой элемент, содержащий два вывода. Вывод, подключённый к p-области, называется анодом, а соединённый с n-областью — катодом.
При работе диода существует три его состояния:
- сигнал на выводах отсутствует;
- он находится под действием прямого потенциала;
- он находится под действием обратного потенциала.
Прямым потенциалом называется такой сигнал, когда плюсовой полюс источника питания подключён к области p-типа полупроводника, другими словами, полярность внешнего напряжения совпадает с полярностью основных носителей. При обратном потенциале отрицательный полюс подключён к p-области, а положительный к n.
В области соединения материала n- и p-типа существует потенциальный барьер. Он образуется контактной разностью потенциалов и находится в уравновешенном состоянии. Высота барьера не превышает десятые доли вольта и препятствует продвижению носителей заряда вглубь материала.
Если к прибору подключено прямое напряжение, то величина потенциального барьера уменьшается и он практически не оказывает сопротивление протеканию тока. Его величина возрастает и зависит только сопротивления p- и n- области. При прикладывании обратного потенциала, величина барьера увеличивается, так как из n-области уходят электроны, а из p-области дырки. Слои обедняются и сопротивление барьера прохождению тока возрастает.
Основным показателем элемента является вольт-амперная характеристика. Она показывает зависимость между приложенным к нему потенциалом и током, протекающим через него. Представляется эта характеристика в виде графика, на котором указывается прямой и обратный ток.
Устройство и принцип работы
Диодный мост представляет собой электронную схему, собранную на основе выпрямительных диодов, который предназначен для преобразования подаваемого на него переменного тока в постоянный. Чаще всего в состав схемы включаются диоды Шоттки, но это не категоричное требование, поэтому в каком-либо конкретном случае может заменяться и другими моделями, подходящими по техническим параметрам. Схема моста из полупроводниковых диодов включает в себя четыре элемента для одной фазы. Диодный мостик может набираться как отдельными диодами, так и собираться единым блоком, в виде монолитного четырехполюсника.
Принцип работы диодного моста основывается на способности p – n перехода пропускать электрический ток только в одном направлении. Схема включения диодов в мост построена таким образом, чтобы для каждой полуволны создавался свой путь протекания электрического тока к подключенной нагрузке.
Рис. 1. Принцип работы диодного моста
Для пояснения выпрямления диодным мостом необходимо рассматривать работу схемы относительно формы напряжения на входе. Следует отметить, что кривая напряжения за один период имеет две полуволны – положительную и отрицательную. В свою очередь, каждая полуволна имеет процесс нарастания и убывания по отношению к максимальной точке амплитуды.
Поэтому работа выпрямительного устройства будет иметь такие этапы:
- На вход выпрямительного моста, обозначенного буквами А и Б подается переменное напряжение 220В.
- Каждая полуволна, подаваемая из электрической сети или от обмоток трансформатора, преобразуется в постоянную величину парой диодов, расположенных по диагонали.
- Положительная полуволна будет проводиться парой диодов VD1 и VD4 и выдавать на выход моста полуволну в положительной области оси ординат.
- Отрицательная полуволна будет выпрямляться парой диодов VD2 и VD3, с которых на том же выходе моста возникнет очередная полуволна в положительной области.
В связи с тем, что оба полупериода получают реализацию на выходе диодного моста, такое электронное устройство получило название двухполупериодного выпрямителя, также его называют схемой Гретца.
Обозначение на схеме и маркировка
На электрической схеме диодный мост может иметь различные варианты изображения. Чаще всего вы можете встретить такие обозначения:
Рис. 2. Обозначение на схеме
Первый вариант обозначения мостового выпрямителя используется, как правило, в тех ситуациях, когда электронный прибор представляет собой монолитную конструкцию, единую сборку. На схеме маркировка выполняется латинскими буквами VD, за которыми указывается порядковый номер.
Второй вариант наиболее распространен для тех ситуаций, когда диодный мост состоит из отдельных полупроводниковых устройств, собранных в одну схему. Маркировка второго варианта, чаще всего, выполняется в виде ряда VD1 – VD4. Следует также отметить, что вышеприведенное схематическое обозначение и маркировка хоть и имеет общепринятый характер, но может нарушаться при составлении схем.
Разновидности диодных мостов
В зависимости от количества фаз, которые подключаются к диодному мосту, различают однофазные и трехфазные модели. Первый вариант мы детально рассмотрели на примере схемы Гретца выше. Трехфазные выпрямители, в свою очередь, разделяются на шести- и двенадцатипульсовые модели, хотя схема диодного моста у них идентична. Рассмотрим более детально работу диодного устройства для трехфазной схемы.
Рис. 3. Схема трехфазного диодного моста
Диодный мост, приведенный на рисунке выше, получил название схемы Ларионова. Конструктивно для каждой из фаз устанавливается сразу два диода в противоположном направлении друг относительно друга
Здесь важно отметить, что синусоида во всех трех фазах имеет смещение в 120° друг относительно друга, поэтому на выходах устройства при наложении результирующей диаграммы получится следующая картина:
Рис. 4. Напряжение выпрямленное трехфазным мостом
Как видите, в сравнении с однофазным выпрямителем на базе диодного моста картина получается более плавной, а скачки напряжения имеют значительно меньшую амплитуду.
Устройство и принцип работы
Диодный мост представляет собой электронную схему, собранную на основе выпрямительных диодов, который предназначен для преобразования подаваемого на него переменного тока в постоянный. Чаще всего в состав схемы включаются диоды Шоттки, но это не категоричное требование, поэтому в каком-либо конкретном случае может заменяться и другими моделями, подходящими по техническим параметрам. Схема моста из полупроводниковых диодов включает в себя четыре элемента для одной фазы. Диодный мостик может набираться как отдельными диодами, так и собираться единым блоком, в виде монолитного четырехполюсника.
Принцип работы диодного моста основывается на способности p – n перехода пропускать электрический ток только в одном направлении. Схема включения диодов в мост построена таким образом, чтобы для каждой полуволны создавался свой путь протекания электрического тока к подключенной нагрузке.
Рис. 1. Принцип работы диодного моста
Для пояснения выпрямления диодным мостом необходимо рассматривать работу схемы относительно формы напряжения на входе. Следует отметить, что кривая напряжения за один период имеет две полуволны – положительную и отрицательную. В свою очередь, каждая полуволна имеет процесс нарастания и убывания по отношению к максимальной точке амплитуды.
Поэтому работа выпрямительного устройства будет иметь такие этапы:
- На вход выпрямительного моста, обозначенного буквами А и Б подается переменное напряжение 220В.
- Каждая полуволна, подаваемая из электрической сети или от обмоток трансформатора, преобразуется в постоянную величину парой диодов, расположенных по диагонали.
- Положительная полуволна будет проводиться парой диодов VD1 и VD4 и выдавать на выход моста полуволну в положительной области оси ординат.
- Отрицательная полуволна будет выпрямляться парой диодов VD2 и VD3, с которых на том же выходе моста возникнет очередная полуволна в положительной области.
В связи с тем, что оба полупериода получают реализацию на выходе диодного моста, такое электронное устройство получило название двухполупериодного выпрямителя, также его называют схемой Гретца.
Обозначение на схеме и маркировка
На электрической схеме диодный мост может иметь различные варианты изображения. Чаще всего вы можете встретить такие обозначения:
Рис. 2. Обозначение на схеме
Первый вариант обозначения мостового выпрямителя используется, как правило, в тех ситуациях, когда электронный прибор представляет собой монолитную конструкцию, единую сборку. На схеме маркировка выполняется латинскими буквами VD, за которыми указывается порядковый номер.
Второй вариант наиболее распространен для тех ситуаций, когда диодный мост состоит из отдельных полупроводниковых устройств, собранных в одну схему. Маркировка второго варианта, чаще всего, выполняется в виде ряда VD1 – VD4.
Следует также отметить, что вышеприведенное схематическое обозначение и маркировка хоть и имеет общепринятый характер, но может нарушаться при составлении схем.
Разновидности диодных мостов
В зависимости от количества фаз, которые подключаются к диодному мосту, различают однофазные и трехфазные модели. Первый вариант мы детально рассмотрели на примере схемы Гретца выше.
Трехфазные выпрямители, в свою очередь, разделяются на шести- и двенадцатипульсовые модели, хотя схема диодного моста у них идентична. Рассмотрим более детально работу диодного устройства для трехфазной схемы.
Рис. 3. Схема трехфазного диодного моста
Диодный мост, приведенный на рисунке выше, получил название схемы Ларионова. Конструктивно для каждой из фаз устанавливается сразу два диода в противоположном направлении друг относительно друга
Здесь важно отметить, что синусоида во всех трех фазах имеет смещение в 120° друг относительно друга, поэтому на выходах устройства при наложении результирующей диаграммы получится следующая картина:
Рис. 4. Напряжение выпрямленное трехфазным мостом
Как видите, в сравнении с однофазным выпрямителем на базе диодного моста картина получается более плавной, а скачки напряжения имеют значительно меньшую амплитуду.
Преимущества и недостатки
Кроме диодного моста существуют и другие способы преобразования переменного в постоянный ток. В сравнении с однополупериодным, двухполупериодное выпрямление обладает рядом преимуществ:
- И отрицательная, и положительная полуволна синусоиды преобразуются в выходное напряжение, поэтому вся мощность трансформатора используется в наиболее оптимальной степени.
- За счет большей частоты пульсации получаемое от диодного выпрямителя напряжение куда проще сглаживать при помощи фильтров.
- Использование электроэнергии под нагрузкой уменьшает потери мощности на перемагничивание сердечника, возникающее из-за процессов взаимоиндукции в обмотках питающего трансформатора.
- Гармоничное перераспределение кривой электротока и напряжения на выходе – за счет передачи каждого полупериода сразу двумя диодами в мосте, выходной параметр получается куда более равномерным.
К недостаткам диодного моста следует отнести и большее падение напряжения, в сравнении с однополупериодной схемой или выпрямителем с отводом из средней точки. Это обусловлено тем, что ток протекает сразу черед два полупроводниковых элемента и встречает омическое сопротивление от каждого из них. Такой недостаток может оказывать существенное влияние в слаботочных цепях, где доли ампера могут решать значение сигналов, режимы работы агрегатов и т.д. В качестве решения могут применяться диодные мосты с диодами Шотки, у которых падение прямого напряжения относительно ниже.
Практические опыты
Для начала возьмем простой диод.
Катод можно легко узнать по серебристой полоске. Почти все производители показывают катод полоской или точкой.
Чтобы наши опыты были безопасными, я взял понижающий трансформатор, который из 220В делает 12В.
На первичную обмотку цепляем 220 Вольт, со вторичной обмотки снимаем 12 Вольт. Мультиметр показал чуть больше, так как на вторичной обмотке нет никакой нагрузки. Трансформатор работает на так называемом “холостом ходу”.
3,3х5=16.5В – это максимальное значение напряжения. А если разделить максимальное амплитудное значение на корень из двух, то получим где то 11,8 Вольт. Это и есть действующее значение напряжения. Осциллограф не врет, все ОК.
Еще раз повторюсь, можно было использовать и 220 Вольт, но 220 Вольт – это не шутки, поэтому я и понизил переменное напряжение.
Припаяем к одному концу вторичной обмотки трансформатора наш диод.
Цепляемся снова щупами осциллографа
Смотрим на осциллограмму
А где же нижняя часть изображения? Ее срезал диод. Он оставил только верхнюю часть, то есть ту, которая положительная.
Находим еще три таких диода и спаиваем диодный мост.
Цепляемся ко вторичной обмотке трансформатора по схеме диодного моста.
С двух других концов снимаем постоянное пульсирующее напряжение щупом осциллографа и смотрим на осциллограмму
Вот, теперь порядок.
Как работает диодный мост: для чайников, просто и коротко
На вход диодного моста подается переменный ток, полярность которого в бытовой электросети меняется с частотой 50 Гц. Диодная сборка «срезает» часть синусоиды, которая для прибора «является» обратной, и меняет ее знак на противоположный. В результате на выходе к нагрузке подается пульсирующий ток одной полярности.
Обозначение диодного моста на схеме
Частота этих пульсаций в 2 раза превышает частоту колебаний переменного тока и равна в данном случае 100 Гц.
Работа диодного моста
На рисунке а) изображена обычная синусоида напряжения переменного тока. На рисунке б) – срезанные положительные полуволны, полученные при использовании выпрямительного диода, который пропускает через себя положительную полуволну и запирается при прохождении отрицательной полуволны. Как видно из схемы, одного диода для эффективной работы недостаточно, поскольку «срезанная» отрицательная часть полуволн теряется и мощность переменного тока снижается в 2 раза. Диодный мост нужен для того, чтобы не просто срезать отрицательную полуволну, а поменять ее знак на противоположный. Благодаря такому схемотехническому решению, переменный ток полностью сохраняет мощность. На рисунке в) – пульсирующее напряжение после прохождения тока через диодную сборку.
Пульсирующий ток строго назвать постоянным нельзя. Пульсации мешают работе электроники, поэтому для их сглаживания после прохождения диодного моста в схему нужно включить фильтры. Простейший тип фильтра – электролитические конденсаторы значительной емкости.
На печатных платах и принципиальных схемах диодный мост, в зависимости от того, как он устроен (отдельные элементы или сборка), может обозначаться по-разному. Если он состоит из отдельно впаянных диодов, то их обозначают буквами VD, рядом с которыми указывают порядковый номер – 1-4. Буквами VDS обозначают сборки, иначе –VD.
Это интересно: Фоторезистор — устройство, принцип работы, характеристики




![Что такое диодный мост [+ схема подключения], для чего нужен и как работает](http://profgbo.ru/wp-content/uploads/6/7/7/67751c65dbc1dcdaf951d3b71651fde1.jpeg)

























