Подключение трехфазного счетчика полукосвенного включения
Данные приборы включаются в сеть через трансформаторы тока, благодаря чему появляется возможность использовать их в сетях с довольно высокими мощностями (до 60кВт). Используя такой способ учета, для определения расхода нужно разность показаний умножать на установленный коэффициент трансформации.
Существует несколько разновидностей подключения счетчиков полукосвенного подключения.
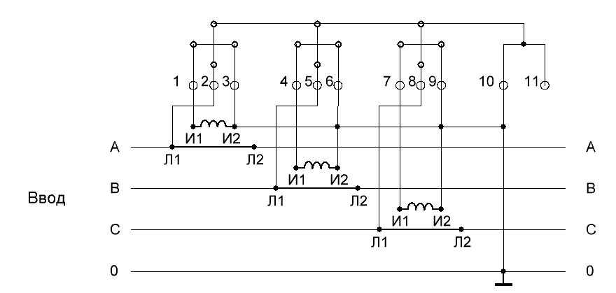
1 Подключение трансформаторов тока «звездой»
Процесс подключения проводов имеет вид:
- контакты 3, 6, 9, 10 – замыкаются и подключаются к нулевому проводу;
- контакты И2 – замыкаются, подключаются к клемме 11;
- 1 – к И1 фазы А;
- 4 – к И1 фазы В;
- 7 – к И1 фазы С;
- 2 – к Л1 фазы А;
- 5 – к Л1 фазы В;
- 8 – к Л1 фазы С.
Рисунок — Схема подключения «звездой»
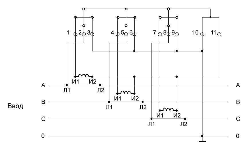
2. Десятипроводная схема включения счетчика
10-ти проводная схема
Эта схема характеризуется улучшенной электробезопасностью, ввиду изоляции друг от друга цепей тока и напряжения.
3. Подключение трехфазного счетчика косвенного подключения
Эти устройства предназначены для выполнения учета электроэнергии на высоковольтных присоединениях (6-10кВ и более), подключение реализуется при помощи трансформаторов напряжения, тока.
Ниже представлены основные схемы подключения трехфазных счетчиков через трансформаторы тока и напряжения:
1) Схема включения трехэлементного счетчика в четырехпроводную сеть с заземленной нейтралью: (рисунок ниже)
2) Схема включения трехэлементного счетчика в четырехпроводную сеть. Три трансформатора тока, прямое подключение к напряжению:(рисунок ниже)
3) Схема включения трехэлементного счетчика к трехпроводной линии — два трансформатора тока, три трансформатора напряжения:(рисунок ниже)

При подключении трехэлементного счетчика по схеме №3:
- ток по фазе В вычисляется с вычетом тока нулевой последовательности;
- не используются токи прямой, обратной и нулевой последовательности основной частоты (симметричные составляющие);
- активная и реактивная мощности по фазе В вычисляются с вычетом тока нулевой последовательности из фазного тока;
- учет электрической энергии ведется с учетом вышеприведенных замечаний.
4) Схема включения двухэлементного счетчика к трехпроводной линии — два трансформатора тока, два трансформатора напряжения (рисунок ниже)

При подключении счетчика по схемам №4 и №5:
- не измеряется напряжение нулевой последовательности основной частоты (симметричные составляющие);
- не измеряются токи прямой, обратной и нулевой последовательности основной частоты (симметричные составляющие);
- мощности присоединения вычисляются по формулам;
- учет электрической энергии ведется с учетом вышеприведенных замечаний.
5) Схема подключения двухэлементного счетчика к трехпроводной линии – два трансформатора тока, прямое подключение по напряжению (рисунок ниже)

Внимание!: Возможность подключения по конкретной схеме должна быть указана в паспорте или руководстве на конкретный тип счетчика
Схема полу косвенного подключения
Достаточно трудно сделать компактный прибор на большие токи. Именно поэтому для токов в сети более 100Ампер, подключение трехфазного счетчика делается через измерительные трансформаторы. Работает такая схема в цепях до 0,4 кВ.

При такой схеме трансформаторы тока устанавливаются в кабельном отсеке на каждый фазный провод. От трансформаторов тока прокладываются линии учёта до счетчика. Сечение проводов линии учета 1,5 (можно 2,5) мм.
Расключение счетчика делается через клемную колодку, которая располагается (обычно) вблизи счетчика и правильно называется, коробка переходная испытательная КИП или КИИ 5/25.

При данной схеме подключения, счетчик установлен удаленно от кабельных линий, что и хорошо.
Правильное подключение 1 фазного счетчика (ЭС) и автоматов
Перед покупкой средства учета, необходимо определиться с силой тока, которую счетчик может пропустить. 4 основных номинальных предела:
Распределяемая мощность в сумме всех бытовых приборов может колебаться в разных пределах. Например,если эта цифра равна 10 Ампер, то все равно не стоит устанавливать счетчик 5 15 Ампер, чтобы был запас для возможности будущего присоединения дополнительной техники.
Необходимо принять к сведению правила подключения. Контроль потребления нужен энергокомпании, поэтому установка должна происходить после согласования с компанией. Для проверки установки прибора в соответствии с правилами вызывается контролер, который выписывает акт приема и ставит пломбу.
Если данная процедура соблюдена не была, то счетчик не будет прибором контроля потребления: его показания не будут приняты к расчету.
Подключение однофазного счетчика
Устройство защитного отключения (УЗО)
Название УЗО, которое создала фирма Schutzapparategesellschaft Paris & Co в 1937 году, с моей точки зрения не точно отражает назначение устройства. Правильнее было бы назвать УЗЧ – устройство защиты человека от поражения электрическим током, для чего оно и предназначено. В необходимости установки УЗО я сомневался и перед принятием решения провел анализ.
Принцип работы УЗО
Внешне УЗО похоже на двухполюсный модульный автомат защиты от короткого замыкания, внутри которого установлен расцепной механизм и дифференциальный трансформатор. По внешнему виду УЗО от автомата отличается только наличием дополнительной кнопки «Тест», служащей для проверки исправности УЗО. Если ее нажать, то УЗО сработает.
Согласно Закону Ома ток на любом участке замкнутой цепи течет одинаковый. Поэтому при подключении любого электроприбора к бытовой электросети величина тока, протекающего по нулевому и фазному проводу кабеля на входе в квартиру равна. Это равенство и контролирует УЗО.
Если человек, случайно, коснется рукой за фазный провод, а другой частью открытого участка тела прикоснется к заземленному токопроводящему предмету, то ток в фазном проводе станет больше, чем в нулевом, на величину тока, протекающего через тело человека. Дифференциальный трансформатор зафиксирует эту разницу и УЗО отключит подачу электроэнергии.
В современных квартирах, в которых все коммуникационные трубы выполнены из пластика, а полы сделаны из непроводящих ток материалов, случайное прикосновение к фазному проводу и заземленной поверхности человека практически исключено. А вот от более реального случая, когда человек прикасаются к нулевому и фазному проводам одновременно, УЗО не защищает.
Как выбрать УЗО
Модельный ряд УЗО для бытовой электропроводки невелик, и практически сводится к четырем типам, отличающимся чувствительностью, а точнее током утечки, при котором срабатывает защита. Выпускаются УЗО на ток утечки 10, 30, 100 и 300 мА. Ток величиной менее 30 мА не является смертельно опасным для человека, и при протекании по его телу вызывает только болевые ощущения. Поэтому УЗО для квартиры и выбирают на ток утечки 30 мА.
УЗО еще отличаются допустимым током нагрузки, при выборе, нужно брать УЗО рассчитанный на ток нагрузки равным или большим, чем у автомата. При токе защиты автомата равном 16-32 А подойдет УЗО на рабочий ток 32 А.
Таким образом, практически для любой квартирной электропроводки подойдет УЗО, рассчитанное на рабочий ток 32 А и ток утечки 30 мА. Как раз УЗО с такими параметрами изображено на фотографии выше.
Что такое устройство защитного отключения (УЗО) и его назначение. Таблица основных технических характеристик и рекомендации для выбора. Достоинства и недостатки электромеханических и электронных УЗО. Электрическая схема электромеханических и электронных УЗО, установка в электрическом щитке. Подробнее…
Необходимость установки УЗО
При установке УЗО в электропроводке появляется дополнительно четыре механических соединения, которые, как показывает практика, нарушают ее работу чаще всего.
В старых электропроводках из-за токов утечек велика вероятность ложных срабатываний УЗО. Ложное срабатывание могут вызвать и некоторые электроприборы из-за особенностей их устройства. В современной электропроводке через контакт в электрической вилке металлическая часть корпуса любого электроприбора автоматически заземляется и в случае попадания фазы на корпус из-за пробоя изоляции, сработает автомат защиты. В дополнение стоит заметить, что все переносные бытовые электроприборы имеют двойную изоляцию.
Таки образом, существующие меры защиты и без УЗО при соблюдении элементарных требований техники безопасности надежно защищают человека от поражения электрическим током.
Проведенный анализ показал, что установка УЗО, это скорее дань моде, чем жизненная необходимость, приводящая к снижению надежности электропроводки в целом и неоправданным затратам.
Защитные и переходные устройства
Любой трехфазный счетчик электроэнергии, включаемый в высоковольтные сети через трансформаторы тока, должен быть защищен от перенапряжений, нередко возникающих в линиях энергоснабжения. С этой целью последовательно с ним устанавливаются специальные приборы, позволяющие ограничить напряжения, возникающие в линии в аварийной ситуации. Они встречаются под различными наименованиями, наиболее распространенным из которых является оин.
Это устройство по своему функциональному назначению напоминает защитный автомат. Но только срабатывает оно не от перегруза по току, а используется как ограничитель напряжения на участке питающей линии, в который включается трехфазный счетчик.
Ниже приводится схема, согласно которой осуществляется монтаж этого прибора в цепи защищаемого им оборудования.
Схема включения ОИН (УЗИП)
Перед тем, как установить трехфазный счетчик в питающую цепь, специалисты советуют воспользоваться ещё одним специальным приспособлением, подключённым к клеммнику самого счётчика.
Указное изделие, встречающееся под обозначением икк, имеет в своей конструкции ряд перемычек, позволяющих коммутировать подключение удобным для пользователя способом. Внешний вид этого приспособления и схема включения его в цепи питания приводятся на фото ниже.
Клеммник переходной
Из этого фото видно, что при применении ИКК монтаж и демонтаж прибора учёта любого типа существенно упрощается, что очень удобно при проведении их ремонта, например.
Дополнительная установка ИКК осуществляется путём его параллельного подключения к уже имеющейся клеммной колодке.
В заключительной части обзора отметим, что рассмотренные ранее схемы включения счетчиков выбираются, в зависимости от условий их эксплуатации и характера действующей электрической сети. Для организации правильного их подсоединения важен учёт всех факторов, влияющих на работоспособность конкретного счётного устройства, определяемых не только его классом, но и особенностями механизма снятия показаний.
Как подключить трехфазный счетчик
Владельцам индивидуальных домов нужно знать не только как подключить счетчик электроэнергии однофазный, но и трехфазный. Поскольку в большинстве случаев в домашних условиях пользуются техникой и приборами, которым необходимо напряжение не в 220В, а в 380В. Это могут быть столярные или токарные станки и другие, в зависимости от того, чем занимается человек. В таком случае естественно потребуется устройство, способное считать киловатт-часы и при этом выдерживать большее напряжение.
Чтобы провести монтаж такого счетчика у человека должен быть доступ к работе с устройствами, достигающими напряжения в 1000В. Конечно монтаж устройства можно провести самостоятельно, но затем обязательно нужно вызывать представителей организации электроснабжения, чтобы они проверили качество работы, поставили пломбы и запустили ток.
Трехфазный счетчик прямого включения
Приборы такого типа подключаются в сеть напрямую, так как рассчитаны на сравнительно небольшую пропускную мощность, до 60кВт (соответственно ток до 100 А). Подключить счетчик электроэнергии прямого включения на мощность, превышающую указанную в паспорте просто не удастся, так как их входные и выходные колодки рассчитаны на сечение подключаемых проводов 16 или 25 мм.

Схема подключения cчетчика прямого включения, также, как и у однофазных счетчиков, кроме паспорта, указана на обратной стороне крышки.

Провода, слева-направо:
- Первый – фаза А вход
- Второй – фаза А нагрузка
- Третий – фаза В вход
- Четвертый – фаза В нагрузка
- Пятый – фаза С вход
- Шестой – фаза С нагрузка
- Седьмой – ноль вход
- Восьмой – ноль нагрузка
Как видим, сложности никакой здесь нет.
Какие есть преимущества у электронных устройств перед индукционными?
Независимо от того, что электронные счетчики дороже индукционных, они все равно имеют массу преимуществ, которые делают их широкое использование обоснованным.
Электронные счетчики имеют высокий класс точности, обычно от 0,5 до 2,0, причем он сохраняется в сложных условиях или низких, или быстропеременных нагрузок.
Электронные счетчики способны на многотарифный учет электрической энергии, что позволяет потребителям экономить немалые средства.
Кроме количества потребленной энергии электронные счетчики могут контролировать и ее качество, что позволяет иметь контроль над выполнением договорных обязательств со стороны энергоснабжающей компании.
Кроме активной потребляемой мощности электронные счетчики могут измерять и реактивную мощность, а также могут вести учет расхода электроэнергии в двух направлениях.
Собранные электронным счетчиком данные сохраняются во внутренней энергонезависимой памяти прибора. К этим данным есть доступ через удобный цифровой интерфейс.
Использование электронных счетчиков позволяет намного эффективнее бороться со случаями хищения электроэнергии. Любая попытка несанкционированного доступа таким счетчиком фиксируется.
Электронные счетчики имеют цифровой интерфейс, который позволяет дистанционно считывать с них различные данные, а также программировать их на многотарифный учет по двум и более тарифам, которые распространяются на определенные временные промежутки.
Электронные счетчики обычно имеют меньшие габариты, чем индукционные, что позволяет их монтировать в стандартных электрощитах наряду с другим модульным электрооборудованием.
Срок службы электронных счетчиков производители декларируют в течение не менее 30 лет, а интервалы времени между их поверками составляют от 10 до 16 лет.
Одним из главных недостатков электронных счетчиков является их низкая устойчивость к грозовым импульсным разрядам, от которых они часто выходят из строя. Доля индукционных счетчиков еще достаточно высока и они не собираются сдавать свои позиции, так как их надежность проверена более чем столетним опытом их эксплуатации. Правда
Устройство гаражного щитка
Монтируя электрощиток своими руками, нужно четко представлять себе его устройство. Входящий электрический кабель необходимо подключать к вводному автомату, выполняющему роль рубильника. Желательно в качестве вводного автомата применять двухполюсный автоматический выключатель. Таким способом производится отключение сразу двух проводников кабеля. Это делается в целях безопасности при проведении ремонтно-монтажных работ внутри щитка или в помещении гаража. Дело в том, что в гаражных кооперативах, зачастую, отсутствует должный контроль состояния электрохозяйства и, возможно, что на входящей линии нулевой и фазный проводники окажутся поменяны местами.
Если входящий ноль подключить, минуя автомат, то может сложиться ситуация, когда при выключенном автомате на узлах щитка будет присутствовать высокий потенциал. Это справедливо, если к гаражу подводится однофазное напряжение. При подаче трехфазного напряжения оптимальным будет применение четырехполюсного автоматического выключателя.

После вводного автомата подключают прибор учета электроэнергии. Обычно это бытовой счетчик, например, Меркурий 201. Выходящие из счетчика фазный и нулевой проводники подключают к УЗО (устройству защитного отключения). Наличие УЗО необходимо для защиты людей от поражения электрическим током. Когда человек прикасается к неизолированному проводнику, находящемуся под напряжением, через его тело начинает проходить ток утечки. Чтобы значение тока утечки не достигало опасного для жизни значения, УЗО отключает подачу напряжения.
С выходных клемм УЗО фаза поступает на групповые автоматы защиты, с которых уже напряжение подается на каждый потребитель электроэнергии раздельно. Нулевой же проводник подключают к металлической шине. К этой же шине подсоединяют все нулевые проводники из кабелей, идущих к потребителям. Подобная шина объединяет все присутствующие заземляющие проводники.
Все элементы схемы щитка крепят на металлическую пластину, которая называется DIN-рейка. Конструкция DIN-рейки такова, что позволяет быстро закрепить на ней все элементы или, наоборот, демонтировать их. Для нулевой и заземляющей шин тоже существуют варианты крепления на DIN-рейку.
Возможный вариант размещения всех узлов внутри щитка.

После монтажа узлов внутри щитка все детали закрываются защитным экраном из комплекта щитка для предотвращения случайного прикосновения к токоведущим частям. В экране должны присутствовать окна, через которые производятся переключения и снимаются показания прибора учета электроэнергии.
Основные правила подключения трехфазного счетчика
Счетчик должен быть защищенным от воздействия внешней среды. Для этого его помещают в специальную большую металлическую коробку. На сегодняшний день короб делают из негорючего пластика. Обязательным условием является герметичность и наличие окошка напротив табло, чтобы можно было легко совершать контроль над потреблением электроэнергии и снимать показатели.
Подробный план установки трехфазного счетчика. Источник electroazbuka.ru
Закрепляется устройство на высоте от одного до полутора метра. Для подключения используют исключительно медную проводку, сечение которой должно полностью соответствовать поступающей нагрузке.
Небольшие проводки, служащие переходником от счетчика к выключателю выбирают с цельной, неповрежденной изоляцией, прямые и без дополнительных ответвлений.
Монтирование трехфазного счетчика делают на улице. Его можно прикрепить к столбу или на стену дома. Включатели, с помощью которых поставляется энергия к точкам потребления необходимо поместить в другой коробке и находиться в помещении.
Технические мероприятия
Имея на руках техническую документацию, с указанием наименований и места монтажа, можно приступать к установке электросчетчика своими руками. Прежде всего необходимо приобрести материалы и элементы для самостоятельного монтажа.
Если счетчик электроэнергии планируется ставить на улице (для частных домов и дач это оптимальное место размещения), на наружной стене дома (фасаде) или же столбе, необходимо установить ЯУР-НГ (ящик учета и распределения наружный, герметичный бокс). Он уже оснащен местом и элементами для крепления прибора учета, а также отдельным закрывающимся боксом под пломбировку автомата защиты ввода. Помимо этого бокс оснащен DIN рейкой для монтажа модульных автоматов. Пример установки электросчетчика в наружном боксе вы можете увидеть на фото:
Для того, чтобы установить электросчетчик в помещении можно использовать ящик ЯУР для внутренней установки или монтажную доску, в ней также предусмотрено место для монтажа дополнительных автоматов.
Расчет сечения кабеля описан в нашей статье. Перенос или замену счетчика, а также установку нового прибора учета лучше производить с заменой старого вводного кабеля на новый. Помимо этого рекомендуется установить в щитке элементы защиты (УЗО, автоматы) вместо устаревших пробок, заранее заложив возможность перехода на современную систему электроснабжения TN-C-S. О том, какие бывают системы заземления, можете прочитать в нашей статье. На рисунке ниже предоставлена схема подключения однофазного электросчетчика с заземлением:
В том случае, если вы решили установить электросчетчик своими руками, согласно правилам ПУЭ (см. Главу 1.5) нужно выполнить такие требования:
- Прибор учета электроэнергии может устанавливаться в электрических шкафах, на щитах и панелях, имеющих жесткую конструкцию.
- Высота установки по клеммам электросчетчика варьируется от 0,8 метра до 1,7 метра.
- В местах, где есть вероятность повреждения, загрязнения, доступа посторонних лиц, электросчетчик должен устанавливаться в бокс и запираться на ключ.
- Расположение счетчика должно позволять легкий доступ в обслуживании, снятии показаний, замене.
- Вводной кабель должен отвечать расчетным требованиям и соответствовать сечению, для безаварийного снабжения.
- Не допускаются скрутки, спайки на вводном кабеле, он должен быть одним цельным куском от подъездного ввода до прибора учета.
При подключении кабеля к счетчику, знайте что цветовая маркировка жил должна быть такой, согласно принятых правил — коричневый, черный, красный, белый это проводники подключаемые к фазам, обозначается как L. Синий — провод нуля N, желто-зеленная изоляция у защитного проводника РЕ. Помня про цветовую маркировку трудно запутаться.
Обращаем ваше внимание на то, что выполнять установку электросчетчика под напряжением категорически запрещается! Все электромонтажные работы должны производиться только при выключенном вводном автомате!
В частном доме, а также на дачном участке, в том случае если электросчетчик вновь устанавливаемый находится на столбе границы участка, имеется возможность подключения дома от ЯУРа проложив электропроводку в земле, или выполнив монтаж тросовой проводки на высоте по воздуху. Рекомендуем ознакомится с этими статьями на нашем ресурсе, где подробно описаны методы прокладывания кабеля в траншее и самостоятельное изготовление тросовой проводки.
Кстати, стоимость установки электросчетчика специалистом варьируется от 1000 рублей за однофазную модель и от 1500 рублей за трехфазный прибор.
Напоследок рекомендуем просмотреть видео, в которых наглядно демонстрируется, как установить однофазный и трехфазный счетчик электроэнергии:
Что касается способов подсоединения устройств, схемы подключения трехфазных счетчиков, а также однофазных, мы подробно рассмотрели в соответствующих статьях, с которыми настоятельно рекомендуем ознакомиться. В остальном, надеемся, что вам понравилась наша информация о том, как производится установка электросчетчика своими руками и какие документы для этого нужны.
Схема сборки распределительного щитка в квартире и частном доме
16.06.2015 7 комментариев 38 499 просмотров
Чтобы электропроводка была безопасной, удобной в обслуживании и к тому же способной выдержать нагрузку от всех электроприборов жилья, необходимо правильно подойти к составлению монтажной схемы распределительного щита. На этом проекте должна быть обозначена вся иерархия автоматических выключателей и УЗО, вплоть до розеточной группы. Помимо этого, на всей защитной автоматике должен быть указан номинал, а также класс защиты. Далее мы предоставим читателям сайта Сам Электрик наглядные схемы распределительного щита в частном доме, квартире и коттедже.
Итак, если квартира старой постройки и, к тому же, однокомнатная (к примеру, хрущевка), тогда проект расключения электропроводки будет выглядеть следующим образом:
Как Вы видите, в данной схеме подключения распред щитка нет PE шины, т.к. в старых хрущевках заземление отсутствует. Что касается элементов электросхемы, она состоит из двухполюсного автоматического выключателя, счетчика электроэнергии (Меркурий 201 ), УЗО и групповых «пакетников». Один автомат обслуживает группу освещения, второй — розетки, ну и третий – стиральную машину. Если же у Вас присутствует контур заземления, тогда электрическая схема сборки распределительного щита в квартире будет выглядеть так:
Пунктиром (1) обозначен корпус распределительного щита, (2) и (3) это нулевая и заземляющая шина. Четвертый элемент проекта – гребенка, которая соединяет автоматические выключатели. (5) – однофазное УЗО на 40 Ампер и ток утечки 30 мА, ну а (6) – групповые автоматы (3 по 16 Ампер и 1 на 25, для подключения варочной панели ). На вводе установлен однополюсный автоматический выключатель, номиналом 40 Ампер. Самый нижний ряд электросхемы состоит из квартирных потребителей – группы освещения, розеток и мощных электроприборов (в нашем случае плиты).
Ну и бывают еще просторные квартиры с электрическим отоплением и группой мощных потребителей электроэнергии. В этом случае электросхема вводно-распределительного щитка будет более серьезной и по количеству автоматов не уступающей частному дому. Итак, к Вашему вниманию схема распределительного щита для квартиры улучшенной планировки:
При таком количестве потребителей электричества должна быть трехфазная сеть (380в) и на вводе, соответственно, трехполюсный автоматический выключатель на 63 Ампера. В остальном, дальше идет УЗО на 40 Ампер, группа автоматов на 16 и 25 Ампер (в зависимости от предназначения), ну и отдельное устройство защитного отключения для электропроводки в ванной комнате. с током утечки на 10 мА.
Ориентируясь на предоставленные схемы подключения квартирного щитка, спроектируйте свой вариант и переходите к электромонтажным работам! О том, как собрать распределительный щит своими руками. мы уже рассказывали!
Подключение счетчика: правила и основные требования
Точно все требования прописаны в ПУЭ, а основные правила такие:
- Устанавливаться должен с защитой от воздействия погодных условий. Традиционно монтируются в специальные боксы (короба) из негорючего пластика. Для установки на улице короба должны быть герметичными и должны обеспечивать возможность контроля показаний (иметь стекло напротив табло).
- Закрепляется на высоте 0,8-1,7 м.
- Подключение счетчика производится медными проводами, сечением соответствующим максимальной токовой нагрузке (есть в техусловии). Минимальное сечение для подключения квартирного электросчетчика 2,5 мм 2 (для однофазной сети это ток 25 А, что сегодня очень мало).
- Проводники используются изолированные, без скруток и ответвлений.
- При однофазной сети дата госповерки счетчика — не старше 2 лет, при трехфазной — одного года.
Место установки счетчика в многоквартирных домах регламентируется проектом. Счетчик может устанавливаться на лестничной площадке или в квартире — в щитке. Если ставится в квартире, то обычно недалеко от двери.

Комплектация входного щитка
В частном доме тоже несколько вариантов. Если столб стоит во дворе, можно счетчик разместить на столбе, но лучше — в помещении. Если по требованиям энегроснабжающей организации он должен находится на улице, ставят его на лицевой стороне дома в герметичном боксе. Автоматы, идущие к группам потребителей (различным устройствам) монтируются в другом боксе в помещении. Также одно из требований при монтаже электропроводки в частном доме: провода должны просматриваться визуально.

Установка счетчика на столбе
Чтобы была возможность проводить работы на электросчетчике, перед ним устанавливают входной рубильник или автомат. Он тоже пломбируется, причем возможности поставить пломбу на самом устройстве, как на счетчике, нет. Необходимо предусмотреть возможность отдельной пломбировки этого устройства — купить небольшой бокс и смонтировать его внутри квартирного щитка или поставить отдельно на лестничной площадке. При подключении счетчика в частном доме варианты те же: в одном боксе со счетчиком на улице (пломбируется весь бокс), в отдельном боксе рядом.
Что требуется
Чтобы установить счетчик, вам понадобится:
- Опломбированный электросчетчик.
- Крепление (винты или DIN-рейка, стяжки, саморезы).
- Бокс (пластиковый либо металлический).
- Автоматы и, в случае необходимости, УЗО.
- Шины с пластиковыми держателями. Нулевая имеет синий цвет, защитная – желтый либо зеленый.
- Монтажный моножильный провод из меди.
- Красные и синие термоусаживаемые трубки.
В качестве инструмента понадобятся:
- перфоратор и отвертки;
- плоскогубцы, кусачки и строительный нож;
- индикаторы (мультиметр или отвертка);
- измерительный инструмент (линейка, рулетка и уровень).
Весь инструмент должен быть в хорошем состоянии, а необходимые для монтажа материалы приобретайте только в специализированных магазинах. При покупке автоматов и УЗО останавливайте свой выбор на известных марках.
Статью, разъясняющую разницу между одно- и многотарифными счетчиками электроэнергии, читайте здесь.
Типы трехфазных счетчиков
Вообще, тип счетчика, а иногда и его марка, указан в проекте электрификации. Очень редко случается, но у вас могут спросить, какой трехфазный счетчик вы желаете. Такие либеральные проэктанты встречаются крайне редко, и все же, стоит хоть немного разбираться в теме. Есть трехфазные счетчики для подключения трех и четырех проводов. Первые подключаются если нет «нулевого» повода. С этим разобраться несложно.
Далее необходимы выбрать тип счетчика:
-
Трехфазные счетчики прямого включения. Наиболее простое подключение, так как подсоединяются напрямую к сети. Мощность подключаемой нагрузки не более 60 кВт, ток не более 100 А. К ним можно подключать провода сечением 15 мм² (не более 25 мм²). Это ограничивает область применения — в основном их ставят в домах и квартирах, на небольших предприятиях.
Выбор типа трехфазного счетчика зависит от потребления тока
- Трехфазные счетчики косвенного включения. Их можно подключать только через трансформаторы тока и напряжения. Ставят обычно на предприятиях, потому что ограничений по мощности такой тип не имеет.
- Полукосвенного (трансформаторного) подключения. Также требуют включения через трансформаторы, но не настолько мощные, как косвенные, поэтому могут применяться в частных домах. При определении платы за электроэнергию показания необходимо умножать на передаточный коэффициент.
Выбирать вам особо не придется, так как тип счетчика, обычно, тоже указывается в проекте. Для частных домов либо прямого, либо полукосвенного подключения, в квартирах преимущественно прямого. Прямое подключение проще в реализации (просто завести провода на клеммы), элементарно считать показания — просто списывать их. При установке полукосвенного счетчика, нужны трансформаторы тока (ТТ) или напряжения (зависит от проекта) и рекомендовано подключение через испытательную коробку. Под все эти устройства требуется место в щите. Что еще надо помнить, что при расчете показаний требуется учитывать коэффициент трансформации для каждой фазы. То есть, надо будет показания умножать на этот коэффициент.
Принцип работы и назначение измерительного трансформатора
Нужны достижения определенных показателей, при которых верно функционирует оборудование. Монтаж приборов нужно поручить опытным специалистами. Они должны обладать группой допуска к электротехническим работам как минимум третьего уровня. А перед монтированием трансформаторов тока (ТТ) нужно проверить механизм на присутствие изъянов. Они могут возникнуть в результате неправильной сборки или повреждений.
Измерительные трансформаторы превращают базовые сведения электрических цепей (напряжение или ток), сокращая их количество до предписанного значения. Работают аппараты по-разному. Это обусловлено их внутренним механизмом и предназначением.
Обозначение упрощает обращение с ними. Оно поможет выбрать наиболее подходящий механизм. Маркировка прибора обусловливается типом механизма. Например, ТТ свойственны такие обозначения, как: «Т» (1-ая буква) – трансформатор тока. А 2-ая буква в названии указывает на тип механизма.
Обозначения и их значения:
- «О»(опорный);
- «П»(проходной);
- «Ф»(фарфор);
- «Ш»(шинный).
Третья буква обозначается вещество изоляции. Правильное изолирование токопроводящих деталей способствует безопасности.
Обозначения веществ изоляции и их значения:
- Л (литой);
- М (масляный);
- Г (газовый).
После букв есть числовые обозначения. Эти обозначения указывают коэффициент трансформации, климат и класс изоляции.































