Конструктивные особенности и технические характеристики
![]()
Традиционно штепсельная розетка состоит из трех элементов – корпус, колодка и контакт с устройством. Корпус выполняет декоративную и защитную функцию и изготавливается из прочных невозгораемых материалов. Колодка – основа прибора, изготавливается из керамики или карболита и удерживает крышку и контакты. По контактам с устройством электроэнергия доходит до потребителя. Выполняется из различных сплавов. В конструктивном плане выделяют приборы утопленного и наружного типа. В первом случае подрозетник отсутствует, а накладные устройства имеют в составе крепежную панель. Утопленные приборы используются для скрытой проводки (выглядят эстетично). Устройства наружного типа монтируются на открытую прокладку сети.
Штепсельные розетки имеют маркировку, состоящую из цифр и букв. Например: РШ-Ц – 20-0-01-10/220 – это штепсельная электророзетка утопленного типа для открытой проводки, однофазная, с заземлением, используется для сети напряжением 220В и частотой 50 Гц.
В документации на каждый прибор должны быть указаны номинальные и предельные токи и напряжения, количество контактов, полюса, степень защиты и климатические требования.
Малогабаритная модель РС-16-006 скрытой установки
Розетка двухполюсная. Одноместной скрытой установки. Заземление отсутствует. Диаметр штырьков вилки составляет 4 или 4,8 мм. Прибор накладной белого цвета, из матового пластика. Номинальное напряжение 250 В, номинальный ток 16 А. Степень защиты IP20, климатическое исполнение УХЛ4.
Розетка штепсельная ПС-326-100 (марка ИЭК)
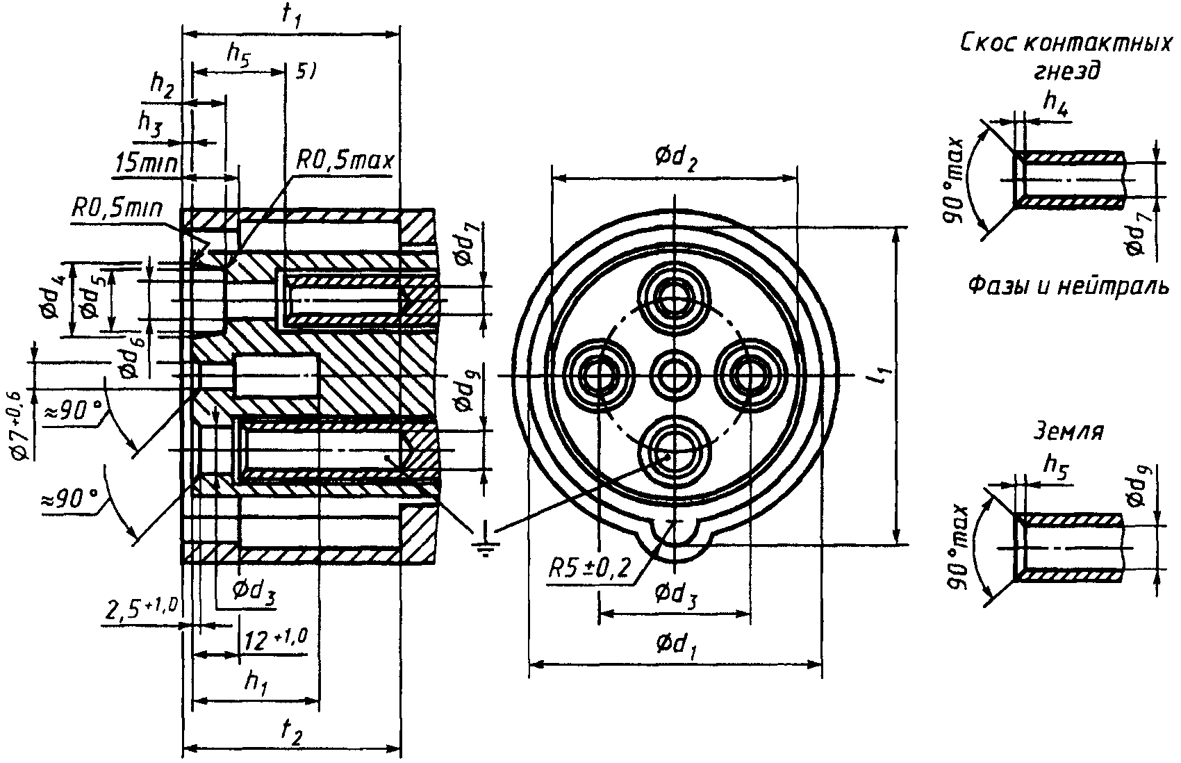
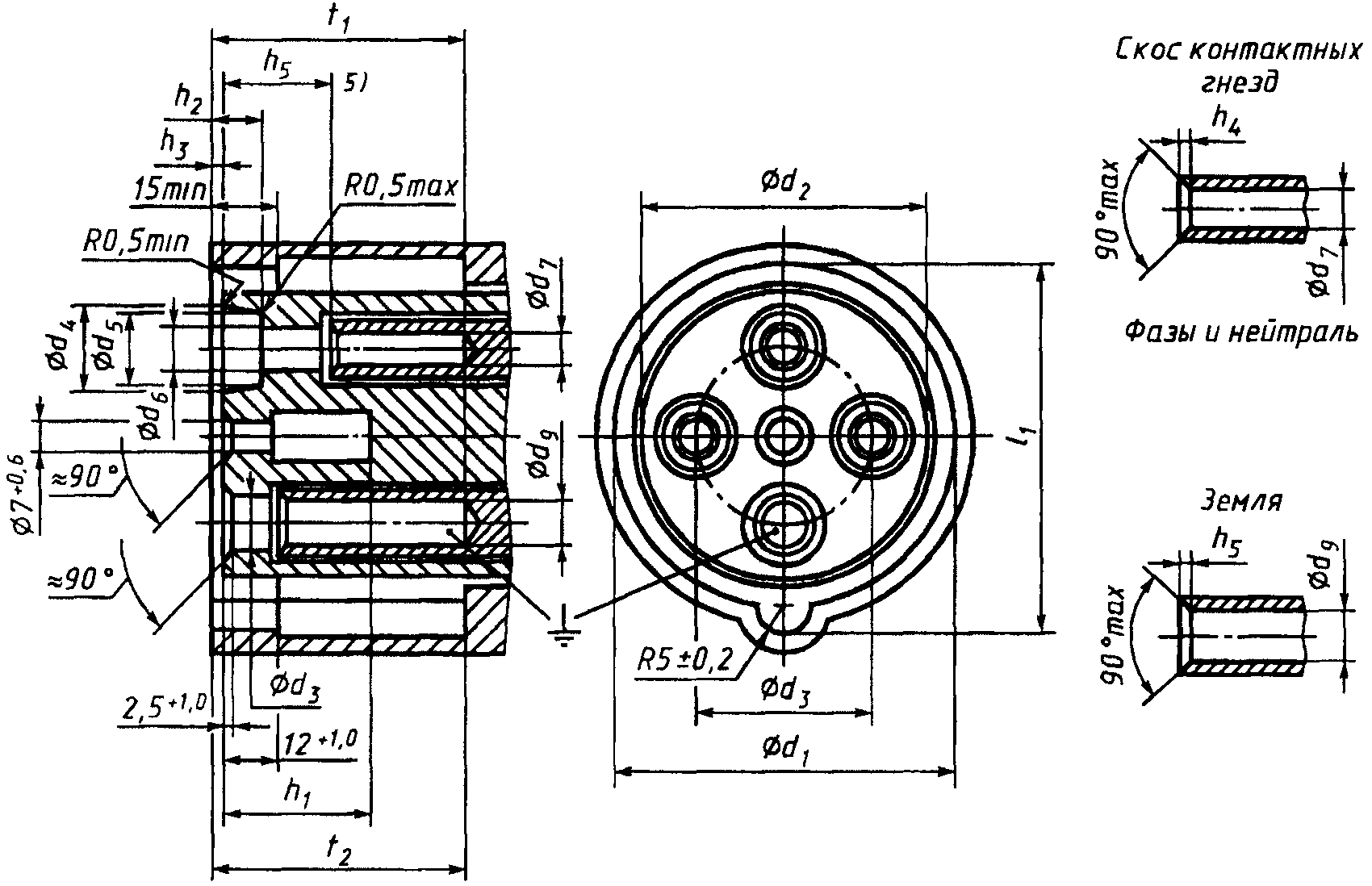
ПС-326-100 утопленного типа для открытой проводки. Номинальный ток 40 А, напряжение 24В. Количество контактов 7. Применяется для прицепов ВАЗ, КАМАЗ и т.д.
Низковольтная розетка 42В РП-2Б
Влагозащищенная модель утопленного типа для скрытой проводки, степень защищенности IP43, номинальное напряжение 42 В, ток 10 А. Климатические условия эксплуатации УХЛ, количество полюсов 2.
Нейтральные малогабаритные типа НМШ
НМШ используются для соединения цепей повышенной мощности, являются устройствами электромагнитного типа. Схема установки отличается от классических моделей. В паспорте указывается сопротивление 310 Ом, напряжение 12 В, отпускание якоря 6,7 В и время срабатывания – мгновенно.
Нормы по высоте, расположению и монтажу розеток и выключателей своими руками
Нормы монтажа, эксплуатации различных деталей электросистем регулируются Правилами устройства электроустановок (ПУЭ) и ГОСТом. Эти стандарты предполагают соблюдение основных нормативов при выборе, монтаже и эксплуатации приборов. Благодаря этому обеспечивается безопасность и высокое качество систем.
Высота установки по ПУЭ
Основные пункты ПУЭ, касающиеся установки выключателей и розеток, предполагают следующие особенности:
- минимальное расстояние от выключателей, штепсельных розеток и элементов электроустановок до газопроводов должно быть не менее 0,5 м;
- выключатели рекомендуется устанавливать на стене со стороны дверной ручки на высоте до 1 м, допускается устанавливать их под потолком с управлением при помощи шнура. В помещениях для пребывания детей в детских учреждениях (садах, яслях, школах и т.п.) выключатели следует устанавливать на высоте 1,8 м от пола;
- любые выключатели и штепсельные розетки должны находиться на расстоянии не менее 0,6 м от дверного проема душевой кабины.
Требования к размещению по ГОСТу и СП
Согласно установленному стандарту ГОСТ количество розеток и выключателей в помещении жилого типа определяется пользователем. При этом соблюдаются нормы размещения этих элементов. Расстояние от розеток до кухонных плит и кондиционеров не нормировано.
Высота установки по евростандарту
Европейский стандарт предполагает удобное и безопасное расположение элементов электрической сети. Высота размещения выключателей составляет от 90 см от уровня пола. Розетки же могут располагаться на высоте от 30 см.
План расположения позволяет легко установить розетки
Нюансы по требованиям к различным учреждениям
В помещениях и учреждениях пребывания детей любого возраста розетки и выключатели располагаются на высоте около 1,8 м от уровня пола. На предприятиях общественного питания розетки монтируются на высоте 1,3 м. Высота расположения осветительных приборов и их мощность подбираются в зависимости от удобства пользователей и эффективности работы.
Виды штепсельных розеток с заземлением
Давайте подробнее рассмотрим розетки с заземлением разного вида. Необходимо отметить, что на российском рынке в основном встречаются три основные конструкции. Их название соответствует странам производителям, где они не только изготавливаются, но и в основном применяются.
- Французская розетка с заземлением. В ней заземляющий контакт – это штырь, который входит в штепсель при включении в розетку. Правда, придется под такое соединение искать специальный штепсель с отверстием под этот штырь.
- Немецкая. В этой конструкции заземляющие контакты располагаются по бокам и представляют собой своеобразные зажимы. С их помощью производиться не только подключение заземляющего контура, но и крепление штепселя в розетке.
- Американская. В этой конструкции заземляющие контакты располагаются в отверстиях основных разъемов.

Как показывает практика, в России в основном используются немецкие розетки с заземлением. Конечно, их сегодня выпускают и отечественные производители, поэтому разнообразие форм достаточно большое. Плюс ко всему такие розетки по способу подключения могут быть двух видов: скрытые и открытые (накладные). Скажем прямо, последний вариант сегодня редко используется за счет сложности проведения монтажных работ и подключения, а также за счет потери внешнего вида открытой электропроводки.
Если делать выбор между количеством полюсов и фаз, то оптимальный вариант – розетка двухполюсная с заземляющим контактом трехфазная
Обратите внимание, что эта разновидность бывает и скрытой и открытой. Многие могут сказать, что это трехполюсная розетка, и будут правы. Но так как отечественные бытовые приборы – это штепсель с двумя торчащими штырями, в Европе сегодня используют трехштырьевые штепсели, то многие наши потребители под них приобретают специальные переходники
Вот почему немецкий вариант прижился в нашей стране
Но так как отечественные бытовые приборы – это штепсель с двумя торчащими штырями, в Европе сегодня используют трехштырьевые штепсели, то многие наши потребители под них приобретают специальные переходники. Вот почему немецкий вариант прижился в нашей стране.

Самая простая конструкция – это штепсельная розетка заземления РЗ 001. Это одноместный вариант, который устанавливается в отверстия в стене, где закрепляется специальными зажимами. Предназначается она для подключения бытовых приборов, работающих от сети переменного тока напряжением 220 вольт и номинальным током не больше 10 ампер. Обычно изготавливают такую розетку из фторопласта с пластиковой декоративной крышкой. Контакты латунные.
Что касается категории «накладные розетки». Розетка накладная с заземлением часто используется в быту в виде переноски. Под нее устанавливают диэлектрический материал, к которому и крепят, подключают трехжильный кабель и штепсель. Если это сделал профессиональный электрик, то такое устройство можно использовать в качестве переноски. Почему? Все дело в том, что только электрик может точно рассчитать, какую токовую нагрузку может выдержать и кабель, и розетка с заземлением, и штепсель. И хотя на двух последних это обязательно указывается, то с проводом дело обстоит по-другому. Если не учесть суммарную мощность подключаемых к этой переноске бытовых приборов или электрического инструмента, то это гарантия, что кабель нагреется и сгорит.

Кстати, для переносок можно использовать различные розетки, к примеру, неплохо будет использоваться розетка двойная наружная с заземлением. Это увеличит число подключаемых потребителей.
Заземляющие контуры с защитными функциями, к примеру, с зануляющими, это современное требование электробезопасности. С появлением большого количества бытовых приборов, которые используются человечеством каждый день, повысилась и вероятность ударом электрическим током. И только защитные качества сети и самих приборов помогают избежать больших неприятностей.
Виды и размеры
Классификация производится по типу установки, числу входов, виду разъемов, монтажу.
По типу монтажа выделяют внутренние и внешние розетки. Внутренние устанавливаются вместе с контактами и коробкой в стену, что удобно для пользователей. Устанавливаются только на скрытой проводке. Внешние (накладные) используются для наружной проводки и монтируются поверх стены. Процесс монтажа прост, но такие устройства могут быть неудобны в быту.
По числу полюсов выделяют однополюсные, двухполюсные, трехполюсные и четырехполюсные розетки. В России преимущественно используются двухполюсные устройства.
Внутренние
Монтаж розетки внутреннего типа сложен. Устанавливается напрямую в стену. Корпус – металлический или пластиковый подрозетник, закрепленный на стене на гипс или цементный клей. На подрозетник устанавливается колодка и затягивается винтами.
Утопленного типа
Часто используются в быту, так как выглядят эстетично. Для установки в стене делается специальная ниша, куда крепится монтажная коробка. Недостаток – устройство периодически приходится подкручивать, так как соединение может немного отходить. Для надежного закрепления используют винтовое крепление напрямую к коробке.
При установке прочно прикрепить концы жил к контактам, так как в этом месте чаще всего и происходит выгорание или искрение.
Внешние
Внешние (или накладные) розетки используются при прокладке в кабелях или трубах. Такой тип используется при невозможности прокладки скрытой проводки или в производственных помещениях, в которых необходим постоянный доступ. Внутренне розетки внешнего и утопленного типа практически не отличаются, разница только в виде монтажа. Наружные розетки могут быть дополнительно оборудованы электронным таймером, подсветкой, кнопочным выталкивателем вилки и другими нужными функциями.
С заземляющим контактом
В современных домах имеются новые требования к электрической проводке. Это обязательное наличие заземляющих контуров. Так как некоторые бытовые приборы являются металлическими электроустановками с большой мощностью. В отличие от традиционных устройств заземляющие розетки имеют 3 (для однофазной сети) или 5 (для трехфазной сети) контактов. В остальном конструкция отличий не имеет.
С защитным контактом
Используются также для нового типа проводки. В штепсельных розетках защитный контакт соединяется с заземляющим проводом. В конструкции устройства имеются специальные гнезда для приемки скобы защитного контакта.
Отличия устройств
Силовая розетка в первую очередь разделяется по рабочему номинальному напряжению. Сегодня для однофазных сетей изготавливаются трехконтактные разъемы (заземляющие, фазные и нулевые), четырехконтактные (3 контакта и нулевой) и пятиконтактные (заземляющий дополнительный контакт, 3 фазных, 1 нулевой) для сетей трехфазного типа. По исполнению бывают стационарными и переносными. Кроме того, электрические разъемы обладают разной степенью защиты.
Существуют варианты, созданные для монтажа над плинтусами, безопасность которых обеспечена поворотной шайбой. Так, вилку можно подключить лишь после того, как она будет повернута в установленный угол. Функционал ответвительной коробки несет нижняя часть устройства. Используются специализированные штепсельные розетки для электротехнического плинтуса, они имеют плоские контакты и позволяют одновременно подключить две вилки.

Стоит отметить, что некоторые штепсельные соединители обладают конструкцией, отличающейся от российского вилочного соединителя. Для эксплуатации требуется приобретение переходных устройств, в случае если они не поставлялись в комплекте.
Монтаж
Устанавливать штепсельные розетки рекомендуется на расстоянии 0,8-1 метр над полом. Для детских комнат, школ, и детсадов это расстояние может быть больше, чтобы дети не дотянулись до электророзетки.
Установка и подключение розеток производится в несколько этапов:
- подготовка места для установки розетки;
- установка подрозетника и его ввод в кабель;
- разделка кабеля;
- подключение проводов к клеммам устройства;
- монтаж колодки;
- проверка точности установки;
- монтаж защитного корпуса;
- подача тока, проверка работоспособности электроустройства.

Необходимо:
- учитывать место установки, количество розеток в помещении, сечение кабеля;
- перед подключением проверить цепь на отсутствие короткого замыкания при помощи тестера;
- следить за состоянием изоляции, не использовать поврежденные экземпляры.
Установка открытой проводки
Электрические конструкции для проводки открытого типа снабжены изолирующей защитной крышкой. Закрепляются к поверхности стены с помощью специальной плоской площадки – подрозетника, или на дюбеля.
Первым шагом монтажа будет закрепление подрозетника на стене. Закрепляется либо при помощи дюбелей на бетонную или кирпичную стену, либо с использованием шурупов для дерева и пластика. Также применяются винты и саморезы для закрепления на металлической основе. Отверстия делаются заранее дрелью или перфоратором. К подрозетнику напрямую устанавливается розеточный узел, к клеммам розетки подключаются колодки. В конце нужно закрепить декоративную (изолирующую) крышку при помощи центрального винта. После установки крышки можно проверить работоспособность розетки.
Монтаж закрытой проводки
Установка при скрытой проводке делается с использованием специальных подрозетников, которые изготавливаются в виде неглубокого стакана. Для размещения подрозетника на гипсокартонной стене нужно сначала просверлить отверстие по диаметру стакана, вставить его в нишу и закрепить. На гипсокартонную стену фиксация делается с помощью специальных лапок зажимов. Для бетонных стен используются специальные гипсовые смеси. Для проведения электропроводки нужно проштробить в стене бороздку с глубиной, достаточной для провода. В нее укладываются провода таким образом, чтобы запас составлял примерно 10 см
Важно не укладывать их пучком. Затем закрепляется розеточный узел, а к клеммам подключаются провода
Корпус закрепляется с помощью шурупов или распорок. Фиксировать винты нужно усердно, так как при слабом контакте происходит нагрев.
В отдельную категорию выделяется установка силовых розеток. Используются для мощного электрооборудования – посудомоечные и стиральные машины, бойлеры, кондиционеры. Монтаж имеет особенности:
- подключение к отдельной линии, которая идет от щитка;
- линия должна выдерживать нагрузку не менее 40 Ампер;
- толщина проводка должна быть больше.
Крепится силовая розетка в месте, где выходит силовой кабель. Крепление делается дюбелями. Защита должна быть степенью не менее IP20. Изоляция и соединение производятся путем скрутки и пайки.
Особенности хорошей герметичной розетки
В дополнение к вышеупомянутой защитной крышке герметичные розетки должны быть дополнительно снабжены высококачественной прокладкой. В случае затопления комнаты прокладка предотвратит риск электрического короткого замыкания, изолируя розетку от большего количества воды. Прокладка должна быть изготовлена из высококачественного материала, благодаря чему будет исправно служить в течение многих лет.
Также не стоит забывать об эстетических качествах. Сегодня влагозащищенные розетки доступны в различных цветах и моделях, поэтому они могут вписаться в большинство интерьеров, независимо от стиля помещения.
Классификация штепсельных розеток
Обычно штепсельные розетки классифицируют по нескольким критериям. Вот основные типы их классификации:
По типу конструкции
- Скрытой установки. Ее применяют только для внутренней проводки. Для установки вам необходимо погрузить ее в стену. При этом защитный корпус должен находиться в коробке и не выступать из нее. Провода в ней следует присоединять таким образом, чтобы не допустить их выдавливания.
-
Наружной установки. Обычно специалисты используют ее для внешней установки. Крепить ее необходимо непосредственно к стене. Довольно часто их конструкция предполагает в себе использование специальной подсветки или защитной коробки.
По электрической схеме
Штепсельная розетка с защитным контактом. В этом устройстве защитный контакт должен соединяться с заземляющим проводом. Достаточно часто она пользуется популярностью только в том случае, если у вас в доме имеется заземление. Специальные гнезда для штифта располагаются немного ниже самого отверстия. Обычно их используют для электрических плит.
По уровню защиты от влаги
Влагозащищенные устройства необходимо устанавливать в помещениях, которые содержат в себе большое количество влаги. Таким образом, вы сможете надежно защитить свое устройство. Здесь разработчиками была предусмотрена защитная мембрана, которая выступает в роли защиты от влаги. Довольно часто влагозащищенные розетки устанавливают наружным способом.

Влагостойкие штепсельные розетки всегда нужно устанавливать в ванной комнате и других помещения с повышенной влагой
Количество колодок:
- Одноместные;
- Двухместные (Предусматривают в себе две пары колодок).
Конструктивные особенности и технические характеристики
![]()
Традиционно штепсельная розетка состоит из трех элементов – корпус, колодка и контакт с устройством. Корпус выполняет декоративную и защитную функцию и изготавливается из прочных невозгораемых материалов. Колодка – основа прибора, изготавливается из керамики или карболита и удерживает крышку и контакты. По контактам с устройством электроэнергия доходит до потребителя. Выполняется из различных сплавов. В конструктивном плане выделяют приборы утопленного и наружного типа. В первом случае подрозетник отсутствует, а накладные устройства имеют в составе крепежную панель. Утопленные приборы используются для скрытой проводки (выглядят эстетично). Устройства наружного типа монтируются на открытую прокладку сети.
Штепсельные розетки имеют маркировку, состоящую из цифр и букв. Например: РШ-Ц – 20-0-01-10/220 – это штепсельная электророзетка утопленного типа для открытой проводки, однофазная, с заземлением, используется для сети напряжением 220В и частотой 50 Гц.
В документации на каждый прибор должны быть указаны номинальные и предельные токи и напряжения, количество контактов, полюса, степень защиты и климатические требования.
Малогабаритная модель РС-16-006 скрытой установки
Розетка двухполюсная. Одноместной скрытой установки. Заземление отсутствует. Диаметр штырьков вилки составляет 4 или 4,8 мм. Прибор накладной белого цвета, из матового пластика. Номинальное напряжение 250 В, номинальный ток 16 А. Степень защиты IP20, климатическое исполнение УХЛ4.
Розетка штепсельная ПС-326-100 (марка ИЭК)
ПС-326-100 утопленного типа для открытой проводки. Номинальный ток 40 А, напряжение 24В. Количество контактов 7. Применяется для прицепов ВАЗ, КАМАЗ и т.д.
Низковольтная розетка 42В РП-2Б
Влагозащищенная модель утопленного типа для скрытой проводки, степень защищенности IP43, номинальное напряжение 42 В, ток 10 А. Климатические условия эксплуатации УХЛ, количество полюсов 2.
Нейтральные малогабаритные типа НМШ
НМШ используются для соединения цепей повышенной мощности, являются устройствами электромагнитного типа. Схема установки отличается от классических моделей. В паспорте указывается сопротивление 310 Ом, напряжение 12 В, отпускание якоря 6,7 В и время срабатывания – мгновенно.
Параметры
Для начала разберем маркировку розеток штепсельного типа. Обозначение состоит из букв и цифр, к примеру:
РШ-Ц- 20-0-01-10/220 – это розетка штепсельная утопленного типа при открытой проводке, однофазная, из серии с заземлением, используется в сети 220 В, 50 Гц.
Рассмотрим технические характеристики различных штепсельных розеток.
Малогабаритная модель РС-16-006 скрытой установки:
| Напряжение, В | 250 |
| Ток, А | 16 |
| Защита | IP20 |
| Климатические требования | УХЛ 4 |
| Габаритные размеры, мм | 80х80х30 |
| Полюса | 2 |

Розетка штепсельная ПС-326-100 (марка ИЭК) — утопленного типа при открытой проводке:
| Ток, А | 40 |
| Напряжение, В | 24 |
| Кол-вот контактов | 7 |
Может использоваться для прицепа ВАЗ, КАМАЗ, КРАЗ и т. д.
Штепсельная низковольтная розетка 42В РП-2Б (РШ-п-2-о-IP43-01-10/42) утопленного типа при скрытой проводке для переносной или настольной лампы
| Напряжение, В | 42 |
| Размеры, мм | 61х61х50 |
| Ток, А | 10 |
| Климат | УХЛ |
| Количество полюсов | 2 |
Розетки нейтральные малогабаритные штепсельные типа НМШ (АНШМ2-310) к реле (их схема установки несколько отличается от классических моделей):
| Сопротивление, Ом | 310 |
| Напряжение, В | 12 |
| Отпускание якоря, В | 6,7 |
| Время отпускания, с | мгновенно |

Как выбрать розетку?
Прежде чем выбрать розетку в нашем магазине, нужно понять вообще какие бывают розетки и чем они от друг друга отличаются. Для этого мы максимально подробно и понятно постараемся разобрать все варианты розеток.
Ну прежде чем выбирать тип розетки нужно:
- Определиться с производителем, и так как Вы сейчас это читаете, думаю с этим все понятно)
- Выбрать серию, которая Вам нравится. Серии отличаются от друг друга разновидностью цветовой гаммы рамок и лицевых панелей, ну и конечно это внешний вид самого механизма (дизайн).
- Определиться с видом розетки, которая подойдет Вам. Ниже мы приведем пример видов всех розеток, и разборчиво поясним что для чего…
Типы розеток
Розетки без заземления (2К) — простые розетки, которые имею всего 2 контакта для подключение и не имеют заземляющего контакта. В основном используются в частных домах и в местах где нет заземления.
Розетки с заземлением (2К+З) — это самые обычные розетки, которые встречаются практический везде. Имеют 2 контакта + заземляющий контакт 2К+З. Устанавливаются везде где нужны штепсельные розетки.
Розетки с заземлением + защитными шторками IP 21 (2К+З) — это такие же простые розетки с заземлением, плюс имеют защитные шторки которые защищают отверстия розетки от прямого попадания разных предметов. Шторки плотно закрывают отверстия, и срабатывают на открытия только если вставить туда вилку. Хорошо для тех у кого есть маленькие дети дома. Ну и кто хотел бы просто застраховаться.
Розетки с заземлением + защитными шторками + крышкой IP 21 (2К+З) — ну как Вы видите из самого названия, это такие же розетки с заземлением и со шторками, но дополнительно защищены еще и закрывающей защитной крышкой. которая закрывает полностью сам механизм. Крышка легко поднимается на 180 градусов.
Розетки с заземлением + защитными шторками + крышкой + влагозащищенные IP44 (2К+З)— аналогично выше перечисленному, данные розетки так же имеют заземляющий контакт, защитные шторки и крышку. А сам механизм защищен от попадания брызг под любым углом и пыли. Крышка бывает в основном на пружинке.
Абревиатура IP- хх
IP 20
- Защита от твердых тел размером >=12,5 мм. Защита конструкции от проникновения внутрь предметов диаметром более 12 мм. Защита от прикосновения пальцами к токоведущим частям.
- Защиты от влаги не предусмотрена.
IP 21
- Защита от твердых тел размером >=12,5 мм. Защита конструкции от проникновения внутрь предметов диаметром более 12 мм. Защита от прикосновения пальцами к токоведущим частям.
- Защита от капель конденсата, падающих вертикально. Капли воды, падающие вертикально, не могут вызвать опасных последствий для оборудования.
IP 44
- Защита от твердых тел размером >=1,0 мм. В конструкцию не могут попасть предметы диаметром более 1 мм. Конструкция защищает от прикосновения к токоведущим частям пальцами или инструментом.
- Защита от брызг, падающих под любым углом. Конструкция защищена от брызг воды, которые могут быть направлены на изделие с любого направления.
Так же розетки делятся на:
Встраиваемые — это те розетки которые изначально были предусмотрены для внутренней установки в стену. Обычно они состоят из нескольких компонентов, это сами механизмы в сборе и установочные рамки . Устанавливаются они в обычный подрозетник 65х40 или 65х60. В некоторых сериях предусмотрена установка механизмов и на стену, путем накладного монтажа, для этого существуют накладные коробки, которые крепятся на стену, а в них уже монтируется механизм розетки.
Накладные — это розетки которые предусмотрены для установки на любые поверхности. В основном все они идут в сборе, могут быть как в едином литом корпусе, так и разбираться и отсоединятся друг от друга на момент монтажа, это уже для удобство. Для таких розеток не предусмотрены какие то дополнительные рамки или монтажные коробки. Единственное что есть для них это в серии Quteo — установочные блоки на 4 и на 6 мест. Удобно для группировки механизмов.
Порядок монтажа и подключения
Независимо от того, как сделано заземление розетки, при её подключении должны учитываться следующие обстоятельства:
- тип используемой в вашем жилище проводки, монтаж которой организуется закрытым способом или открыто;
- вид устанавливаемого изделия, которое может иметь различные исполнения (одинарная розетка, двойная или даже тройная).
Для открытой проводки, которая традиционно применяется в частных жилых строениях, удобнее всего воспользоваться наружным вариантом установки розетки, закрепляемой на специальном основании (так называемом «подрозетнике»). При этом заземляющий провод подключается к соответствующему контакту розетки открытой проводки, которая иногда ещё называется накладной. Перед тем как заземлить розетку в цепи скрытой проводки вам необходимо будет найти в жгуте заземляющий проводник (с изоляцией жёлто-зеленой расцветки) и подсоединить его к соответствующему контакту изделия, с которого предварительно удалена декоративная крышка. Отметим, что в определённых ситуациях, которые уже упоминались нами ранее, в качестве заземляющей жилы используется отдельный медный провод, специально прокладываемый от распределительного шкафа. В этом случае для подключения розетки с заземлением вам следует воспользоваться именно этой жилой, соединённой другим своим концом с главной заземляющей шиной (ГЗШ).
Сверление отверстия
Это самый пыльный и тяжелый кусок всей работы, хотя, все зависит от прочности бетона.
- Если используется коронка для сверления подрозетников, то первым делом в центре разметки высверливается отверстие для ее центральной оси, после чего в ход идет сама коронка.
- Немного дольше эта часть работы будет делаться, если в наличии есть только дрель с обычным сверлом по бетону. В таком случае придется высверливать дырки по окружности будущего подрозетника, а потом выбивать внутреннюю часть перфоратором или зубилом.
- Если периметр отверстия для подрозетника будет не круглым, а квадратным, то нарушения в этом никакого нет – все равно оно будет замазываться цементным раствором. Исходя из этого соображения, можно по касательной к диаметру будущего подрозетника сделать пропилы в стене болгаркой, извлечь внутреннюю часть и подправить остальное перфоратором или зубилом.
- В особо сложных случаях можно комбинировать эти способы – сперва насверлить отверстий сверлом, а затем работать по ним коронкой или болгаркой.
Итогом работы должно стать отверстие, в которое подрозетник, что будет устанавливаться, немного «проваливается» за поверхность стены.
Если сверлятся несколько дырок, то между ними обязательно надо прорезать переходы – для проводов.
Эксплуатация
По способу применения в быту различают розетки для сухих и влажных помещений. Это следует учитывать при монтаже в помещении бани, бассейна и т. д.
Розетка штепсельная 16А мощности при установке во влажном помещении должна обладать высокой степенью защиты. Иначе при такой большой мощности могут возникнуть неприятные и довольно опасные ситуации.

Подобное оборудование оснащается специальными резиновыми кольцами или мембранами. Они защищают контактные элементы от попадания влаги. Внутренний фланец способствует отводу конденсата. Такая розетка штепсельная с заземляющим контактом чаще устанавливается наружным способом.
Оборудование, которое не имеет представленной системы защиты, устанавливается в сухих помещениях.
Функция по контролю питания
Капитальный ремонт, прокладка новых электросетей часто выполняется с помощью УЗО, защитных автоматов, нередко на практике задействуются стабилизаторы. Однако существует масса жилищ, иных помещений, проводка в которых насчитывает не один десяток лет. Она может быть во вполне рабочем состоянии, но защитную, контрольную роль выполняют элементарные пробки, установленные на входе в помещение. Хотя бы самые дорогостоящие приборы нуждаются в таком случае в безопасности. Решить проблему поможет:
- Электророзетка, оснащенная УЗО. Работа мощных бытовых приборов обеспечивается через специально выделенные линии с автоматами защиты. В случае утечки тока (контакт человека с оголенным проводом, находящимся под напряжением, пробой изоляции) срабатывает защитная функция, и аппарат отключает подаваемое питание.
- Розетка, функционирующая под защитой от высокого напряжения, будет уместной при отсутствии локального, общего стабилизатора. Она защитит от перенапряжения технику, нуждающуюся в качественном электропитании. Когда превышается пороговый предел напряжения, питание попросту прекращается.
Нормативы
Существуют нормативы количества и качества розеток в разных помещениях. Так, для комнат в обычных квартирах на каждые 6 кв. м должно приходиться по 1 розетке. Если это коридор, то одно устройство для подключения электроприборов должно приходиться на каждые 10 кв. м площади.
Для кухонь существуют особые требования. Если она меньше 8 кв. м, то в этом помещении должно быть не менее 3 розеток 6-10 А и одна с заземлением на 10-16 А.
Для кухни более 8 кв. м на одно 6-амперное устройство должно быть больше. Если используется электроплита или духовка, розетка должна быть на 25 А с обязательным заземлением.
На корпусе прописывают уровень защиты от попадания посторонних предметов и влаги. Рядом с мойкой устанавливают влагозащищенные экземпляры техники.
Штепсельная розетка является неотъемлемой честью системы электрообеспечения любой квартиры. Разновидности представленной техники позволяют совершать ее установку в помещения с самыми разными условиями. Следует правильно подбирать тот или иной тип розеток, опираясь на все перечисленные выше характеристики каждой из них. Это простое и часто встречающееся устройство требует к себе серьезного подхода, дабы в процессе эксплуатации избежать неприятных ситуаций и проблем.
Требования безопасности при эксплуатации электроприборов диктуют необходимость заземления. Заземления — это система проводников, которая отводит возникшее на корпусе установки напряжение в землю. Электрическое сопротивление земли гораздо ниже, чем человеческого тела, поэтому напряжение, возникшее вследствие повреждения изоляции или по другим причинам, не поражает пользователя.
Наличие заземляющего контура в электросети возводимых объектов — обязательное условие. Однако объекты, возведенные до вступления советующего пункта ПУЭ в силу, не оснащаются заземлением. Такие сети имеют только два проводника: фазу и ноль. Возможность добавления заземляющего контура в такой сети имеется, но ее воплощение сопряжено со значительными затратами времени и средств. Поэтому, в большинстве случаев ничего подобного не происходит. Таким образом, штепсельные розетки с заземляющим контактом (наличие которого отражается на цене механизма) имеет смысл приобретать, только если электросеть объекта имеет соответствующий проводник.




























