Схемы подключения трехфазного счетчика электроэнергии
Только верно присоединенный счетчик правильно определяет и контролирует количество используемого тока. Поэтому прибор следует верно присоединить. Схема монтирования обусловливается видом.
Полукосвенная
В сеть монтируется с ТТ. Поэтому возможно присоединять в сети с высокими мощностями. Разрешается до 60 кВт. Применяя этот метод учета, для установления трат стоит разность показателей умножать на определенное значение трансформации.

Десятипроводная
Она пользуется большой популярностью. Именно ее эксперты советуют устанавливать сейчас. Ведь она имеет ряд преимуществ. У них нет гальванической связи токовых цепей прибора учета и цепей напряжения. Поэтому подключать ее гораздо безопаснее. А еще благодаря ей удобнее проводить манипуляции.
Не нужно отключать установки при смене счетчика или при проведении различных манипуляций. Он отличается правильностью. Ведь сбор сведений по всем фазам происходит независимо. Если происходит нарушение цепей учета по какой-то из фаз, функционирование учета на других фазах продолжается.
3х-фазный счетчик для правильного функционирования монтировать аккуратно
Особенное внимание стоит уделить маркировке. 10-проводная требует больше проводов, чем остальные схемы
10-проводная имеет недостаток: значительный расход проводника для сборки вторичных цепей учета.

Семипроводная
Свое название получила из-за числа проводов, применяемых во время присоединения. Считается устаревшей, хоть и встречается.
Трансформаторный счетчик должен иметь контактную панель. Если ее нет, то должна присутствовать колодка. Они служат проводником соединения. Их располагают посреди электрического шнура и счетчика.

Звезда
- все типы КЗ проводят ток индивидуально. А гарантия безопасности и функционирования, созданная данным способом, откликается на любое КЗ;
- ток в реле принадлежит к фазному;
- ток нулевой последовательности, не проходящий через реле, не выйдет за грани треугольника ТТ.


Неполная
Устанавливать неполную звезду стоит лишь в сетях, где есть нулевые изолированные точки. Они ограждают от междуфазных КЗ. Она откликается лишь на отдельные появления КЗ однофазного.
Полная
Если есть глухозаземлённая нейтраль, то нужно присоединение ТТ к трём фазам.
Косвенное
Если в сети аппараты, использующие энергию электричества, тратят ее больше номинального значение силы тока, проходящего сквозь счётчик тогда стоит вмонтировать разделительные ТТ. Присоединяют их в разрыв силовых токоведущих шнуров.

С двумя ТТ
В сетях 380 В, при образовании систем учёта расходуемой мощи больше 60кВт, 100А электросчетчик устанавливают, применяя косвенную схему присоединения трехфазного через ТТ. Это помогает измерять большую используемую мощь при помощи аппаратов учёта для меньшей мощи, используя коэффициент пересчёта показателей устройства.
Меркурий 230
Схемы сборки счетчика Меркурий с применением ТТ отличаются сложностью. Подключающий не должен забывать в процессе об ответственности. Обычно он применяется в сети 380 вольт.
Если есть однофазовое и двухфазное КЗ “земля”, то выявляются токовые объемы в реле.
Особенности подключения
Как работает и как выбрать трансформатор тока
При более внимательном рассмотрении схемы подключения 3 фазного счетчика через трансформатор обнаруживается, что она предполагает обязательное соблюдение полярности включения обеих обмоток
Перед тем, как подключить его посредством ТТ, важно обратить внимание на следующие детали:. На первичной катушке имеются три пары входных клемм, один из контактов которых предназначен для подсоединения соответствующего фазного провода и обозначается литерой «Л1» (от второго контакта, помечаемого как «Л2» провод идёт непосредственно к 3х фазной нагрузке);
На первичной катушке имеются три пары входных клемм, один из контактов которых предназначен для подсоединения соответствующего фазного провода и обозначается литерой «Л1» (от второго контакта, помечаемого как «Л2» провод идёт непосредственно к 3х фазной нагрузке);

Порядок подключения к клеммам
- На катушке измерения также имеются клеммы, обозначаемые как «И1» и «И2», соответственно, к которым в параллель подключается обмотка фазного счётчика;
- Сечение подключаемого к клеммам первичной обмотки кабеля выбирается исходя из значения тока в нагрузке;
- Во вторичных цепях должен применяться проводник с рабочим сечением не ниже 2,5 мм² (он идёт непосредственно к счетчику).
Дополнительная информация. Специалисты советуют организовывать подключение 3-х фазного ТТ особыми маркированными по цвету проводами, на концах которых нанесено обозначение.
Кроме того, очень часто подсоединение к счётчику вторичной обмотки организуется посредством промежуточного клеммника, на котором ставится специальная пломба.
Отметим также, что наличие дополнительных контактов обеспечивает простоту замены и обслуживания 3-х фазного счётного прибора. При его применении энергию от потребителей во время ремонтных манипуляций можно не отключать.
Эксплуатация
Эксплуатация измерительных трансформаторов должна проводиться строго в соответствии с рекомендациями и предписаниями фирмы-изготовителя. В процессе использования устройств рекомендуется регулярный профилактический осмотр с целью выявления возможных неисправностей и быстрого их устранения.
Регулярное обслуживание для трансформаторов тока предусматривает следующие мероприятия:
- контроль нагрузки внешней цепи с целью недопущения перегрузок (коэффициент перегруженности линии не может быть больше 20%);
- внешний осмотр состояния подводящих контактов;
- проверка целостности фарфоровых изоляторов;
- осмотр внешней изоляции, удаление загрязнений и влаги.
Для трансформаторов напряжения рекомендуется проводить регулярные профилактические осмотры:
состояние внешнего кожуха на предмет наличия повреждений и подтеков масла; проверка уровня масла; необходимо обращать внимание на наличие специфических тресков и посторонних шумов внутри изделия; проверка целостности фарфоровых изоляторов и сварных швов. При обнаружении любого вида неполадок устройство обесточивается и выводится из эксплуатации
При обнаружении любого вида неполадок устройство обесточивается и выводится из эксплуатации.
Ремонт измерительных трансформаторов проводят специализированные организации (обычно это сертифицированные мастерские от фирм производителей оборудования).
Чтобы узнать больше о новинках в мире электротехники, увидеть современное оборудование и узнать о передовых технологиях в профильных отраслях, достаточно посетить выставку «Электро».
Широкая международная экспозиция будет принимать посетителей на территории ЦВК «Экспоцентр».
На выставке можно больше узнать больше о назначении, принципе действия измерительных трансформаторов, а также особенностях монтажа и ремонта устройств.
Проектирование, монтаж, эксплуатация, обслуживание систем электроснабженияЭлектробезопасностьСредства охраны труда
Установка трёхфазного устройства
Контроль и учёт электрической энергии в четырёх-проводных сетях требует применения как измерителя трёхфазного электросчётчика, подключение которого возможно прямым путём и через трансформаторы тока. Устройство для измерения электроэнергии, подключаемое по схеме с использованием трансформаторов тока называется трансформаторным счётчиком.
Применение трансформаторов тока необходимо при полукосвенном включении счётчика к электрической сети и установленной мощности за пределами 60 кВт. Эти дополнительные устройства отличаются использованием электрического провода вместо первичной обмотки. Основываясь на законы индукции, протекание тока по проводнику при вторичной обмотке происходит электрический заряд, величину которого контролирует и учитывает прибор.
Расчёт объёма использованной электрической энергии осуществляется путём умножения показаний измерительного прибора на коэффициент трансформации. В качестве источников информации при подключении устройств контроля и учёта электричества путём выступают трансформаторы тока.
Трансформаторы тока для счетчиков: принцип работы и назначение
Задача ТТ – защита энергосистемы от повреждений. Конструкция электросчетчиков рассчитывается на эксплуатацию в конкретных условиях. Характеристики тока и напряжения указываются в паспорте производителя. Превышение допустимых значений вызывает короткое замыкание, перегорание. В установках с трансформаторами тока вторичные измерительные линии отделяются от первичных потребительских цепей. Нагрузка на узел учета снижается до требуемых величин.Малые значения безопасны. Ремонт выполняется быстрей. Легче заменить компактный трансформатор тока, чем счетчик.
ТТ – преобразователи высоких токовых нагрузок в низкие. У каждой марки собственный уровень трансформации К. Коэффициент показывает, во сколько раз вторичный ток меньше первичного. Расход электроэнергии определяется как разница между показаниями, умноженная на К.Популярны модели с кратностью от 10/5 до 100/5. Формула 100/5 означает, что аппарат готов преобразовать нагрузку питательной сети, равную 100А, в 5 Ампер, необходимых для работы счетчика.
Полноценной работе способствуют установочные характеристики конструкции.
- Сердечник из электротехнического сплава отличается низким магнитным сопротивлением.
- Изолированные обмотки устойчивы к перегреву. Материал – медь, алюминий. На способ монтажа приборов влияет тип первичной обмотки: катушечный, шинный, стержневой, одновитковый, многовитковый.
- Клеммы на вводах и выводах обмоток маркируются на заводе-изготовителе. Качество затяжки крепежа влияет на точность показаний.
- Защищает элементы кожух.
- Небольшие размеры, вес. Аппарат вмещается в квартирный щиток.
- Срок эксплуатации – 25 лет.
Действие основывается на электромагнитной индукции. Первичная обмотка присоединяется к силовому участку, вторичная – к катушке трехфазного счетчика. Фазовый ток создает магнитные волны в замкнутом контуре сердечника. Под воздействием движущей силы частиц появляется электроэнергия во вторичной обмотке. Сигнал попадает в учетный узел.
Первичная обмотка соединяется последовательно, вторичная – замыкается на нагрузку. Потребительский и измерительный показатели пропорциональны друг другу.
Преобразователи чаще встречаются в линиях с 3 фазами. Большинство однофазных приборов устанавливается непосредственно в сеть.Рекомендуемая нагрузка для прямого включения – 60 Ампер.
Это интересно: Выбивают автоматы в дневное время — причины
Преимущества подключения на 3 фазы
Устанавливая многотарифный счетчик, владельцы дома или квартиры получают множество выгод:
- экономия – у некоторых моделей есть режимы дневной и ночной тарификации, что позволяет использовать меньше энергии ночью, чем днем;
- универсальность – устройства можно подсоединить со стандартной сети 220 В или новой сети 380 В прямым способом или через трансформатор;
- постоянный контроль – счетчик уравновешивает сетевое напряжение;
- точность – учет затраченной электроэнергии производится с погрешностью от 0,2 до 2,5 %;
- дополнительные функции – счетчики оснащаются журналом событий, электросиловым модемом, фиксацией пользователей, монитором для вывода данных.
Однофазный вариант дает погрешность показаний до 5 %.
Почему существует два типа схем подключения
Измерительная пара является самым уязвимым местом в конструкции электрического счетчика. В меньшей степени это утверждение касается индукционных приборов, где катушки созданы из витков медного провода. И в большей – так называемых цифровых моделей, в которых подсчет протекающей электрической энергии осуществляется полупроводниковой микросхемой.
Если сравнивать технические характеристики разных моделей – как в пределах одного бренда, так и между ними, то бросается в глаза характерная деталь: везде номинальным током является значение 5 ампер. Однако это условие невозможно соблюсти, если суммарная мощность потребителей превышает 50 кВт. Поэтому существует два типа схем подключения трехфазных электросчетчиков.
- Прямая, использующаяся в сетях, токи нагрузки в которых не превышают 50 ампер.
- Через понижающие трансформаторы, которые уменьшают токи до значений, безопасных для прибора учета.
Что такое трансформаторы тока
Номинал напряжения в трехфазных сетях переменного тока всегда 380 вольт. Он не зависит от суммарной мощности потребления. Поэтому для защиты приборов учета в высоконагруженных сетях применяются трансформаторы тока.
Это электромеханические устройства, конструкция которых состоит из металлического сердечника и двух обмоток – первичной, с меньшим количеством витков медного провода, и вторичной, в которой число витков больше на фиксированное число раз. Это соотношение и определяет так называемый коэффициент трансформации – величину уменьшения выходного тока относительно входного.
Несмотря на принципиальное сходство, трансформаторы тока имеют существенные конструктивные отличия от трансформаторов напряжения. Во-первых, это всегда понижающее устройство. Во-вторых, первичная обмотка выполнена в виде металлической пластины – обычно плоской, толщиной не менее 3 мм и шириной от 2 до 5 сантиметров, поэтому попытка подключить входные клеммы между фазой и нейтралью вызовет короткое замыкание.
Замкнутый стальной магнитопровод имеет форму тора или квадрата, из-за чего корпус трансформатора тока бывает в форме бочонка или параллелепипеда. Выходные клеммы располагаются на одной из его боковых граней и имеют сечение в два-три раза меньшее, чем входные, находящиеся на торце.
На корпусе трансформаторов тока указывается соотношение максимального входного тока и его величина на выходе. Например, 100/5 или 150/5. В первом случае коэффициент трансформации равен двадцати, а во втором – тридцати. На это значение надо умножать показания электросчетчика, чтобы получить истинное значение количества потребленной электрической энергии.
На электрических схемах трансформаторы тока изображаются в виде короткой жирной линии и расположенного на или под ней мнемосимвола катушки индуктивности. Возле них пишут буквы ТТ. В отличие от трансформаторов напряжения, символ которых состоит из двух катушек и линии между ними, а также букв ТН.
Соединение обмоток реле и трансформаторов тока
Принцип воздействия токового трансформатора не имеет существенных отличий от подобных характеристик стандартного силового прибора. Особенностью первичной трансформаторной обмотки является последовательное включение в измеряемую электрическую цепь. Кроме всего прочего, обязательно присутствует замыкание на вторичную обмотку на разные, подключенные друг за другом приборы.
В полную звезду
В условиях стандартного симметричного уровня токового протекания, трансформатор устанавливается на всех фазах. В этом случае вторичная трансформаторная и релейная обмотка объединяются в звезду, а связка их нулевых точек выполняется посредством одной жилы «ноль», а зажимы на обмотках подсоединяются.

Соединение трансформаторов тока и обмоток реле в полную звезду
Таким образом, трехфазное короткое замыкание характеризуется протеканием токов в обратном кабеле в условиях двух реле. Для двухфазного короткого замыкания, протекание тока отмечается в единственном или сразу в паре реле, согласно фазовому повреждению.
В неполную звезду
Особенностью двухфазной двухрелейной схемы подсоединения с образованием неполной звезды. К достоинствам такой схемы можно отнести реагирование на любой вид короткого замыкания, кроме земли фазы, а также вероятность применения данной схемы на междуфазных защитах.

Соединение трансформаторов тока и обмоток реле в неполную звезду
Таким образом, в условиях различных типов короткого замыкания, токовые величины в реле, а также уровень его чувствительности, будут разнообразными.
Недостаток подсоединения в неполную звезду представлен слишком низким коэффициентом чувствительности, по сравнению со схемой полной звезды.
Как правильно установить заземление на даче, расскажем тут.
Как правильно выбрать провод заземления и какие марки наиболее популярны, читайте далее.
Основные схемы подключения трансформатора. Как подключить трансформатор тока?
Что такое трансформатор тока?
Трансформатор тока (ТТ) представляет собой индуктивное устройство, преобразующее напряжение в сети. Его первичная обмотка подключается к источнику электроэнергии, а вторичная замыкается на защитный прибор с малым внутренним сопротивлением.
Ток протекает через первичную обмотку, преодолевая ее сопротивление.
В процессе движения по виткам первичной обмотки возникает магнитный поток, который улавливается магнитопроводом. Витки вторичной обмотки расположены перпендикулярно виткам первичной обмотки.
Под воздействием электродвижущей силы ток во вторичной обмотке преодолевает сопротивление в катушке, в результате чего падает напряжение на зажимах вторичной цепи.
Коэффициент трансформации определяется на стадии проектирования трансформатора, поэтому важно правильно выбрать модель устройства и заказать трансформатор в Бресте в зависимости от назначения и особенностей эксплуатации
Сфера применения трансформаторов
Трансформаторы тока устанавливаются во многих бытовых электроприборах и промышленном электрооборудовании, для работы которых требуется более высокое или низкое напряжение, чем 220 В или 380 В.
Для питания галогенных светильников необходимо напряжение 12 В, то есть почти в 20 раз ниже, чем в сети, и ТТ его понижает до требуемой величины.
Также трансформатор используются для учета электроэнергии. Широко распространены измерительные ТТ, которые подключаются к приборам измерения (вольтметрам, амперметрам и прочим) и осуществляют передачу токов на них.
Выпускаются как компактные модели, которые помещаются в корпус бытовых приборов, так и модели для установки под открытым небом на линиях электросетей.
Основные преимущества изделий
Использование трансформаторов тока дает следующие преимущества:
- Унификация измерительных приборов, градуировка их шкал в соответствии с измеряемым первичным током;
- Повышается уровень безопасности при работе с различными реле и измерительными приборами за счет разделения цепей высшего и низшего напряжения;
- Увеличивается максимальный диапазон напряжений и пределов измерения для различных измерительных приборов;
- Обеспечивается питание токовых обмоток реле защиты и измерительных приборов;
- Надежная изоляция от высокого первичного напряжения.
Параметры для выбора схемы подключения
Подключить самостоятельно трансформатор, предназначенный для бытового использования несложно – достаточно строго следовать схеме подключения. Но для эффективной и безопасной работы электроприборов необходимо правильно подобрать саму схему. При выборе необходимо учитывать:
- Количество фаз в сети – трехфазные модели имеют 4 выхода, а однофазные только 2, поэтому схема подключения трехфазного трансформатора имеет ряд отличий;
- Тип трансформатора тока – повышающий или понижающий;
- Какой параметр тока необходим потребителю – для работы бытовой техники нужен постоянный ток, а в сети – переменный, и для его преобразования требуется подключение вторичной обмотки трансформатора тока через выпрямитель.
Популярные схемы подключения
Если ТТ используется для подключения через них вольтметров, амперметров и других высокочувствительных приборов, измеряющих ток небольшой силы, подключение трансформаторов тока производится по следующей схеме:
Первичная обмотка Л1-Л2 соединяется с линейным проводом, а вторичная обмотка ТТ И1-И2 соединена с токовой обмоткой измерительного прибора. Выводы Л1, И1 соединены перемычкой и подключены к фазному проводу. Третий зажим соединяется с нулевым проводом.
Для трехфазной электросети чаще всего используются три однофазных трансформатора, которые подключаются по схеме:
Если требуется подключение понижающего устройства, следует руководствоваться схемой:
Чаще всего она используется для создания систем освещения. Небольшой размер ТТ дает возможность монтировать их непосредственно в каркасе потолка. Трансформатор располагается между выключателем и светильниками. Светильники подключаются параллельно.
Что важно учитывать при подключении?
Для облегчения монтажа производители наносят на них маркировку: ТАа, ТА1, КА1, что позволяет без ошибок соединить элементы.
При установке трансформатора на трехфазные линии необходимо учитывать, что, если напряжение в сети составляет от 6 до 35 кВ, трансформаторы могут быть установлены только на двух фазах, поскольку в таких сетях отсутствует нулевой провод.
Чтобы заказать трансформаторы тока и другую электротехнику, проконсультироваться по вопросам ее выбора, подключения и эксплуатации, звоните по телефонам: +375 (162) 44-66-60 или +375 (29) 978-35-00.
Подключение трехфазного счетчика полукосвенного включения
Данные приборы включаются в сеть через трансформаторы тока, благодаря чему появляется возможность использовать их в сетях с довольно высокими мощностями (до 60кВт). Используя такой способ учета, для определения расхода нужно разность показаний умножать на установленный коэффициент трансформации.
Существует несколько разновидностей подключения счетчиков полукосвенного подключения.
1 Подключение трансформаторов тока «звездой»
Процесс подключения проводов имеет вид:
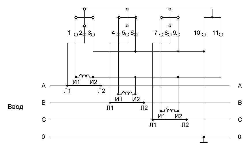
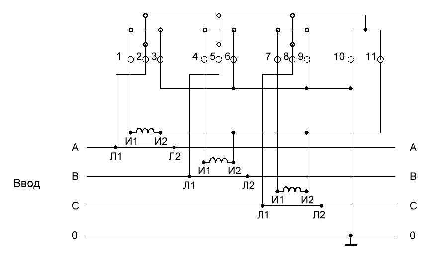
- контакты 3, 6, 9, 10 – замыкаются и подключаются к нулевому проводу;
- контакты И2 – замыкаются, подключаются к клемме 11;
- 1 – к И1 фазы А;
- 4 – к И1 фазы В;
- 7 – к И1 фазы С;
- 2 – к Л1 фазы А;
- 5 – к Л1 фазы В;
- 8 – к Л1 фазы С.
Рисунок — Схема подключения «звездой»
2. Десятипроводная схема включения счетчика
10-ти проводная схема
Эта схема характеризуется улучшенной электробезопасностью, ввиду изоляции друг от друга цепей тока и напряжения.
3. Подключение трехфазного счетчика косвенного подключения
Эти устройства предназначены для выполнения учета электроэнергии на высоковольтных присоединениях (6-10кВ и более), подключение реализуется при помощи трансформаторов напряжения, тока.
Ниже представлены основные схемы подключения трехфазных счетчиков через трансформаторы тока и напряжения:
1) Схема включения трехэлементного счетчика в четырехпроводную сеть с заземленной нейтралью: (рисунок ниже)2) Схема включения трехэлементного счетчика в четырехпроводную сеть. Три трансформатора тока, прямое подключение к напряжению:(рисунок ниже)3) Схема включения трехэлементного счетчика к трехпроводной линии — два трансформатора тока, три трансформатора напряжения:(рисунок ниже)
При подключении трехэлементного счетчика по схеме №3:
- ток по фазе В вычисляется с вычетом тока нулевой последовательности;
- не используются токи прямой, обратной и нулевой последовательности основной частоты (симметричные составляющие);
- активная и реактивная мощности по фазе В вычисляются с вычетом тока нулевой последовательности из фазного тока;
- учет электрической энергии ведется с учетом вышеприведенных замечаний.
4) Схема включения двухэлементного счетчика к трехпроводной линии — два трансформатора тока, два трансформатора напряжения (рисунок ниже)
При подключении счетчика по схемам №4 и №5:
- не измеряется напряжение нулевой последовательности основной частоты (симметричные составляющие);
- не измеряются токи прямой, обратной и нулевой последовательности основной частоты (симметричные составляющие);
- мощности присоединения вычисляются по формулам;
- учет электрической энергии ведется с учетом вышеприведенных замечаний.
5) Схема подключения двухэлементного счетчика к трехпроводной линии – два трансформатора тока, прямое подключение по напряжению (рисунок ниже)
Внимание!: Возможность подключения по конкретной схеме должна быть указана в паспорте или руководстве на конкретный тип счетчика. Счетчик прямого включения трехфазный Энергомера
Счетчик прямого включения трехфазный Энергомера
Сегодняшняя статья посвящена разборке счетчика прямого включения Энергомера ЦЭ 6803В. Напоминаю, у меня уже есть подобная статья про устройство однофазного счетчика Энергомера. Там же – информация о том, как счетчик считает электроэнергию.
На этот раз – не одна, а три фазы!
Кто глубже интересуется темой – я подробно уже написал в другой статье, чем три фазы отличаются от одной.
По таким счетчикам у меня есть ещё одна популярная статья – про подключение и монтаж трехфазных счетчиков. Там очень подробно, как закрепить и подсоединить такие счетчики.
Мне попал в руки трехфазный счетчик, который снят с эксплуатации. Разбирать будем до винтика, приготовьтесь!
Расчеты нагрузки
В пункте 1.5.1 ПУЭ описаны нормативы, которым должны соответствовать электросчетчик и трансформаторы тока. Описаны нормативные расчетные мощности.
Измерение по нагрузке схоже со следующим(в качестве примера взят ТТ с коэффициентом 200/5, система потребляет 140(14) ампер):
- номинальная:
- 140/40 = 3,5.
- 0,05*200/5 = 2.
- минимальная:
- 14/40 = 0,35.
- 5*0,05 = 0,25.
- 25%:
- 140*0,25/40 = 0,875.
- 0,05 А умножают на отношение номинального к минимальному: 0,05*140/14 = 0,5.
Первые числа должны быть соответственно больше вторых.
Выбирая преобразователь, следует учитывать следующие факторы:
- Определяя размеры проводки, учитывают класс точности ТТ. Для 0.5 допустимая потеря напряжения составляет четверть процента, для 1.0 — половина процента. В технических электросчетчиках допускается падение напряжения на величину до 1,5%.
- В АИИС КУЭ используют высокоточные устройства класса S. ТТ подобного типа способны снимать точные показания при низком уровне тока.
- Для технического учета и для счетчиков с классом точности 2.0 нужны ТТ с показателем 1.0. В остальных случаях рекомендуют устанавливать ТТ с классом точности 0.5 или менее.
- Прибор с повышенным коэффициентом используется, если максимальный показатель системы не падает ниже 40% от номинального, указанного на устройстве.
- Во время расчета потребления электроэнергии учитывают площадь сечения проводки, расчетную мощность и коэффициент преобразователя.
Достоинства трансформатора тока
Трансформаторы тока имеют огромное количество достоинств, о которых следует рассказать. Вот главные:
- Способность регулировать электрический ток в цепи;
- Простая изоляция (гарантия безопасности во время эксплуатации);
- Точность действий и простота использования прибора;
- Большой охват и интервал измерения электрического тока;
- Не самые большие габариты (в зависимости от вида);
- Не самая существенная масса (в зависимости от вида);
- Развязка первичной цепи;
- Развязка вторичной цепи;
- Практически полная независимость от внешней температуры;
- Способность выдерживать процесс перенапряжения;
- Способность быстрого восстановления после короткого замыкания цепи;
- Способность передавать даже электрический импульс.



























